Водонагреватели Gorenje GBFU80EDDB6 - инструкция пользователя по применению, эксплуатации и установке на русском языке. Мы надеемся, она поможет вам решить возникшие у вас вопросы при эксплуатации техники.
Если остались вопросы, задайте их в комментариях после инструкции.
"Загружаем инструкцию", означает, что нужно подождать пока файл загрузится и можно будет его читать онлайн. Некоторые инструкции очень большие и время их появления зависит от вашей скорости интернета.

30
nevainojami.
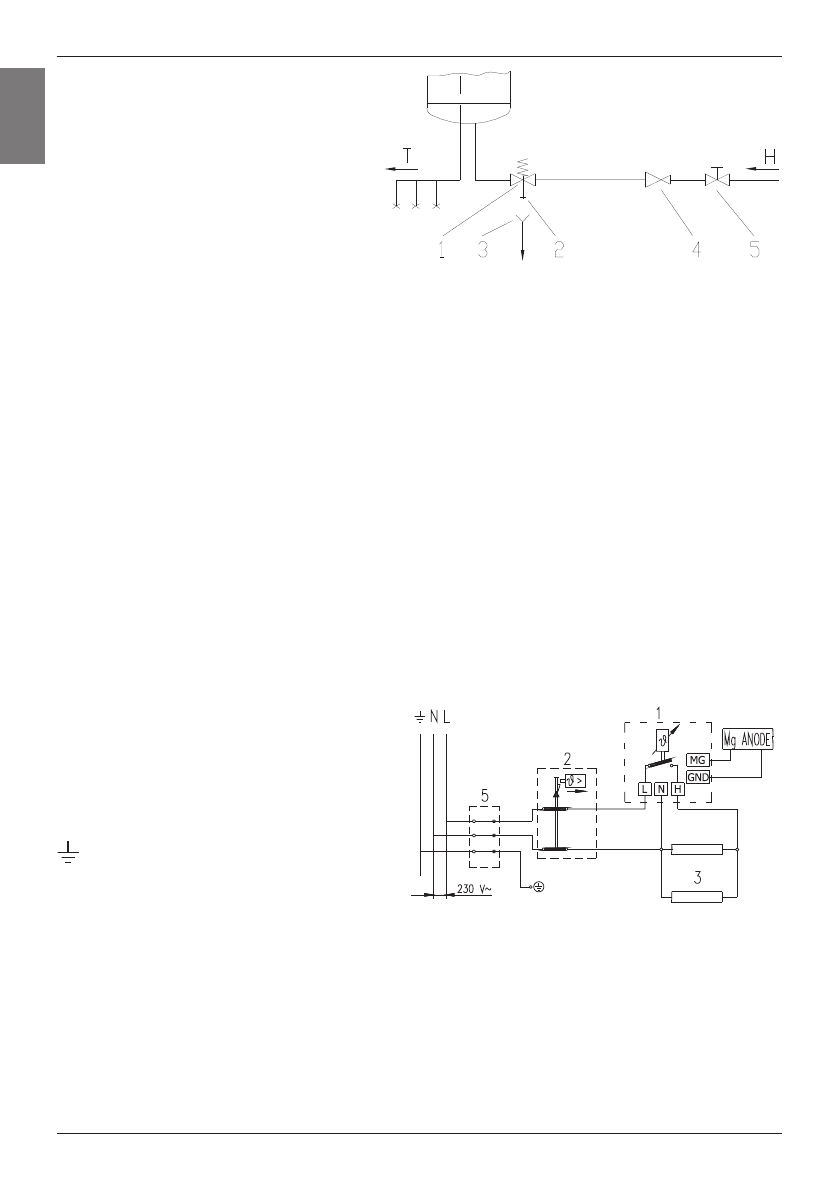
Elementi:
1 – drošības vārsts
2 – pārbaudes vārsts
3 – pretvārsts
4 – spiediena reducēšanas vārsts
5 – slēgvārsts
H – auksts ūdens
T – karsts ūdens
Montāžas shēma
Nedrīkst iemontēt slēgvārstu starp sildītāju un drošības pretvārstu, jo tādā veidā Jūs
padarīsiet par neiespējamu drošības pretvārsta darbību.
Sildītāju var pieslēgt mājas ūdensvada tīklam arī bez spiediena reducēšanas vārsta, ja
spiediens šai tīklā ir zemāks par 0,5MPa. Ja spiediens ūdensvada tīklā pārsniedz 1,0 MPa, ir
nepieciešams secīgi iemontēt divus spiediena reducēšanas vārstus. Pirms pieslēgt sildītāju
elektrotīklam, tas obligāti jāpiepilda ar ūdeni. Pie pirmās uzpildīšanas pagrieziet karstā ūdens
rokturi uz maisītāja. Sildītājs ir piepildīts, kad ūdens sāk tecēt no maisītāja izplūdes caurules.
PIESLĒGŠANA ELEKTROTĪKLAM
Pirms savieno ar elektroenerģijas padeves tīkla, instalējiet barošanas vadu, ūdens sildītājs,
ar min. diametrs ir 1,5 mm
2
(H05VV-F 3G1, 5mm
2
).
Lai to izdarītu, jānoņem plastika aizsargvāks. Sildītāja pieslēgšana elektrotīklam jāveic
saskaņā ar elektrotīklu noteiktajiem standartiem.
Elementi:
1 – elektroniskais termostats
2 – bimetāliskais drošinātājs
3 – sildīšanas elementi 1000 W
5 – pievienošanas skava
L – fāzes vads
N – neitrālais vads
- zemējuma vads
Elektriskā shēma
UZMANĪBU: Pirms izjaukt sildītāju, pārliecinieties, kas tas ir atvienots no elektrotīkla!
LA
V
Содержание
- 11 ТЕХНИЧЕСКИЕ ХАРАКТЕРИСТИКИ АППАРАТА; ПОДКЛЮЧЕНИЕ K ВОДОПРОВОДУ; смеситель в зависимости от выбранной системы подключения.
- 12 ПОДКЛЮЧЕНИЕ K ЭЛЕКТРОСЕТИ; Электросхема
- 13 Использование и техническое обслуживание; При нажатии кнопки программного обеспечения; Установка защиты от замерзания:; - при помощи кнопки
- 15 обращаться в сервисную службу.