Водонагреватели Gorenje GBFU100EB6 - инструкция пользователя по применению, эксплуатации и установке на русском языке. Мы надеемся, она поможет вам решить возникшие у вас вопросы при эксплуатации техники.
Если остались вопросы, задайте их в комментариях после инструкции.
"Загружаем инструкцию", означает, что нужно подождать пока файл загрузится и можно будет его читать онлайн. Некоторые инструкции очень большие и время их появления зависит от вашей скорости интернета.

QHYDLQRMDPL
(OHPHQWL
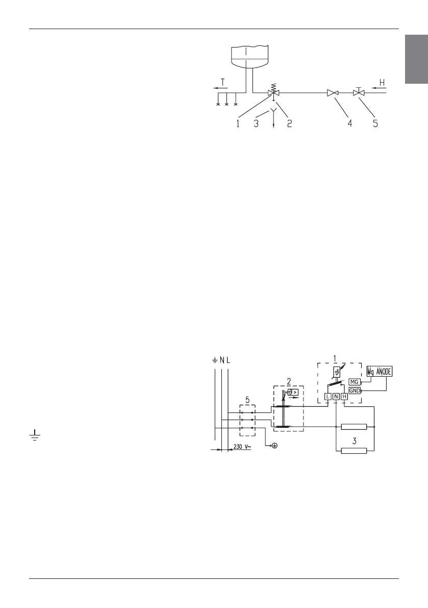
±GURãƯEDVYƗUVWV
±SƗUEDXGHVYƗUVWV
±SUHWYƗUVWV
±VSLHGLHQDUHGXFƝãDQDVYƗUVWV
±VOƝJYƗUVWV
+±DXNVWVnjGHQV
7±NDUVWVnjGHQV
0RQWƗåDVVKƝPD
1HGUƯNVWLHPRQWƝWVOƝJYƗUVWXVWDUSVLOGƯWƗMXXQGURãƯEDVSUHWYƗUVWXMRWƗGƗYHLGƗ-njV
SDGDUƯVLHWSDUQHLHVSƝMDPXGURãƯEDVSUHWYƗUVWDGDUEƯEX
6LOGƯWƗMX YDU SLHVOƝJW PƗMDV njGHQVYDGD WƯNODP DUƯ EH] VSLHGLHQD UHGXFƝãDQDV YƗUVWD MD
VSLHGLHQVãDLWƯNOƗLU]HPƗNVSDU03D-DVSLHGLHQVnjGHQVYDGDWƯNOƗSƗUVQLHG]03DLU
QHSLHFLHãDPVVHFƯJLLHPRQWƝWGLYXVVSLHGLHQDUHGXFƝãDQDVYƗUVWXV3LUPVSLHVOƝJWVLOGƯWƗMX
HOHNWURWƯNODPWDVREOLJƗWLMƗSLHSLOGDDUnjGHQL3LHSLUPƗVX]SLOGƯãDQDVSDJULH]LHWNDUVWƗnjGHQV
URNWXULX]PDLVƯWƗMD6LOGƯWƗMVLUSLHSLOGƯWVNDGnjGHQVVƗNWHFƝWQRPDLVƯWƗMDL]SOnjGHVFDXUXOHV
3,(6/Ɯ*â$1$(/(.7527Ʈ./$0
3LUPVVDYLHQRDUHOHNWURHQHUƧLMDVSDGHYHVWƯNODLQVWDOƝMLHWEDURãDQDVYDGXnjGHQVVLOGƯWƗMV
DUPLQGLDPHWUVLUPP
2
+99)*PP
2
/DL WR L]GDUƯWX MƗQRƼHP SODVWLND DL]VDUJYƗNV 6LOGƯWƗMD SLHVOƝJãDQD HOHNWURWƯNODP MƗYHLF
VDVNDƼƗDUHOHNWURWƯNOXQRWHLNWDMLHPVWDQGDUWLHP
(OHPHQWL
±HOHNWURQLVNDLVWHUPRVWDWV
±ELPHWƗOLVNDLVGURãLQƗWƗMV
±VLOGƯãDQDVHOHPHQWL:
±SLHYLHQRãDQDVVNDYD
/±IƗ]HVYDGV
1±QHLWUƗODLVYDGV
]HPƝMXPDYDGV
(OHNWULVNƗVKƝPD
8=0$1Ʈ%83LUPVL]MDXNWVLOGƯWƗMXSƗUOLHFLQLHWLHVNDVWDVLUDWYLHQRWVQRHOHNWURWƯNOD
LA
V
Характеристики
Остались вопросы?Не нашли свой ответ в руководстве или возникли другие проблемы? Задайте свой вопрос в форме ниже с подробным описанием вашей ситуации, чтобы другие люди и специалисты смогли дать на него ответ. Если вы знаете как решить проблему другого человека, пожалуйста, подскажите ему :)