Водонагреватели Ferroli PTO 80V GRN16WVA - инструкция пользователя по применению, эксплуатации и установке на русском языке. Мы надеемся, она поможет вам решить возникшие у вас вопросы при эксплуатации техники.
Если остались вопросы, задайте их в комментариях после инструкции.
"Загружаем инструкцию", означает, что нужно подождать пока файл загрузится и можно будет его читать онлайн. Некоторые инструкции очень большие и время их появления зависит от вашей скорости интернета.

6
7
Техническое обслуживание
1.
Поскольку  вода  содержит  микропримеси  и  минеральные  вещества,  после  длительного 
использования  на  дне  внутреннего  резервуара  будет  образовываться  осадок,  поэтому 
следует опорожнять водонагреватель для удаления отложений.
2.
Как правило, нагреватель следует чистить один раз в год. (Если он используется в регионах с 
низким качеством воды, период очистки должен быть соответственно короче.)
3.
Замена магниевого анода должна производиться сервисной службой.
4.
Процедуры опорожнения нагревателя:
Закройте кран на входе холодной
воды, открутите предохранительный клапан. Вода будет
вытекать через вход холодной воды, пока бак не опустеет. Или закройте клапан подачи воды, 
поднимите ручку предохранительного клапана. Вода вытечет из предохранительного клапана.
5.
Для  очистки  внешней  части  устройства,  не  распыляйте  воду  напрямую,  слегка  протрите  и 
просушите мягкой тканью.
6.
Держите внешнюю часть водонагревателя сухой и чистой.
Устранение неисправностей
Таблица 2
Возможна ошибка
Причина
Устранение
Вода не выходит
Неправильное соединение труб
Подключите правильно
Блокировка крана
Очистите или замените кран
Индикатор 
включения/выключен
ия не работает
Отсутствует подключение к сети 
электропитания
Проверьте электрическое 
соединение
Происходит перегрев
Сервисное обслуживание
Индикатор сломан
Недостаточно горячей 
воды
Ручка настройки температуры не была 
переключена в положение «High» 
(Высокая)
Поверните ручку в направлении
«High»
(Высокая)
Чрезвычайно холодная вода при 
использовании смесителя
Отрегулируйте смеситель горячей и 
холодной воды
Отказ термостата
Сервисное обслуживание
Отказ нагревательного элемента
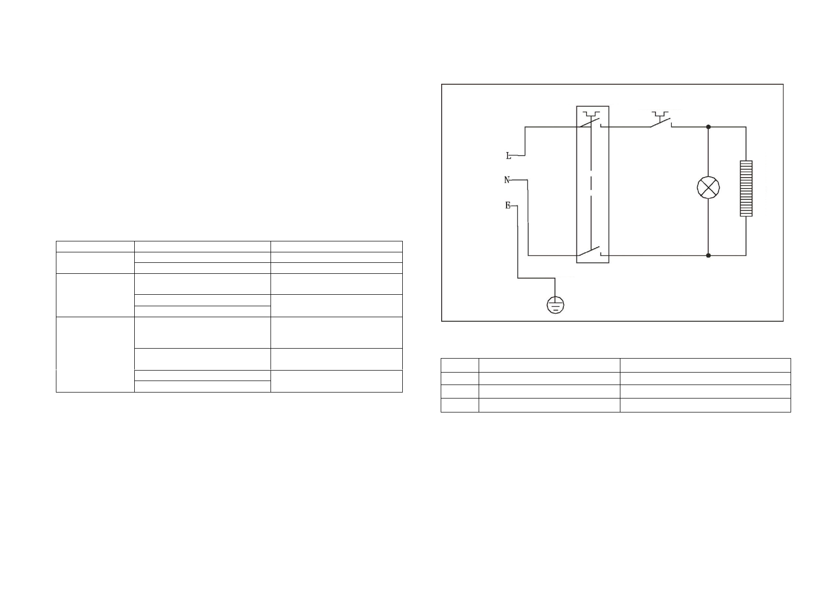
Схема проводки
Чертеж 4
Комплектация
Таблица 3
№
Название
Количество
1
Предохранительный клапан
1 штука
2
Руководство по эксплуатации
1 экземпляр
3
Прокладка
1 штука
Гарантия, срок службы и дата производства
Гарантийный срок на водонагреватели PTO составляет 1 год со дня продажи. Гарантийный срок 
на внутренний бак водонагревателя 
-
3 года со
дня продажи при условии замены
магниевого
анода не менее 1 раза в 2 года и наличия
надежного заземления.
Срок службы
водонагревателей PTO составляет 5 лет.
Дата производства оборудования находится на
шильдике котла, размещенном на корпусе и упаковке.
Дата
производства входит в состав
серийного номера и определяется следующим образом:
2018 09 071886
↓ ↓ ↓
Год
Неделя
Номер
Коричневый
Синий
Н
аг
ре
ват
ельн
ый
эл
ем
ент
Термостат
Терморазрыв
И
ндик
ат
ор
вк
лю
чен
ия
/вы
клю
чен
ия
Желтый/Зеленый
220-
240В~
50/60Гц

 
  
  
  
  
 