Водонагреватели ЭВАН ЭПВН-96А 2х30+2х18 13315 - инструкция пользователя по применению, эксплуатации и установке на русском языке. Мы надеемся, она поможет вам решить возникшие у вас вопросы при эксплуатации техники.
Если остались вопросы, задайте их в комментариях после инструкции.
"Загружаем инструкцию", означает, что нужно подождать пока файл загрузится и можно будет его читать онлайн. Некоторые инструкции очень большие и время их появления зависит от вашей скорости интернета.

Внимание! Наиболее оптимальная работа водонагревателя
достигает-
ся: при включении ступеней в порядке возрастания номеров, а при от-
ключении - в порядке убывания номеров.
Включившиеся световые сигналы сигнализируют о том, что напря-
жение поступает на ТЭНы этих ступеней. Если температура воды в во-
0
донагревателе выше 75 С, то напряжение на ТЭНы поступать не будет и
световые сигналы ступеней, находящихся в работе, не включатся.
7.1.4 Допускается небольшой шум при работе пульта управления.
7.2
Окончание
работы
7.2.1 По окончании работы переключите выключатель
в по-
СЕТЬ
ложение ОТКЛ
.
7.2.2 Если неработающий водонагреватель оставлен без присмотра,
необходимо отключить автоматический выключатель.
7.2.3 В случае отключения водонагревателя на зимний сезон
необходимо слить воду во избежание образования в нем льда.
8 Техническое обслуживание
Внимание! Безопасное и надежное функционирование
водонагре-вателя
зависит от его правильного и своевременного технического обслу-живания,
которое должно осуществляться исключительно организацией, имеющей
право на соответствующий вид работ.
8.1 Первое техническое обслуживание проводится в течении одного
месяца после окончания гарантийного срока эксплуатации.
Техническое обслуживание и ремонтные работы производить при
отключенном напряжении!
8.2 При проведении первого технического обслуживания (в случае, если
монтаж и обслуживание проводятся разными организациями) следует
убедиться в том, что монтаж и подключение выполнены в соот-ветствии с
требованиями настоящего руководства. Выявленные отклоне-ния устранить.
8.3 При техническом обслуживании водонагревателя производится его
осмотр, устранение накипи на ТЭНах, замер сопротивления изоляции
ТЭНов, ревизия пускателей, проверка целостности защитного проводника
РЕ и надежности его присоединений. Порядок и способы выполнения
указанных работ организация, их выполняющая, должна согласовать с
изготовителем.
После проведения технического обслуживания подготовка и пуск
водонагревателя в работу должны производиться с соблюдением всех
требований настоящего руководства.
8.4 Срок службы прибора, установленный изготовителем - 3 года от
даты подключения, если подключение произведено не позднее 3 месяцев от
даты продажи прибора.
По истечении срока службы необходимо вызвать специалиста
сервисного центра, который проводит освидетельствование прибора и
определяет возможность и условия его дальнейшей эксплуатации. При
несоблюдении указанного требования вся ответственность за последствия,
возникшие в процессе эксплуатации прибора после окончания срока его
службы, возлагается на потребителя.
- 9 -
- 8 -
С
еть
ПУСКА
ТЕ
ЛЬ
I с
екции
на ТЭНы I с
екции
Зажимы для сети
N
C
В
A
ПУЛЬТ УПРАВЛЕНИЯ
с пу
ль
та управ
ления
К
и
ры
м а
ш
Н
ка
Э
с
Т
ПУСКА
ТЕ
ЛЬ
II с
екции
на ТЭНы II с
екции
ПУСКА
ТЕ
ЛЬ
III с
екции
на ТЭНы III с
екции
А
В
С
К
и
ры
м а
ш
Н
ка
Э
с
Т
А
В
С
А
В
С
А
В
С
А
В
С
Кр
и
ы
м а
ш
Н
ка
Э
с
Т
А
В
С
ПУСКА
ТЕ
ЛЬ
IV
с
екции
на ТЭНы IV
с
екции
А
В
С
Кр
и
ы
м а
ш
Н
ка
Э
с
Т
А
В
С
ПЛА
Т
А
УПР
АВ
ЛЕНИЯ
Да
тчик
тер
море-
гу
лят
ора
(4 шт)
Т
ер
мо-
выклю-
ча
тель
(2 шт)
ВОДО-
НАГРЕ-
ВАТЕЛЬ
II с
екция
I с
екция
III с
екция
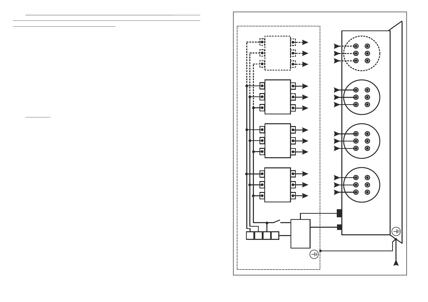
Рис
унок 3 - Эл
ектриче
ск
ая с
х
ема подк
лю
чения
IV
с
екция
РЕ
Содержание
- 2 Таблица 1; Наименование; Характеристика выполненной; Расход электроэнергии за 1 час работы; водонагревателя; Отметка; Соответствует требованиям:
- 3 Таблица 2; Водонагреватель в соответствии с рисунком 1 состоит из следу-
- 4 Рис
- 5 Таблица 3; Название; Требования; Внимание! Качество воды, протекающей через водонагреватель,; Любой ремонт прибора (включая гарантийный) оформляется; Запрещается включать водонагреватель; датчиков; Запрещается включать водонагреватель при:; Га р а н т и й н ы й р е м о н т в о д о н а г р е в а т е л я о ф о р м л я е т с я
- 6 Монтаж
- 7 ЭПВН; Водонагреватель устанавливается только в горизонтальном; СЕТЬ; Таблица 4; Возможная; ческим
- 8 Техническое обслуживание; Внимание! Безопасное и надежное функционирование; Первое техническое обслуживание проводится в течении одного; Техническое обслуживание и ремонтные работы производить при; После проведения технического обслуживания подготовка и пуск; ПУЛЬТ УПРАВЛЕНИЯ; ВАТЕЛЬ