Водонагреватели ЭВАН B1-15 - инструкция пользователя по применению, эксплуатации и установке на русском языке. Мы надеемся, она поможет вам решить возникшие у вас вопросы при эксплуатации техники.
Если остались вопросы, задайте их в комментариях после инструкции.
"Загружаем инструкцию", означает, что нужно подождать пока файл загрузится и можно будет его читать онлайн. Некоторые инструкции очень большие и время их появления зависит от вашей скорости интернета.

- 9 -
ПАНЕЛЬ
РЕ
Блок с ТЭНом
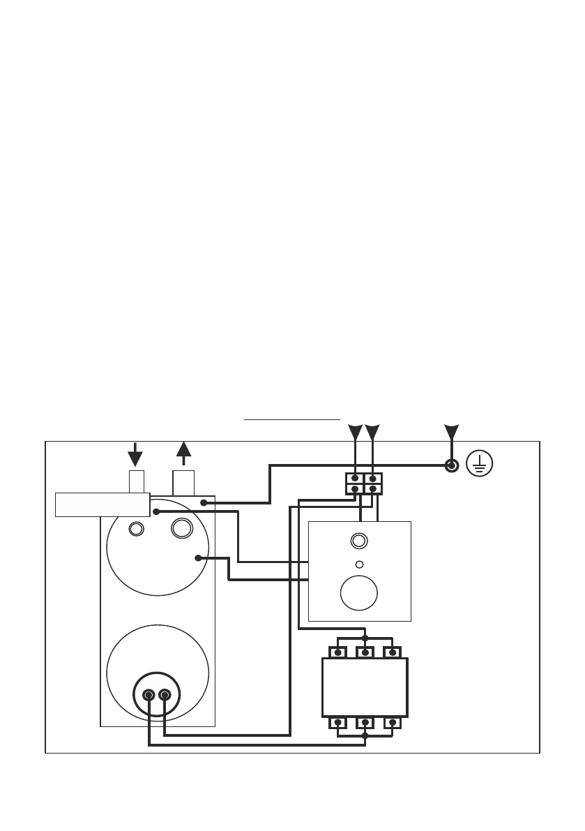
Рисунок 5. Электрическая схема подключения
ЭВАН-В1 -6
Зажим для
защитного
проводника РЕ
ПУСКАТЕЛЬ
N
А
ПУ
ЛЬ
Т
УПР
АВ
ЛЕНИЯ
1
3
5
2
4
6
Датчик
терморегулятора
НАГРЕВ
ТЕМПЕРАТУРА
СЕТЬ
Термовыключатель
без самовозврата
7
Порядок
работы
7.1 Включение водонагревателя
7.1.1 Проверьте наличие воды в системе путем открытия разборного
крана.
7.1.2 Перед включением
необходимо проверить
водонагревателя
автоматический выключатель: если он отключен - включить.
7.2 Порядок работы водонагравателей
ЭВАН-В1
7.2.1 В
управляется с пульта управления.
одонагреватель
7.2.2
Поверните ручку терморегулятора против часовой стрелки до
упора. Переключите выключатель
в положение “I”. При поступлении
СЕТЬ
напряжения на пульт управления на выключателе появляется световой
сигнал.
Поверните ручку терморегулятора по часовой стрелке до включения
светового сигнала
сигнализирующего о том, что напряжение
НАГРЕВ,
поступает и на ТЭНы водонагревателя.
7.2.3 Выбор желаемого температурного режима нагреваемой воды
о с у щ е с т в л я е т с я п л а в н о й н а с т р о й к о й т е р м о р е г у л я т о р а р у ч к о й
“ТЕМПЕРАТУРА”.
7.2.4 Допускается небольшой шум при работе пульта управления.
Содержание
- 2 Таблица 1; МПа
- 3 Продолжение таблицы 1; водонагревателя; Таблица 2
- 4 Устройство водонагревателя; сигнальной ламп
- 6 РЕ; автоматического
- 7 о р г а н и з а ц и и ,; Монтаж; Монтаж и подключение
- 8 унке 3; В соответствии с рисунком 1,; Принципиальная схема водо; Принципиальная схема водопроводной сети; Название; Таблица 4
- 9 ПАНЕЛЬ; Рисунок 5. Электрическая схема подключения; Порядок; Проверьте наличие воды в системе путем открытия разборного; Порядок работы водонагравателей; управляется с пульта управления.; СЕТЬ
- 10 Рисунок 6. Электрическая схема подключения; Рисунок 7. Электрическая схема подключения
- 11 Рисунок 8. Электрическая схема подключения
- 12 Техническое; Техническое обслуживание и ремонтные работы производить при
- 13 н е о бхо д и м о в п о м е щ е н и я х с; Возможная; 0 Возможные неисправности и методы их устранения*; Метод устранения; О б р а т и тс я в
- 14 1 Свидетельство о приемке и продаже; Водонагреватель; 2 Гарантии изготовителя
- 15 4 Отметка о проведенных работах; Соответствует требованиям:
Характеристики
Остались вопросы?Не нашли свой ответ в руководстве или возникли другие проблемы? Задайте свой вопрос в форме ниже с подробным описанием вашей ситуации, чтобы другие люди и специалисты смогли дать на него ответ. Если вы знаете как решить проблему другого человека, пожалуйста, подскажите ему :)