Водонагреватели Electrolux MINIFIX NP4 - инструкция пользователя по применению, эксплуатации и установке на русском языке. Мы надеемся, она поможет вам решить возникшие у вас вопросы при эксплуатации техники.
Если остались вопросы, задайте их в комментариях после инструкции.
"Загружаем инструкцию", означает, что нужно подождать пока файл загрузится и можно будет его читать онлайн. Некоторые инструкции очень большие и время их появления зависит от вашей скорости интернета.

водонагреватели
3
Общие сведения
Водонагреватель проточного типа
предназначен для нагрева холодной
воды, поступающей из водопровода.
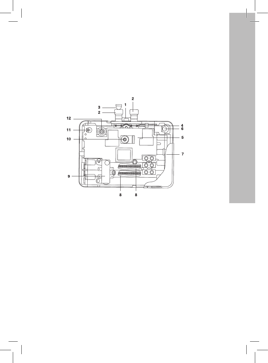
Обзор конструкции водонагревате-
ля и его запчастей
1
Крепежная планка
2
Ниппель подсоединения воды
3
Фильтрующая сеточка
4
Скоба заземления
5
Блок управления (электронный)
6
Проходной изолятор
7
Крышка прибора
8
Спиральный нагревательный эле
мент с держателем
9
Температурный предохранитель
10
Датчик температуры
11
Потенциометр для температурной
установки
12
Регулировочный винт протока воды
рис. 1. NPX Minifix
Содержание
- 3 водонагреватели; Общие сведения
- 5 Применение
- 6 NPX MINIFIX; Деаэрация; выключив предохранители.
- 7 Уход и техобслуживание
- 8 Электрическое подключение
- 9 Ввод в эксплуатацию
- 10 Кодировка и значение светодиодов; Состояние индикатора; Загорается во время нагрева воды.; NPX MINIFX и NP MINIFIX; Экономия энергии
- 11 Технические данные
- 12 Неисправность; Утилизация
- 13 Сертификация; Орган по сертификации:; Сделано в Германии
- 14 Га ран тий ный та лон












