Водонагреватели Electrolux EWH 80 AXIOmatic - инструкция пользователя по применению, эксплуатации и установке на русском языке. Мы надеемся, она поможет вам решить возникшие у вас вопросы при эксплуатации техники.
Если остались вопросы, задайте их в комментариях после инструкции.
"Загружаем инструкцию", означает, что нужно подождать пока файл загрузится и можно будет его читать онлайн. Некоторые инструкции очень большие и время их появления зависит от вашей скорости интернета.

10
electrolux
водонагреватели
11
Га ран тий ное об слу жи ва ние про из во дит ся в
со от вет ствии с га ран тий ны ми обя за тель ст ва-
ми, пе ре чис лин ны ми в га ран тий ном та ло не.
Из го то ви тель ос тав ля ет за со бой пра во на
вне се ние из ме не ний в кон струк цию и ха рак-
те ри с ти ки при бо ра, без предварительного
уведомления.
Срок службы водонагревателя составляет
10 лет.
Утилизация
По окон ча нии сро ка служ бы водонагрева-
тель сле ду ет ути ли зи ро вать. По дроб ную
ин фор ма цию по ути ли за ции водонагрева-
теля Вы мо же те по лу чить у пред ста ви те ля
ме ст но го ор га на вла с ти.
Сертификация
ТТовар сертифицирован на территории
России, соответствует требованиям нор
мативных документов:
ГОСТ Р 51318.14.1-2006,
ГОСТ Р 51318.14.2-2006,
ГОСТ Р 51317.3-2006,
ГОСТ Р 51317.3.3-2008
СТБ МЭК 60335-2-21-2005
Сертификат соответствия:
RU C-SE.AB51.B.00083
Срок действия:
с 12.02.2013 г. по 11.02.2015 г.
Орган по сертификации:
ООО «ГОСТЭКСПЕРТСЕРВИС»,
рег. № РОСС RU.0001.11АВ51
Адрес:
РФ, 109599, г. Москва,
ул. Краснодарская, д. 74, корп. 2, пом. ХII
Тел.: 8 (495) 991-45-42
Факс: 8 (499) 372-01-67
Информация о сертификации продукции
обновляется ежегодно. (При отсутствии
копии нового сертификата в коробке,
спрашивайте копию у продавца).
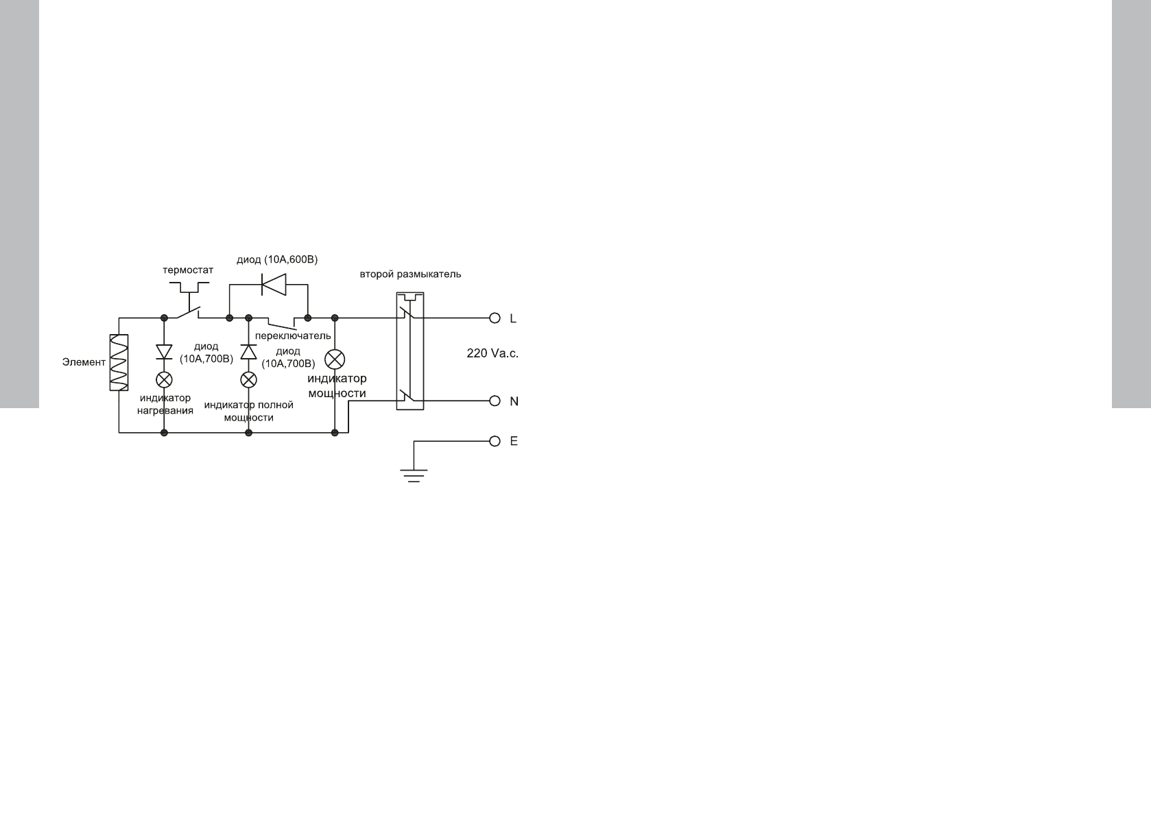
Схема электрических соединений
Сертификат выдан:
фирма AB Electrolux
S:T G
ö
ransgatan 143, SE-105 45 Stockholm,
Швеция, тел.: +46 8 738 60 00.
Дата производства указывается на этикет
ке на коробке.
Импортер и уполномоченный представитель:
ООО «Ай.Эр.Эм.Си.»
Адрес:
119049, г.Москва, Ленинский проспект,
д.6, стр.7, каб.14
Собрано в Китае
«ELECTROLUX is a registered trademark used
under license from AB Electrolux (publ)»
Электролюкс – зарегистрированная торговая
марка, используемая в соответствии с лицен-
зией Электролюкс АБ (публ.)
АБ Электролюкс, С:т Горансгатан 143,
СЕ – 105 45, Стокгольм, Швеция.
Содержание
- 3 Монтаж водонагревателя
- 4 Эксплуатация; Неисправность; Устранение неполадок
- 5 Уход и техническое обслуживание; Питание
- 6 Утилизация; Сертификат соответствия:; Схема электрических соединений; фирма AB Electrolux; Импортер и уполномоченный представитель:; Собрано в Китае
- 7 Га ран тий ный та лон
- 8 Гарантійний талон