Водонагреватели Electrolux EWH 30 Formax DL - инструкция пользователя по применению, эксплуатации и установке на русском языке. Мы надеемся, она поможет вам решить возникшие у вас вопросы при эксплуатации техники.
Если остались вопросы, задайте их в комментариях после инструкции.
"Загружаем инструкцию", означает, что нужно подождать пока файл загрузится и можно будет его читать онлайн. Некоторые инструкции очень большие и время их появления зависит от вашей скорости интернета.

водонагреватели
13
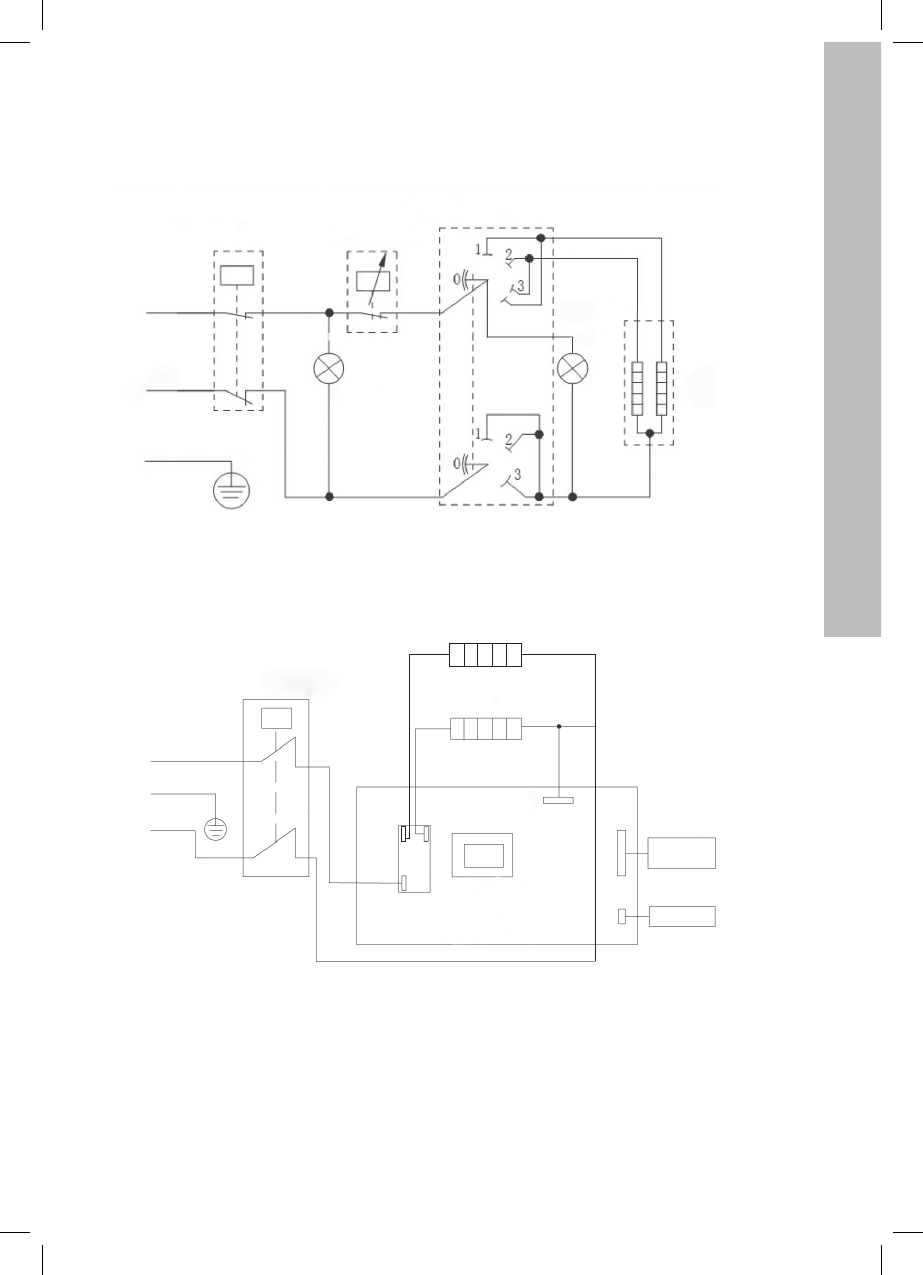
Коричневый
Синий
Желтый/зеленый
Реле температуры
Термостат
Световой
индикатор питания
Переключатель
Нагревательный
элемент
Световой
индикатор нагрева
Схема электрических соединений
для EWH Formax
Схема электрических соединений
для EWH Formax DL
Коричневый
Желтый/зеленый
Синий
Реле температур
Нагревательный
элемент
Электронное
Реле
Плата питания
Трансформатор
Контрольная панель
Датчик питания
Содержание
- 3 водонагреватели; Введение; Автоматический контроль температуры
- 4 Монтаж водонагревателя
- 5 После выбора места монтажа определите; Если ванная комната слишком мала для; Подключение к водопроводу; Для подключения водонагревателя к водо-
- 6 Подключение к электрической сети; Наполнение водой
- 7 Панель управления Formax DL; Установка температуры
- 8 Включение и установка температуры; Меры предосторожности
- 10 Отказы; Устранение неполадок
- 11 Технические характеристики
- 12 Уход и техническое обслуживание; Слив воды
- 14 Утилизация; Сертификат соответствия:; фирма AB Electrolux; Импортер и уполномоченный представитель:; Собрано в Китае
- 16 Га ран тий ный та лон; Модель
- 20 Для заметок













