Водонагреватели Electrolux EWH 100 Formax - инструкция пользователя по применению, эксплуатации и установке на русском языке. Мы надеемся, она поможет вам решить возникшие у вас вопросы при эксплуатации техники.
Если остались вопросы, задайте их в комментариях после инструкции.
"Загружаем инструкцию", означает, что нужно подождать пока файл загрузится и можно будет его читать онлайн. Некоторые инструкции очень большие и время их появления зависит от вашей скорости интернета.

водонагреватели
13
Коричневый
Синий
Желтый/зеленый
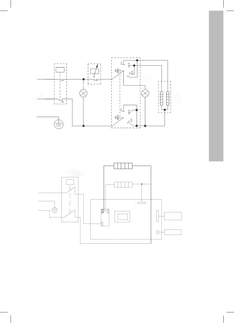
Реле температуры
Термостат
Световой
индикатор питания
Переключатель
Нагревательный
элемент
Световой
индикатор нагрева
Схема электрических соединений
для EWH Formax
Схема электрических соединений
для EWH Formax DL
Коричневый
Желтый/зеленый
Синий
Реле температур
Нагревательный
элемент
Электронное
Реле
Плата питания
Трансформатор
Контрольная панель
Датчик питания













