Водонагреватели Drazice OKC NTR/BP , 160 л 110670101 - инструкция пользователя по применению, эксплуатации и установке на русском языке. Мы надеемся, она поможет вам решить возникшие у вас вопросы при эксплуатации техники.
Если остались вопросы, задайте их в комментариях после инструкции.
"Загружаем инструкцию", означает, что нужно подождать пока файл загрузится и можно будет его читать онлайн. Некоторые инструкции очень большие и время их появления зависит от вашей скорости интернета.

-
19
-
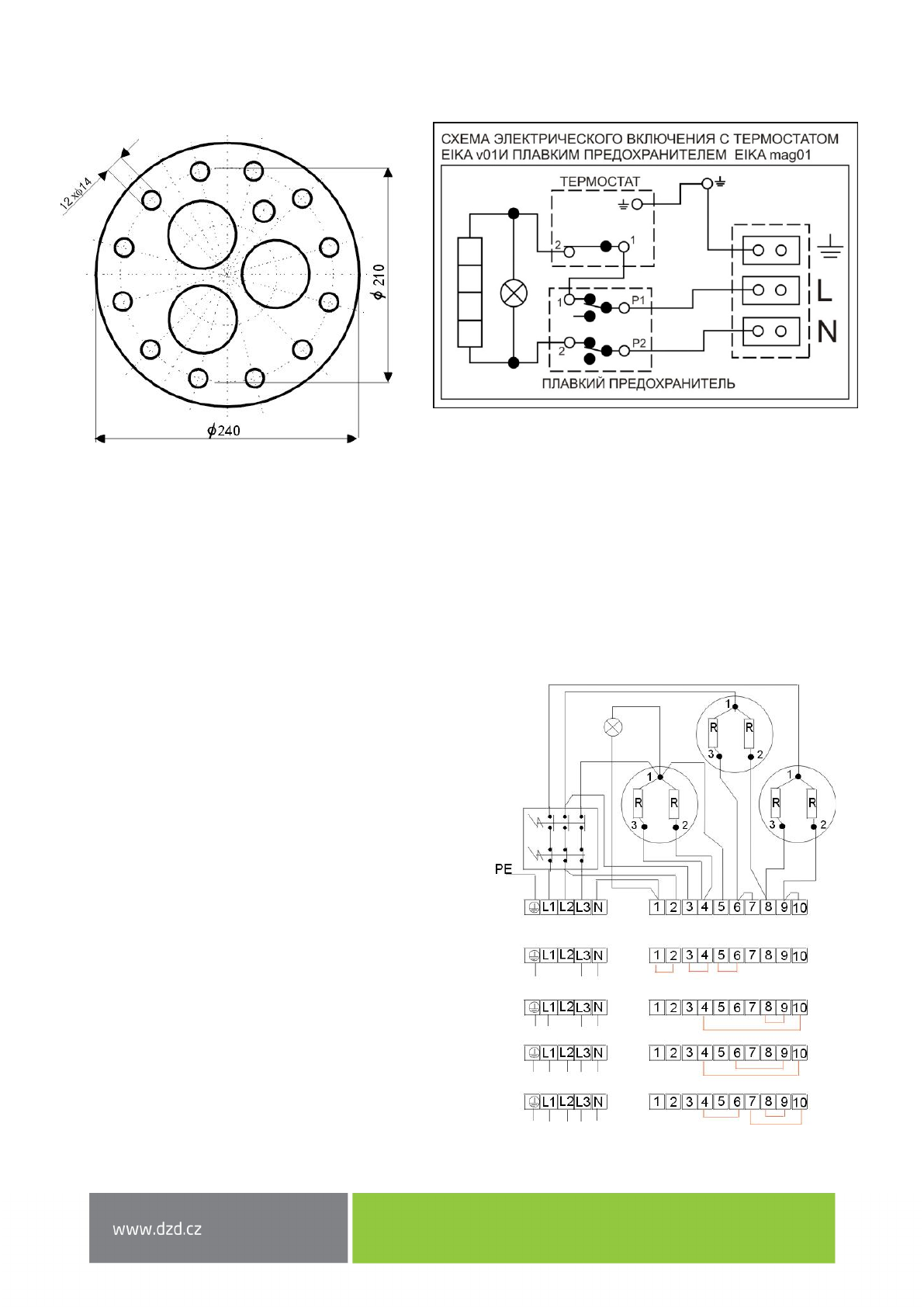
Схема подключения
TPK 210
-
12/5
-
9 кВт
Нагревательный блок 2,2 кВт
TPK 210
-
12/8
-
12 кВт
Рисунок
10
Рисунок
11
Схема подключения
Нагревательный блок 3
-
6 кВт
Нагревательный блок 3
-
6 кВт позволяет осуществлять 4 универсальных типа подключения
в зависимости от требуемой продолжительности нагрева или возможностей электрической сети
в месте пользования.
TPK 3 - 6
кВт
R ~ 1 кВт
Достижение выбранной мощности отопительного
блока достигается подключением подающего
кабеля к клеммам L1,L2,L3,
N и подключением
клемм к клеммной плате 1
-
10 согласно следующим
схемам:
3
кВт
1 PE
-
N AC 230 В / 50 Гц
3
кВт
2 PE
-
N AC 400 В / 50 Гц
4
кВт
3 PE
-
N AC 400 В / 50 Гц
6
кВт
3 PE
-
N AC 400 В / 50 Гц
Рисунок
12