Водонагреватели DEXP WH-SF100EDAL/W - инструкция пользователя по применению, эксплуатации и установке на русском языке. Мы надеемся, она поможет вам решить возникшие у вас вопросы при эксплуатации техники.
Если остались вопросы, задайте их в комментариях после инструкции.
"Загружаем инструкцию", означает, что нужно подождать пока файл загрузится и можно будет его читать онлайн. Некоторые инструкции очень большие и время их появления зависит от вашей скорости интернета.

.
В случае повреждения частей и компонентов водонагревателя обратитесь в авторизированный
сервисный центр для ремонта.
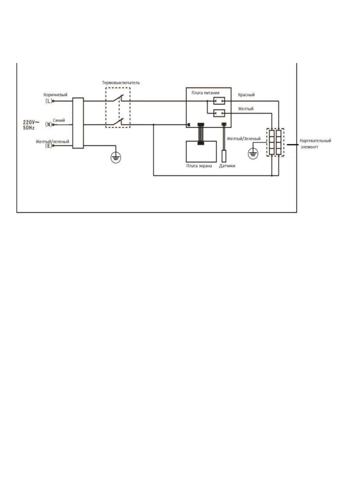
Электрическая схема
Примечание: для
подключения электропитания к бойлеру рекомендуется провести от
распределительного щита квартиры отдельный кабель сечением медной жилы не менее 2,5 мм, а сам
распределительный щит обязательно оснастить прибором УЗО для защиты от поражения электрическим
током в случае утечки электричества на корпус бойлера.
Управление устройством
1.
Переключатель включения/выключения устройства.
Для включения устройства переведите регулятор в положение 1.
Для выключения устройства переведите регулятор в положение 0.
2.
Регулятор температуры.
Регулятор позволяет регулировать температуру нагрева воды от 30
о
С (минимальное значение) до
78
о
С (максимальное значение).
Для выключения нагрева воды переведите регулятор в положение «Выключение».
Установка водонагревателя
1.
Данный водонагреватель должен устанавливаться на несущую стену. Если стена не способна
выдерживать двойной вес водонагревателя, наполненного водой, необходимо установка
дополнительного усиления. Если в кирпичной стене имеются отверстия, заполните их цементным
раствором.
2.
После выбора подходящего места установки определите положение двух отверстий для распорных
болтов с крюком (определяется согласно спецификации устройства). Просверлите два отверстия на
одном уровне глубиной 100 мм в стене с помощью ударной дрели по размеру распорных болтов,
идущих в комплекте с водонагревателем, вкрутите болты крюком вверх, закрутите гайки плотно,
после этого повесьте водонагреватель на крюки.