Водонагреватели De Dietrich BPB 500 - инструкция пользователя по применению, эксплуатации и установке на русском языке. Мы надеемся, она поможет вам решить возникшие у вас вопросы при эксплуатации техники.
Если остались вопросы, задайте их в комментариях после инструкции.
"Загружаем инструкцию", означает, что нужно подождать пока файл загрузится и можно будет его читать онлайн. Некоторые инструкции очень большие и время их появления зависит от вашей скорости интернета.

4.7.2.
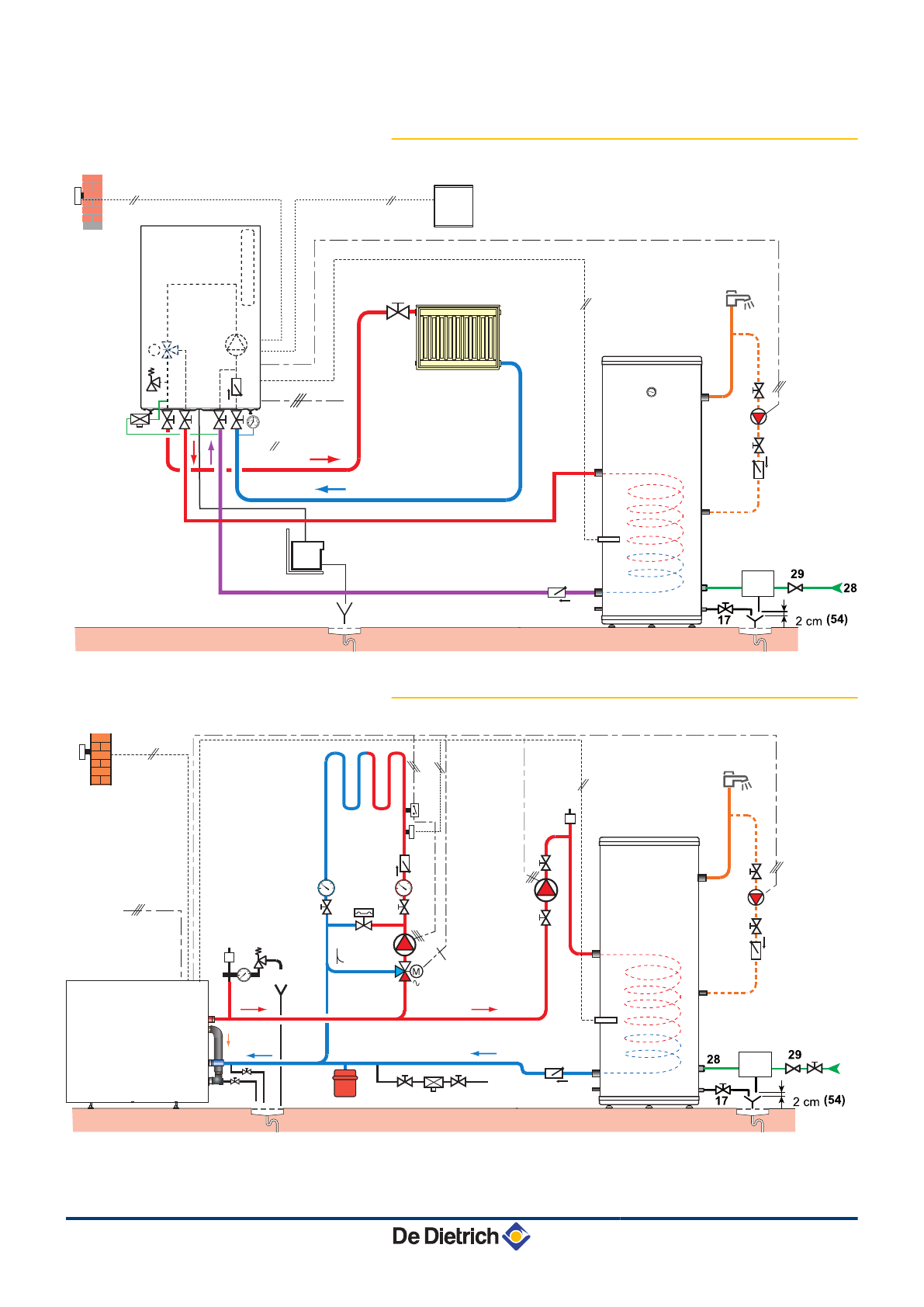
Пример с настенным котлом или
тепловым насосом
4.7.3.
Пример с напольным котлом
68
9
9
27
27
32
33
25
56
L000369-B
24
30
50
50Hz
230V
46
16
64
67
B
A
11
21
27
9
1
4
2
3
50
18
9
9
9
9
9
27
27
32
16
33
25
26
56
57
21
50Hz
230V
7
2
3
4
1
7
17
65
9
9
52
11
10
27
°C
°C
23
44
L000368-B
4
24
30
9
A
BPB 150...500
4. Установка
05/06/2012 - 300027339-001-A
16













