Водонагреватели Bosch WTD 12 AME (Therm 4000 S) - инструкция пользователя по применению, эксплуатации и установке на русском языке. Мы надеемся, она поможет вам решить возникшие у вас вопросы при эксплуатации техники.
Если остались вопросы, задайте их в комментариях после инструкции.
"Загружаем инструкцию", означает, что нужно подождать пока файл загрузится и можно будет его читать онлайн. Некоторые инструкции очень большие и время их появления зависит от вашей скорости интернета.

6 720 812 874 (2017/01)
Therm 4000 S
Информация об изделии | 9
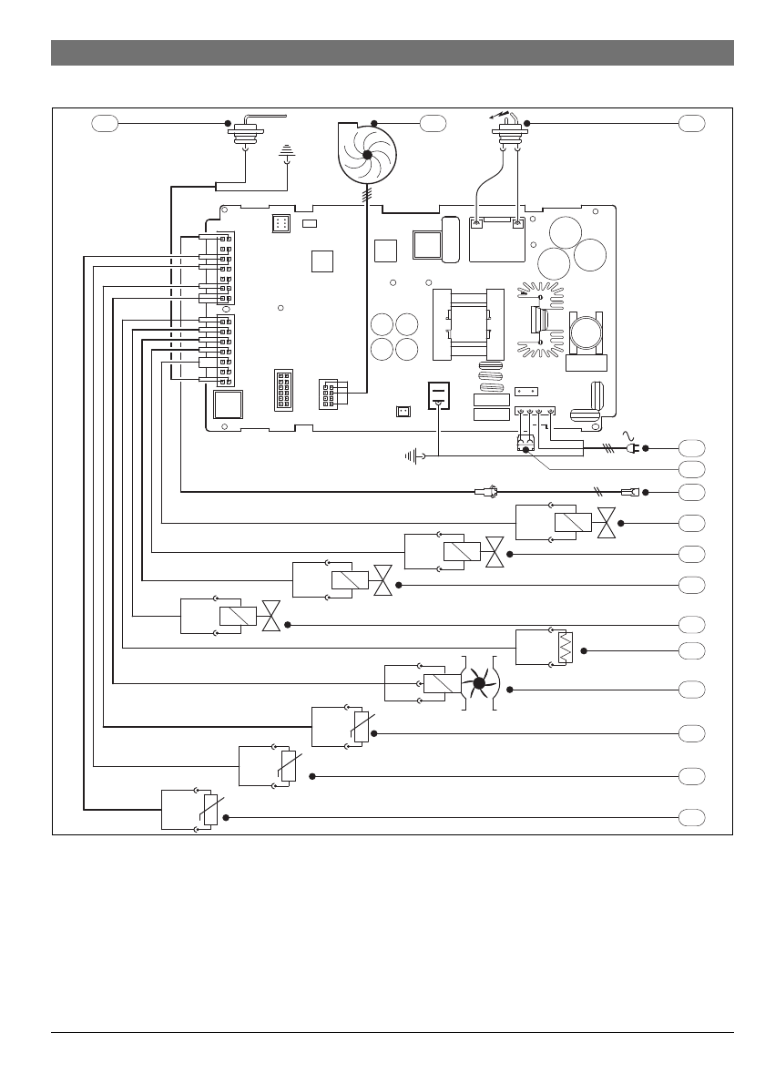
2.10 Электрическая схема
Рис. 3
Электрическая схема
[1] Ионизационный электрод
[2] Вентилятор
[3] Запальный электрод
[4] Электропитание
[5] Подключение защиты от замерзания
[6] Подключение для дистанционного управления
[7] Электромагнитный клапан 1
[8] Электромагнитный клапан 2
[9] Электромагнитный клапан 3
[10] Электромагнитный клапан 4
[11] Термическая защита
[12] Расходомер
[13] Датчик температуры воздуха в корпусе
[14] Датчик температуры горячей воды
[15] Датчик температуры холодной воды
6720804089-10.1V
1
3
2
4
6
7
8
9
10
11
12
13
14
15
230 V
AC
M1
5
Характеристики
Остались вопросы?Не нашли свой ответ в руководстве или возникли другие проблемы? Задайте свой вопрос в форме ниже с подробным описанием вашей ситуации, чтобы другие люди и специалисты смогли дать на него ответ. Если вы знаете как решить проблему другого человека, пожалуйста, подскажите ему :)












