Водонагреватели Bosch WST 160 RO - инструкция пользователя по применению, эксплуатации и установке на русском языке. Мы надеемся, она поможет вам решить возникшие у вас вопросы при эксплуатации техники.
Если остались вопросы, задайте их в комментариях после инструкции.
"Загружаем инструкцию", означает, что нужно подождать пока файл загрузится и можно будет его читать онлайн. Некоторые инструкции очень большие и время их появления зависит от вашей скорости интернета.

8
|
Установка прибора
RU
6 720 617 285 (2008/06)
3.5
Монтаж
Для уменьшения естественных (гравитационных)
циркуляционных потерь тепла:
B
Вмонтировать во все контуры бойлера обратные
клапаны.
-ИЛИ-
B
Конструкция подсоединяемых к бойлеру
водопроводов должна исключать естественную
циркуляцию.
B
Смонтировать без натяжений соединительные
трубопроводы.
3.5.1
Циркуляция
B
Вытащить термометр на верхней крышке бойлера.
B
Снять верхнюю крышку бойлера.
B
Удалить с помощью инструмента отмеченную
перфорацией часть в центре внутренней стороны
крышки бойлера.
B
Удалить заглушку циркуляционного соединения.
B
Снова установить верхнюю крышку бойлера и
вставить термометр.
B
Установить погружную гильзу ZL 102/1
(принадлежность), циркуляционный насос для
санитарной воды и соответствующий обратный
клапан.
Размерность водопровода циркуляции горячей воды
следует определять в соответствии с DVGW, рабочая
таблица W 553.
В зданиях с не более, чем с 4-мя квартирами, можно
не проводить детальный расчет циркуляционного
водопровода горячей воды, если соблюдены
следующие условия:
•
Внутренний диаметр циркуляционных, отдельных и
сборных линий не менее 10 мм
•
Циркуляционный насос DN 15 с максимальным
протоком 200 л/ч и напором 100 мбар
•
Длина линий горячей воды макс. 30 м
•
Длина линий циркуляционной системы макс. 20 м
•
Снижение температуры макс. 5 K
(DVGW, рабочая таблица W 551)
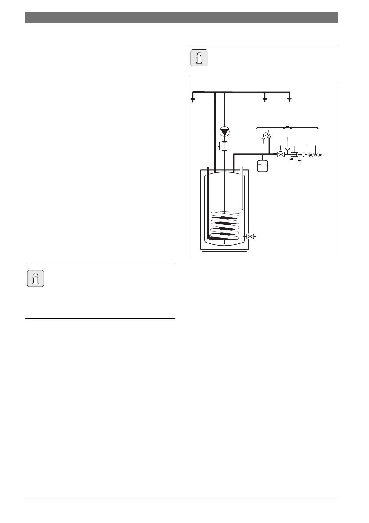
Рис 4
Схема подключения со стороны санитарной
воды
BWAG
Pасширительный бак (рекомендация)
E
Опорожнение
KW
Ввод холодной воды
R
SP
Обратная линия бойлера R
¾
(наружная резьба)
SG
Группа безопасности по DIN 1988
V
SP
Подающая линия бойлера R
¾
(наружная резьба)
WW
Горячая вода R
¾
(наружная резьба)
ZL
Подключение циркуляции
10
Предохранительный клапан
14
Сток
15.1
Контрольный клапан
15.2
Обратный клапан
15.3
Патрубок для манометра
15.4
Запорный вентиль
20
Циркуляционный насос на месте монтажа
21
Запорный вентиль (на месте монтажа)
22
Pедукционный клапан (при необходимости, опция)
Принимая во внимание потери тепла,
возникающие при остывании воды,
использовать только циркуляционный
насос ГВС, имеющий регулировку в
зависимости от времени и/или
температуры.
Для простого соблюдения этих правил:
B
Установить регулирующий вентиль с
термометром.
KW
WW
ZL
V
R
Sp
Sp
15.2
20
E
BWAG
6 720 612 383-04.1R
10
14
SG
15.4
15.3
15.2
21
22
15.1
Содержание
- 2 Содержание
- 3 Указания по технике безопасности и пояснения к символам; Указания по технике безопасности
- 4 Данные приборов; Применение; Бойлер
- 5 Монтажные и присоединительные размеры; Размеры за косой чертой относятся к следующей модели бойлера.; Размеры расстояний до стены; Рекомендуемые размеры расстояний до стены; KW; ZL
- 6 Технические данные; Мощность протока бойлера горячей воды:; санитарной воды в; На диаграмме потери давления в сети
- 7 Установка прибора; Предписания; EnEG; Транспортировка
- 8 Монтаж; Циркуляция; Схема подключения со стороны санитарной; BWAG
- 9 Подключение нагревающего контура
- 10 Электрические соединения; Подключение к газовому отопительному; Modul
- 11 Ввод в эксплуатацию; Подготовка к эксплуатации; Бак
- 12 Прекращение работы бойлера; Прекращение работы бойлера; Упаковка
- 13 Проверка/техобслуживание; Рекомендация пользователю
- 14 Сбои; Засорение патрубков
- 15 Гарантийные обязательства (Российская Федерация и БЕЛАРУСЬ)













