Водонагреватели Bosch EWH 80C - инструкция пользователя по применению, эксплуатации и установке на русском языке. Мы надеемся, она поможет вам решить возникшие у вас вопросы при эксплуатации техники.
Если остались вопросы, задайте их в комментариях после инструкции.
"Загружаем инструкцию", означает, что нужно подождать пока файл загрузится и можно будет его читать онлайн. Некоторые инструкции очень большие и время их появления зависит от вашей скорости интернета.

Размеры и технические характеристики
|
7
RU
8 739 722 709
2.7
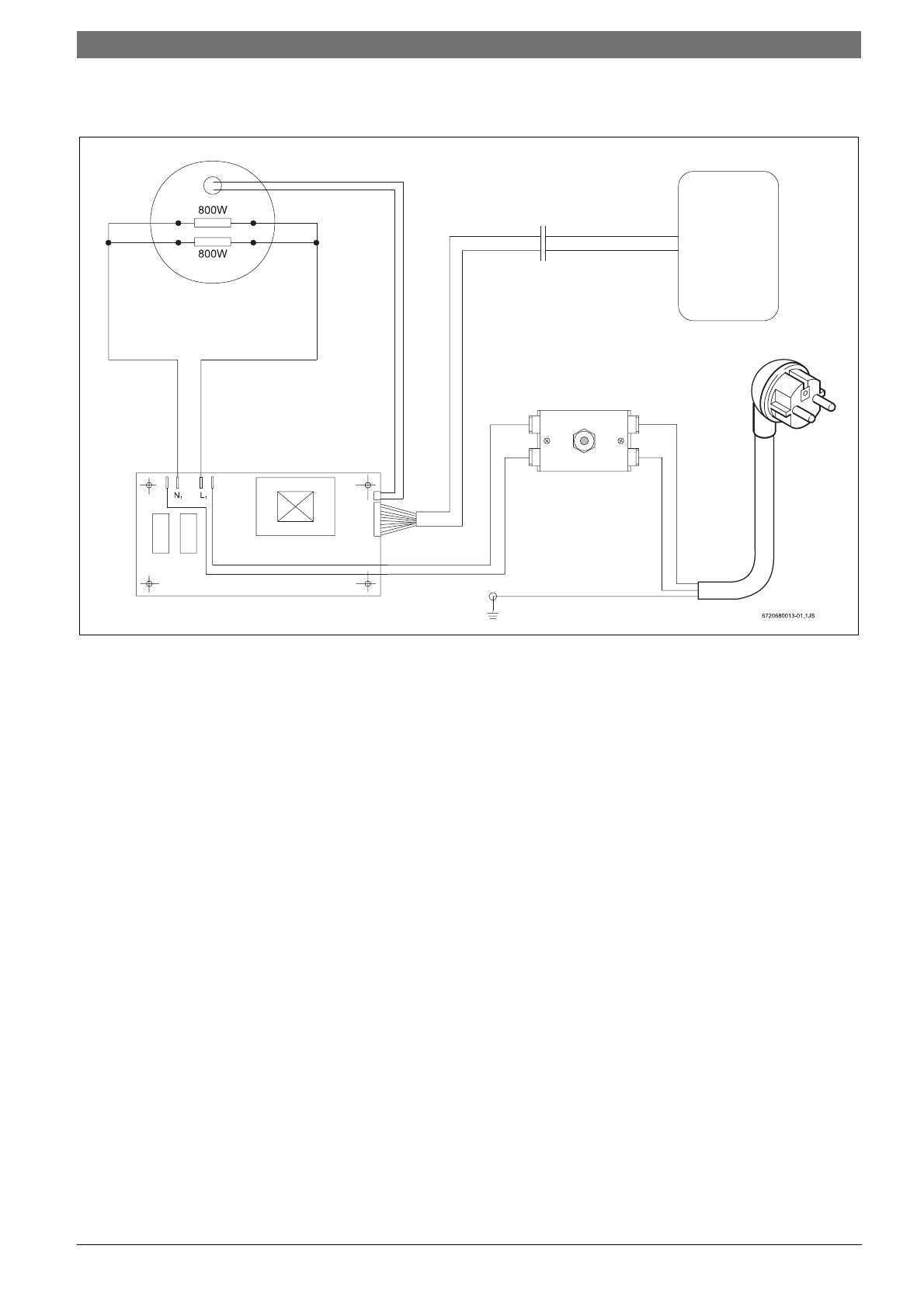
Электрическая схема
Рис 4
Принципиальная электрическая схема
Примечание:
В соответствии с нормативными
требованиями сечение элетрического
кабеля у всех моделей серии EWH
составляет:
минимум 1,0мм
2
макс. 2,5мм
2
Нагревательный
элемент
Синий
пров
од
Коричневый
пров
од
Датчик температуры
воды
Трансформатор
Блок питания
Провод питания
панели управления
Панель
Управления
Коричневый
пров
од
Коричневый
пров
од
Синий
пров
од
Синий
пров
од
Предохранитель
Зелено-желтый провод
Ка
бель
с
вилк
ой












