Водонагреватели Baxi UB 80-120 - инструкция пользователя по применению, эксплуатации и установке на русском языке. Мы надеемся, она поможет вам решить возникшие у вас вопросы при эксплуатации техники.
Если остались вопросы, задайте их в комментариях после инструкции.
"Загружаем инструкцию", означает, что нужно подождать пока файл загрузится и можно будет его читать онлайн. Некоторые инструкции очень большие и время их появления зависит от вашей скорости интернета.

UB 80-120
я
12
я
я
7.
.
.
,
,
.
LUNA 3 1.310 Fi
LUNA 3 BLUE 1.240 Fi
LUNA 3 COMFORT 1.240 i - 1.240 Fi - 1.310 Fi
LUNA 3 COMFORT IN 1.310 MV
LUNA 3 COMFORT IN HT 1.120 - 1.240
LUNA 3 COMFORT HT 1.120 – HT 1.240 – HT 1.280
LUNA 3 SYSTEM HT 1.180 – HT 1.240 – HT 1.330
ECO 3
ECO 3 COMPACT
FOURTECH
6
.
. 4
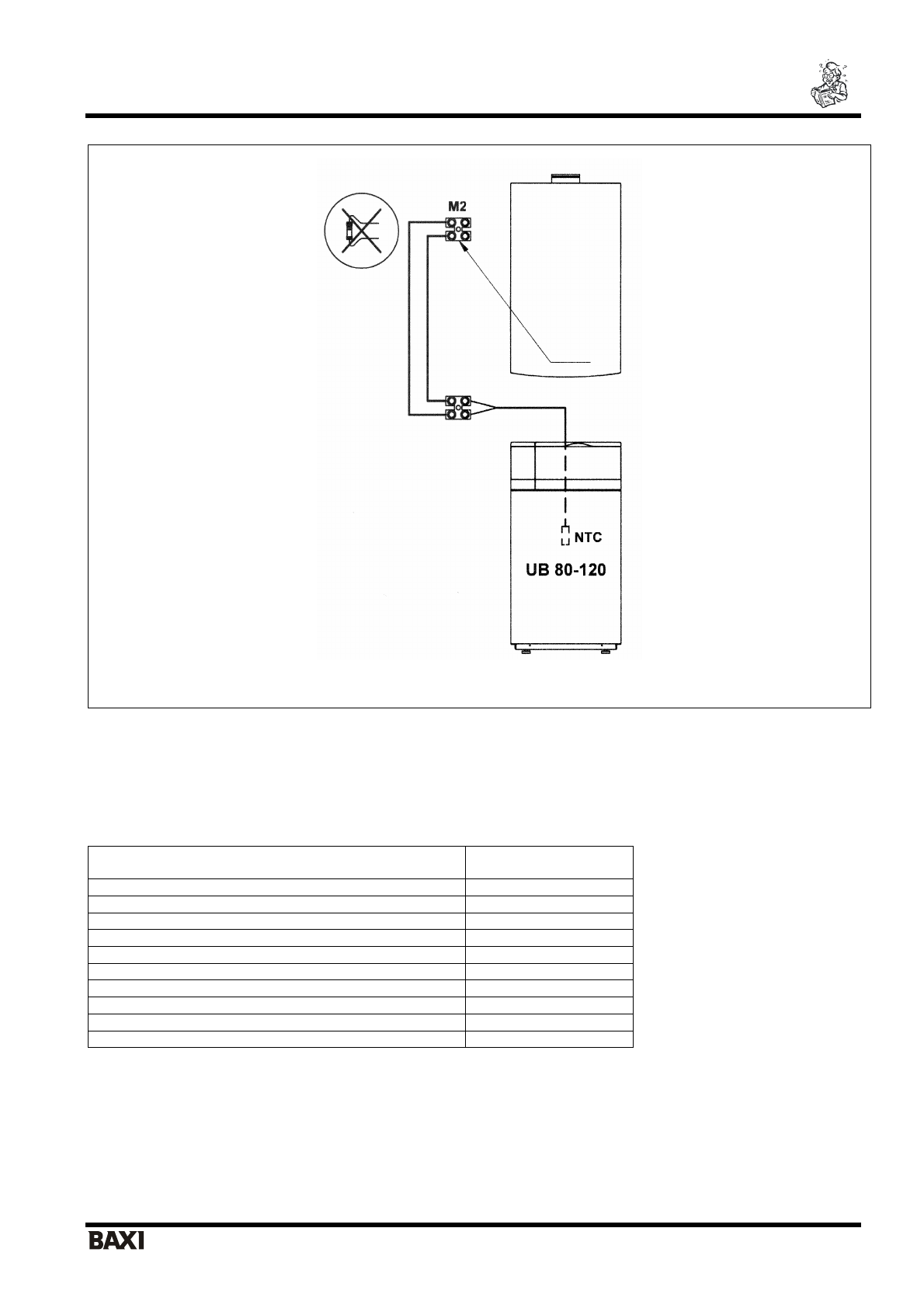
NTC
:
NTC
(
)