Водонагреватели Baxi SIG 11 i / 13 Fi (i) - инструкция пользователя по применению, эксплуатации и установке на русском языке. Мы надеемся, она поможет вам решить возникшие у вас вопросы при эксплуатации техники.
Если остались вопросы, задайте их в комментариях после инструкции.
"Загружаем инструкцию", означает, что нужно подождать пока файл загрузится и можно будет его читать онлайн. Некоторые инструкции очень большие и время их появления зависит от вашей скорости интернета.

SIG 11i –13i – 13Fi
инструкции
для
технического
персонала
5
газовые
колонки
ИНСТРУКЦИИ
ДЛЯ
ТЕХНИЧЕСКОГО
ПЕРСОНАЛА
Нижеприведенные
технические
инструкции
разработаны
для
установщиков
,
наладчиков
и
сервисных
мастеров
,
обслужи
-
вающих
данный
аппарат
и
,
соответственно
,
содержат
инфор
-
мацию
по
правильным
установке
,
наладке
,
и
периодическому
техническому
обслуживанию
водонагревателя
.
Инструкции
по
включению
и
использованию
водонагревателя
содержатся
в
первой
части
данного
руководства
.
Внимание
:
Элементы
упаковки
(
пластиковые
пакеты
,
полистирол
и
т
.
д
.)
необходимо
беречь
от
детей
,
т
.
к
.
они
представляют
собой
по
-
тенциальный
источник
опасности
.
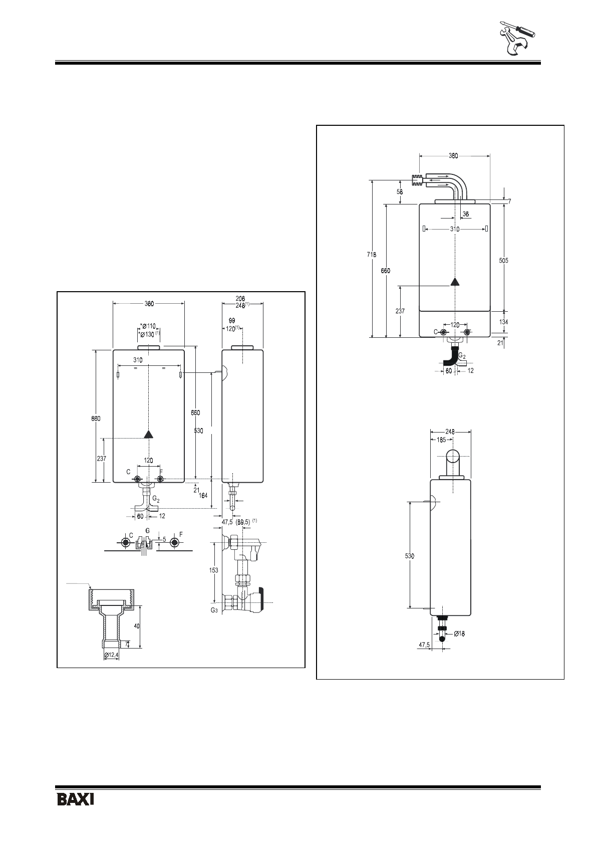
1.
Габаритные
размеры
аппарата
Рис
. 2 -
Модели
с
открытой
камерой
сгорания
SIG 11 i – SIG 13i
G1=
вход
газа
бутан
/
пропан
Гайка
3/4
∅18
С
=
Выход
горячей
воды
контура
ГВС
1/2
"
F =
Вход
воды
контура
ГВС
1/2
"
G1 =
Подача
газа
бутан
/
пропан
Ø 12
мм
,
внешняя
резьба
G2 =
Подача
газа
метан
Ø 18
мм
,
внешняя
резьба
Прим
.
Размеры
,
которые
для
моделей
SIG 11 i
и
SIG 13i
отли
-
чаются
,
помечены
для
модели
SIG 13i
знаком
(1)
Рис
. 3 -
Модель
с
закрытой
камерой
сгорания
SIG 13Fi
С
=
Выход
горячей
воды
контура
ГВС
1/2
"
F =
Вход
воды
контура
ГВС
1/2
"
G1 =
Подача
газа
бутан
/
пропан
Ø 12
мм
,
внешняя
резьба
G2 =
Подача
газа
метан
Ø 18
мм
,
внешняя
резьба
Характеристики
Остались вопросы?Не нашли свой ответ в руководстве или возникли другие проблемы? Задайте свой вопрос в форме ниже с подробным описанием вашей ситуации, чтобы другие люди и специалисты смогли дать на него ответ. Если вы знаете как решить проблему другого человека, пожалуйста, подскажите ему :)