Водонагреватели Baxi SAG 115T / 150T / 200T - инструкция пользователя по применению, эксплуатации и установке на русском языке. Мы надеемся, она поможет вам решить возникшие у вас вопросы при эксплуатации техники.
Если остались вопросы, задайте их в комментариях после инструкции.
"Загружаем инструкцию", означает, что нужно подождать пока файл загрузится и можно будет его читать онлайн. Некоторые инструкции очень большие и время их появления зависит от вашей скорости интернета.

SAG 115, 150, 200 T
руководство
по
установке
и
эксплуатации
14
накопительный
газовый
бойлер
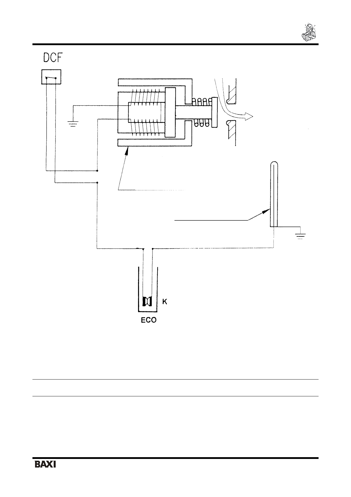
Рис
. 6 .
Электрическая
схема
аппарата
.
Компания
BAXI S.p.A.,
постоянно
работая
над
усовершенствованием
предлагаемой
продукции
,
оставляет
за
собой
право
без
предварительного
уведомления
вносить
необходимые
технические
изменения
в
свою
продукцию
.
Настоящее
руководство
поставляется
в
качестве
информативной
поддержки
и
не
может
считаться
контрактом
в
отношении
третьих
лиц
.
BAXI S.p.A.
36061 Bassano del Grappa (VI) Italia
Via Trozzetti, 20
Tel. 0424 517111
Telefax 0424 38089
Компания
«
БАКСИ
»
Представительство
в
России
Тел
./
факс
+7 095 101-39-14
E-mail: service@baxi.ru
Сайт
: www.baxi.ru
поток
газа
термопара
электромагнитный
газовый
клапан