Водонагреватели BaltGaz Premium 14 G белый 30126 - инструкция пользователя по применению, эксплуатации и установке на русском языке. Мы надеемся, она поможет вам решить возникшие у вас вопросы при эксплуатации техники.
Если остались вопросы, задайте их в комментариях после инструкции.
"Загружаем инструкцию", означает, что нужно подождать пока файл загрузится и можно будет его читать онлайн. Некоторые инструкции очень большие и время их появления зависит от вашей скорости интернета.

Инструкция по монтажу и сервисному обслуживанию
8
2.6.2.
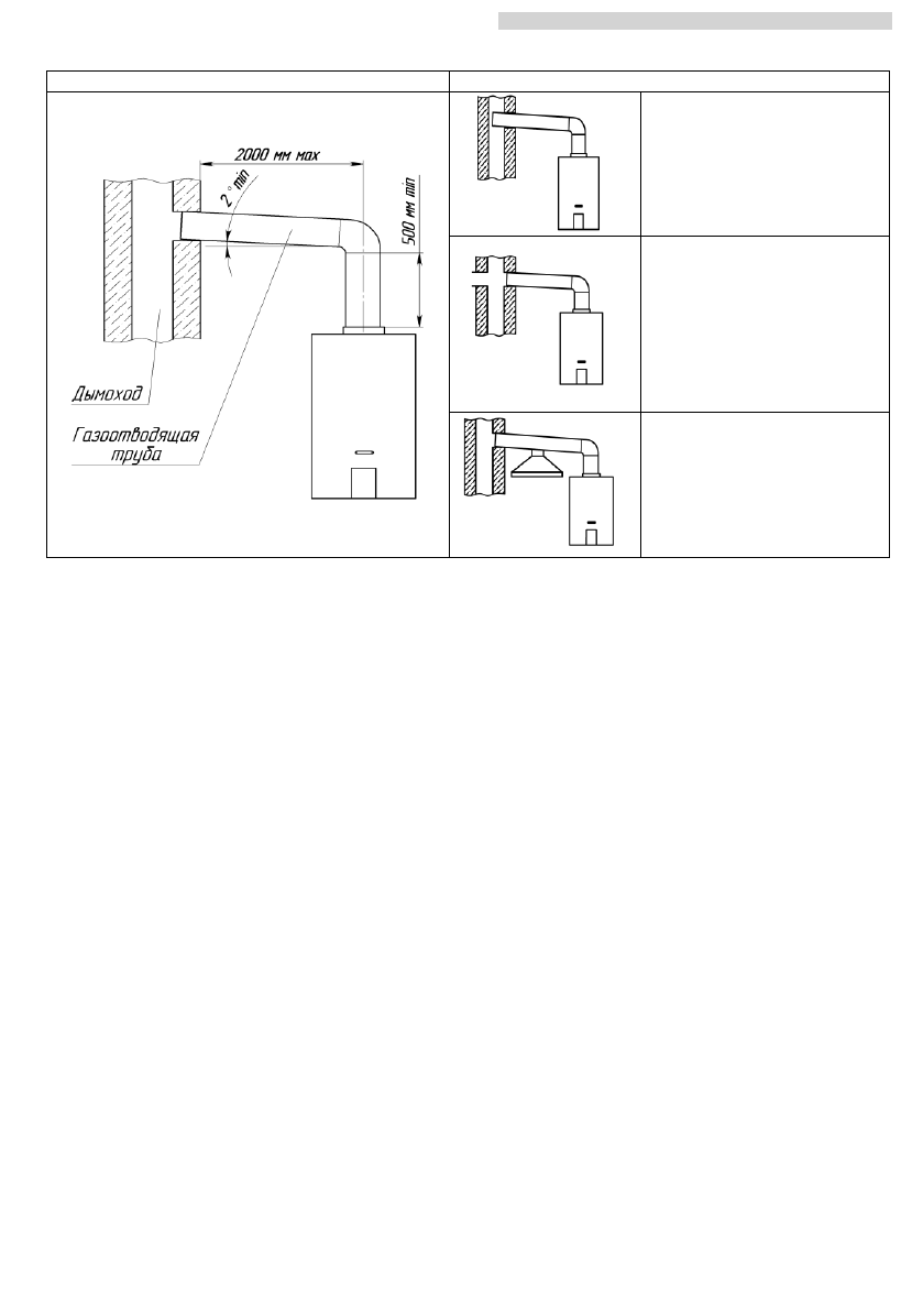
Вариант подключения аппарата к дымоходу показан на рисунке 7.
Рисунок 5 - Подключение аппарата к дымоходу
2.7.
Проверка аппарата
После установки аппарата и проверки на герметичность должны быть проверены: работа горелки,
температура и расход горячей воды. Включение и выключение аппарата, и регулировку температуры воды
выполнять в соответствии с руководством пользователя.
Примечание.
После хранения аппарата в помещении с отрицательной температурой его первый
запуск производить не ранее, чем через 2 ч после переноса его в тёплое помещение.
При необходимости (при недостаточном нагреве воды) следует проверить давление газа на входе в
аппарат. Для измерения давления газа, предварительно перекрыв запорный газовый кран на входе в аппарат,
необходимо подключить манометр - к штуцеру газового узла.
Измерение давления газа необходимо производить при работающем аппарате и максимальном расходе
газа. Давление газа должно соответствовать значению, указанному в разделе «Свидетельство о приемке».
2.8.
Переналадка
аппарата на другой вид и давление газа
2.8.1.
Переналадка аппарата на другой вид и давление газа должна осуществляться специализированной
сервисной организацией. Для переналадки необходимо использовать только фирменный комплект деталей.
Перед переналадкой необходимо выключить аппарат и перекрыть запорный газовый кран.
2.8.2.
Для переналадки аппарата на другой вид или давление газа необходимо заменить коллектор в
сборе с соплами на коллектор с диаметром отверстия сопел в соответствии с таблицей 1 для вида и давления
газа, на котором будет работать аппарат.
3.
УСТРОЙСТВО И УПРАВЛЕНИЕ РАБОТОЙ АППАРАТА
3.1.
Устройство
аппарата
3.1.1.
Аппарат настенного типа имеет прямоугольную форму, образуемую съемной облицовкой 2.
3.1.2.
На лицевой стороне облицовки (см. рис.1 стр. 4) расположены: панель управления с кнопками
регулировки температурой воды и смотровое окно 3 для наблюдения за пламенем горелки. Все основные
элементы аппарата смонтированы на металлическом каркасе.
3.1.3.
Назначение основных узлов и составных частей аппарата.
-
газоотводящее устройство предназначено для отвода продуктов сгорания в дымоход;
-
теплообменник обеспечивает передачу получаемого при сжигании газа тепла воде, протекающей по
трубам теплообменника;
-
узел газовый предназначен для управления подачей газа на горелку;
-
горелка предназначена для создания и горения воздушно-газовой смеси;
-
блок управления электронный обеспечивает управление розжигом и подачей газа на горелку;
-
датчик наличия пламени обеспечивает контроль работы горелки;
-
свеча предназначена для создания искрового разряда для воспламенения горелки;
Правильно
Неправильно
Конец газоотводящей
трубы слишком близок к
противоположной стене
дымохода.
В дымоходе на уровне
подсоединения
газоотводящей трубы
имеется отверстие
(в том числе и с
подключенным к нему
другим устройством).
Два устройства имеют
одно подсоединение к
дымоходу.
Содержание
- 3 настоящей инструкции, производитель не несет ответственности.; ОПИСАНИЕ И РАБОТА АППАРАТА; Назначение аппарата; Таблица 1 Технические характеристики; Технические характеристики
- 4 Габаритные и присоединительные размеры аппарата; – патрубок газоотводящего; УСТАНОВКА АППАРАТА; должен быть установлен как можно ближе к дымоходу.
- 5 трудно-сгораемых стенах; Монтаж аппарата
- 6 аппарата к водопроводной сети; Подключение; аппарата к газовой сети; запорный кран. Запорный кран должен быть легко доступен.
- 7 аппарата к баллону со сжиженным газом; аппарата к дымоходу; Рис. 4. Схема подсоединения газоотводящей трубы
- 8 Рисунок 5 - Подключение аппарата к дымоходу; Проверка аппарата; аппарата на другой вид и давление газа; УСТРОЙСТВО И УПРАВЛЕНИЕ РАБОТОЙ АППАРАТА; аппарата
- 9 Работа; Функциональная схема аппарата приведена на рисунке 7.
- 11 ТЕХНИЧЕСКОЕ ОБСЛУЖИВАНИЕ
- 12 РАБОТ ПРИ РЕМОНТЕ АППАРАТА И ЗАМЕНЕ СОСТАВНЫХ ЧАСТЕЙ
- 14 ВОЗМОЖНЫЕ НЕИСПРАВНОСТИ И МЕТОДЫ ИХ УСТРАНЕНИЯ; Таблица 3. Возможные неисправности
- 15 Неисправность; СДАЧА АППАРАТА ПОТРЕБИТЕЛЮ
- 16 СВИДЕТЕЛЬСТВО; О ПРИЕМКЕ; белый; ГАРАНТИЙНЫЕ ОБЯЗАТЕЛЬСТВА
- 19 Таблица 4. Каталог составных частей аппарата; Наименование
- 20 АО «Армавирский завод газовой аппаратуры»; СЛУЖБА ТЕХНИЧЕСКОЙ ПОДДЕРЖКИ; СЕРТИФИКАТ СООТВЕТСТВИЯ; ОРГАН ПО СЕРТИФИКАЦИИ













