Водонагреватели BaltGaz Premium 14 G белый 30126 - инструкция пользователя по применению, эксплуатации и установке на русском языке. Мы надеемся, она поможет вам решить возникшие у вас вопросы при эксплуатации техники.
Если остались вопросы, задайте их в комментариях после инструкции.
"Загружаем инструкцию", означает, что нужно подождать пока файл загрузится и можно будет его читать онлайн. Некоторые инструкции очень большие и время их появления зависит от вашей скорости интернета.

Инструкция по монтажу и сервисному обслуживанию
5
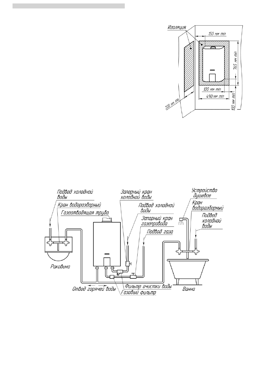
2.1.5.
Устанавливать аппарат необходимо на несгораемых
стенах – кирпичных, бетонных (с облицовкой керамической плиткой
или без неё). Допускается установка аппарата на трудносгораемых
стенах при условии изоляции стены оцинкованным листом
толщиной 0,8…1 мм по листу базальтового теплоизоляционного
картона БТК толщиной 3…5 мм. Изоляция стены должна выступать
за габариты корпуса аппарата не менее чем на 100 мм с каждой
стороны (см. Рис. 2).
Расстояние
от
боковых
поверхностей
аппарата
до
трудносгораемых стен без применения изоляции должно быть не
менее 250 мм. При уменьшении указанного расстояния до 150 мм
необходима установка теплоизоляции (обивка стен оцинкованным
листом по листу теплоизоляционного материала).
При установке аппарата на несгораемых стенах устройство
изоляции не требуется.
2.1.6.
Запрещается установка аппарата на деревянных стенах;
оштукатуренных стенах, имеющих деревянную основу; на стенах,
покрытых легко возгораемыми материалами.
2.1.7.
Запрещается устанавливать аппарат над источником
тепла или открытого пламени.
2.1.8.
Место и высота установки аппарата должны обеспечивать
выполнение требований п. 2.6 (стр. 7). При этом рекомендуется
устанавливать аппарат на такой высоте, чтобы смотровое окно
находилось на уровне глаз потребителя или как можно ближе к
этому уровню.
Рис.2. Установка аппарата на
трудно-сгораемых стенах
Также для осуществления сервисного обслуживания при установке аппарата необходимо выдержать
следующие зазоры:
-
расстояние от боковой поверхности аппарата до боковой стены не менее 150 мм;
-
свободное пространство перед лицевой поверхностью аппарата должно быть не менее 600 мм.
2.1.9.
Схема установки (подключения) аппарата приведена на Рис. 3. Рекомендуется сначала подключить
аппарат к водопроводной сети, заполнить водяную систему аппарата водой и затем подключить его к газовой
сети.
Рис. 3. Схема установки аппарата
2.2.
Монтаж аппарата
2.2.1.
Перед монтажом аппарата рекомендуется снять с него облицовку, для чего:
а) вывернуть в нижней части аппарата два винта – самореза, скрепляющие облицовку с кронштейном на
каркасе;
б) отсоединить кабель от панели управления;
в) потянуть нижнюю часть облицовки на себя, сдвинуть ее вверх и снять с аппарата.
2.2.2.
Если каркас аппарата покрыт защитной полиэтиленовой пленкой, то перед установкой аппарата
защитную пленку необходимо снять. С облицовки необходимо снять наклейки с предупреждающими
надписями и рекламной информацией (при их наличии).
Содержание
- 3 настоящей инструкции, производитель не несет ответственности.; ОПИСАНИЕ И РАБОТА АППАРАТА; Назначение аппарата; Таблица 1 Технические характеристики; Технические характеристики
- 4 Габаритные и присоединительные размеры аппарата; – патрубок газоотводящего; УСТАНОВКА АППАРАТА; должен быть установлен как можно ближе к дымоходу.
- 5 трудно-сгораемых стенах; Монтаж аппарата
- 6 аппарата к водопроводной сети; Подключение; аппарата к газовой сети; запорный кран. Запорный кран должен быть легко доступен.
- 7 аппарата к баллону со сжиженным газом; аппарата к дымоходу; Рис. 4. Схема подсоединения газоотводящей трубы
- 8 Рисунок 5 - Подключение аппарата к дымоходу; Проверка аппарата; аппарата на другой вид и давление газа; УСТРОЙСТВО И УПРАВЛЕНИЕ РАБОТОЙ АППАРАТА; аппарата
- 9 Работа; Функциональная схема аппарата приведена на рисунке 7.
- 11 ТЕХНИЧЕСКОЕ ОБСЛУЖИВАНИЕ
- 12 РАБОТ ПРИ РЕМОНТЕ АППАРАТА И ЗАМЕНЕ СОСТАВНЫХ ЧАСТЕЙ
- 14 ВОЗМОЖНЫЕ НЕИСПРАВНОСТИ И МЕТОДЫ ИХ УСТРАНЕНИЯ; Таблица 3. Возможные неисправности
- 15 Неисправность; СДАЧА АППАРАТА ПОТРЕБИТЕЛЮ
- 16 СВИДЕТЕЛЬСТВО; О ПРИЕМКЕ; белый; ГАРАНТИЙНЫЕ ОБЯЗАТЕЛЬСТВА
- 19 Таблица 4. Каталог составных частей аппарата; Наименование
- 20 АО «Армавирский завод газовой аппаратуры»; СЛУЖБА ТЕХНИЧЕСКОЙ ПОДДЕРЖКИ; СЕРТИФИКАТ СООТВЕТСТВИЯ; ОРГАН ПО СЕРТИФИКАЦИИ













