Водонагреватели BaltGaz Comfort 11 29768 - инструкция пользователя по применению, эксплуатации и установке на русском языке. Мы надеемся, она поможет вам решить возникшие у вас вопросы при эксплуатации техники.
Если остались вопросы, задайте их в комментариях после инструкции.
"Загружаем инструкцию", означает, что нужно подождать пока файл загрузится и можно будет его читать онлайн. Некоторые инструкции очень большие и время их появления зависит от вашей скорости интернета.

Руководство для технического персонала
13
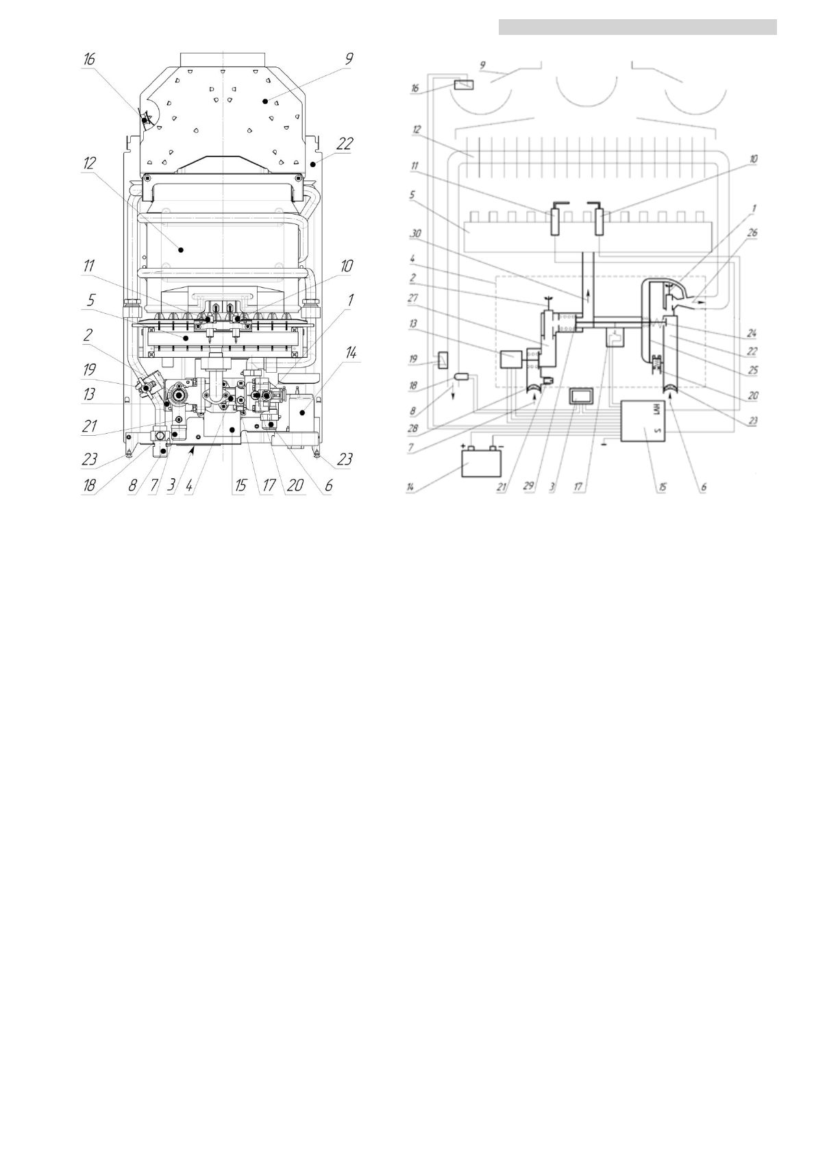
1
– регулятор расхода воды;
2
– регулятор расхода газа;
3
– табличка;
4
– узел водогазовый;
5
– горелка;
6
– штуцер подвода холодной
воды;
7
– штуцер подвода газа;
8
– штуцер отвода горячей
воды;
9
– газоотводящее устройство;
10
– свеча;
11
– датчик наличия пламени;
12
– теплообменник;
13
– клапан электромагнитный;
14
– отсек батарейный;
15
– блок управления электронный;
16
– термореле (датчик наличия
тяги);
17
– микровыключатель (датчик
протока воды);
18
– датчик температуры воды;
19
– термореле (датчик перегрева
воды);
20
– пробка для слива воды;
21
– штуцер замера давления газа;
22
– задняя стенка;
23
– винты крепления облицовки.
1
– регулятор расхода воды;
2
– регулятор расхода газа;
3
– дисплей температуры
воды;
4
– узел водогазовый;
5
– горелка;
6
– вход холодной воды;
7
– вход газа;
8
– выход горячей воды;
9
– газоотводящее устройство;
10
– свеча;
11
– датчик наличия пламени;
12
– теплообменник;
13
– клапан электромагнитный;
14
– отсек батарейный;
15
– блок управления элек-
тронный;
16
– термореле (датчик тяги);
17
– микровыключатель;
18
– датчик температуры воды;
19
– термореле (датчик перегрева
воды);
20
– пробка для слива воды;
21
– штуцер для замера давления
газа;
22
– узел водяной;
23
– фильтр водяной;
24
– ограничитель расхода воды;
25
– мембрана;
26
– выход воды на
теплообменник;
27
– узел газовый;
28
– фильтр газовый;
29
– клапан газовый;
30
– выход газа на горелку.
Рисунок 8. Вид аппарата без облицовки
Рисунок 9. Функциональная схема аппарата













