Водонагреватели Atmor Classic 501 5 KW SHOWER - инструкция пользователя по применению, эксплуатации и установке на русском языке. Мы надеемся, она поможет вам решить возникшие у вас вопросы при эксплуатации техники.
Если остались вопросы, задайте их в комментариях после инструкции.
"Загружаем инструкцию", означает, что нужно подождать пока файл загрузится и можно будет его читать онлайн. Некоторые инструкции очень большие и время их появления зависит от вашей скорости интернета.

11
Душ
Ïðàâèëüíàÿ óñòàíîâêà
Îïàñíîñòü:
Íåïðàâèëüíàÿ óñòàíîâêà
Умывальник
ÂÍÈÌÀÍÈÅ! Ïðè ââîäå â ýêñïëóàòàöèþ íå âêëþ÷àòü âîäîíàãðåâàòåëü â ýëåêòðîñåòü
ïîêà íå óáåäèòåñü, ÷òî âîäà ðîâíîé ñòðóåé èñòåêàåò íà âûõîäå èç âîäîíàãðåâàòåëÿ.
Ïðèáîð ìîùíñòüþ 5 êÂò íåîáõîäèìî ïîäêëþ÷àòü ÷åðåç îòäåëüíûé ïðåäîõðàíèòåëü 40 À,
Ñëåäóåò ïîìíèòü îá óâåëè÷åíèè ñå÷åíèÿ ïðîâîäà, â ñîîòâåòñòâèè ñ óâåëè÷åíèåì ìîùíîñòè
âîäîíàãðåâàòåëÿ.
Ïîäñîåäèíèòå ïðèáîð ê ñåòè âîäîñíàáæåíèÿ è ïðîâåðüòå íà îòñóòñòâèå óòå÷åê óæå ïîñëå
ïîäñîåäèíåíèÿ. Èñïîëüçóéòå øëàíãè, âõîäÿùèå â êîìïëåêò ïîñòàâêè. Íå óñòàíàâëèâàéòå ñòàðûå
øëàíãè.
Ïîñëå ïîäâîäà âîäû ê ïðèáîðó, ïîäñîåäèíèòå ýëåêòðè÷åñêèé ïðîâîä ê ñîîòâåòñòâóþùåé
êëåììíîé êîëîäêå.
ÂÍÈÌÀÍÈÅ! Ïðèáîð äîëæåí áûòü çàçåìëåí.
Ïðèáîð íåîáõîäèìî ïîäñîåäèíèòü ê èñòî÷íèêó ïèòàíèÿ ÷åðåç 2-ïîëþñíûé âûêëþ÷àòåëü (äëÿ
îäíîôàçíîãî ïðèáîðà) è ìíîãîïîëþñíûé âûêëþ÷àòåëü (äëÿ ìíîãîôàçíîãî ïðèáîðà).
Ïåðåä ïðîâåäåíèåì êàêèõ-ëèáî ðàáîò íåîáõîäèìî îòñîåäèíèòü ïðèáîð îò ýëåêòðè÷åñêîé ñåòè
ñ ïîìîùüþ âíåøíåãî âûêëþ÷àòåëÿ, à çàòåì ïîäñîåäèíèòü ïðîâîä ïèòàíèÿ ê ïðèáîðó.
10. Äëÿ ñîåäèíåíèÿ èñïîëüçóéòå ñîîòâåòñòâóþùóþ êëåììó.
11. Óñòàíîâèòå íà ìåñòî êðûøêó (4 âèíòà).
9
Îáåñïå÷åíèå ýôôåêòèâíîé ðàáîòû ïðèáîðà
1. Ìåäëåííî ïîâåðíèòå êðàí (ïåðåä âõîäíîé òðóáîé) äî òåõ ïîð, ïîêà íå çàãîðÿòñÿ èíäèêà-
òîðíûå ëàìïî÷êè íà ïðèáîðå. Ïîäîæäèòå 15-20 ñåêóíä, ïîêà íå íà÷íåò âûòåêàòü âîäà. Äëÿ
áîëåå ïðîõëàäíîé âîäû, ïîñòåïåííî îòêðûâàéòå êðàí, óâåëè÷èâàÿ íàïîð, ïîêà íå ïîëó÷èòå
íóæíóþ òåìïåðàòóðó. Äëÿ áîëåå òåïëîé âîäû, ïîâåðíèòå êðàí äî ïîëó÷åíèÿ íóæíîãî íàïîðà.
2.  ìîäåëè CLASSIC ïîëüçîâàòåëü ìîæåò ðåãóëèðîâàòü òåìïåðàòóðó ñ ïîìîùüþ ðó÷êè
íàñòðîéêè íàïîðà âîäû. Ðó÷êà íàïîðà äàåò âîçìîæíîñòü ðåãóëèðîâàòü ïîòîê âîäû äëÿ
ïîëó÷åíèÿ íóæíîé òåìïåðàòóðû. Ïðè ïîâîðîòå ðó÷êè âëåâî íàïîð âîäû ñíèæàåòñÿ, è
òåìïåðàòóðà óâåëè÷èâàåòñÿ. Ïðè ïîâîðîòå ðó÷êè âïðàâî íàïîð âîäû óâåëè÷èâàåòñÿ, è
òåìïåðàòóðà ñíèæàåòñÿ.
3. Ïðèáîð çàïóñêàåòñÿ àâòîìàòè÷åñêè ïðè îòêðûâàíèè âîäîïðîâîäíîãî êðàíà è îòêëþ÷àåòñÿ
ñ ïðåêðàùåíèåì ïîòîêà âîäû.
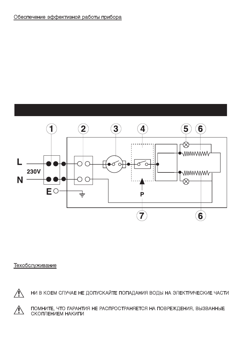
Мощность до 6 кВт (Однофазный прибор)
1. Ìíîãîïîëþñíûé ïåðåêëþ÷àòåëü
2. Áëîê âûâîäîâ
3. Òåðìîñòàò
4. Ìîíîïåðåêëþ÷àòåëü
5. Ñâåòîäèîäíàÿ ëàìïà
6. Íàãðåâàòåëüíûå ýëåìåíòû
7. Ðåëå äàâëåíèÿ
Òåõîáñëóæèâàíèå
•
Äëÿ î÷èñòêè ïðèáîðà îòêëþ÷èòå ïîäà÷ó ïèòàíèÿ è ïðîòðèòå ïðèáîð âëàæíîé òêàíüþ.
Çàïðåùàåòñÿ èñïîëüçîâàòü àáðàçèâíûå ìàòåðèàëû, ïîñêîëüêó ýòî ìîæåò ïðèâåñòè ê
îáðàçîâàíèþ öàðàïèí íà ïîâåðõíîñòè ïðèáîðà.
ÍÈ Â ÊÎÅÌ ÑËÓ×ÀÅ ÍÅ ÄÎÏÓÑÊÀÉÒÅ ÏÎÏÀÄÀÍÈß ÂÎÄÛ ÍÀ ÝËÅÊÒÐÈ×ÅÑÊÈÅ ×ÀÑÒÈ
ÏÎÌÍÈÒÅ, ×ÒÎ ÃÀÐÀÍÒÈß ÍÅ ÐÀÑÏÐÎÑÒÐÀÍßÅÒÑß ÍÀ ÏÎÂÐÅÆÄÅÍÈß, ÂÛÇÂÀÍÍÛÅ
ÑÊÎÏËÅÍÈÅÌ ÍÀÊÈÏÈ
Характеристики
Остались вопросы?Не нашли свой ответ в руководстве или возникли другие проблемы? Задайте свой вопрос в форме ниже с подробным описанием вашей ситуации, чтобы другие люди и специалисты смогли дать на него ответ. Если вы знаете как решить проблему другого человека, пожалуйста, подскажите ему :)