AURES M 7.7 - Инструкция по эксплуатации - Страница 46

Водонагреватели AURES M 7.7 - инструкция пользователя по применению, эксплуатации и установке на русском языке. Мы надеемся, она поможет вам решить возникшие у вас вопросы при эксплуатации техники.

Если остались вопросы, задайте их в комментариях после инструкции.

"Загружаем инструкцию", означает, что нужно подождать пока файл загрузится и можно будет его читать онлайн. Некоторые инструкции очень большие и время их появления зависит от вашей скорости интернета.
Страница:
/ 52
Загружаем инструкцию
background image

46

EN

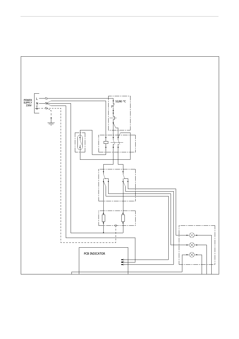
ELECTRICAL WIRING / ЭЛЕКТРИЧЕСКАЯ СХЕМА / ЕЛЕКТРИЧНА СХЕМА

ƶDŽƾǃNjljNJǔDžƽƹljǔ࡮ࡴ࡮ࡿࡼࡺࡷ࡬ࡪࢁ࡯ࡪࡶࡲࡴࡷ࡫ࡪ

Up to 5.5 kW

RT1

T1

RR

K1

S2

S1

H.E.2

H.E.1

H3

H2

H1

 

 

 

 

 

 

 

 

 

 

 

 

 

 

 

 
 

 

 

 

 

 

 

 

  
 

  
  
 

 

 

 

 

 

 

 

 

 

 

 

 

 

 

 

 

 

 

 

 

  
  
  
 

 

 

 

 

 

 

 

 

 

 

 

 

 

 

 

 

 

 

 

 

 

 

 

 

 

 

  
 

 

 

 

 

 

  
 

 

 

  
 

  
 

  
 

 

 

 

 

 

 

 

 

 

 

  
 

 

 

 

 

 

 

 

 

 

 

 

 

 

 

 

=F1 
THERMOSTAT

=F7 - REED RELAY

=F6 -
COMMAND SWITCH

=F5 - POWER LED

=F2
POWER RELAY

=F4 -
HEATING ELEMENTS

I

Характеристики

Оцените статью
tehnopanorama.ru
Остались вопросы?

Не нашли свой ответ в руководстве или возникли другие проблемы? Задайте свой вопрос в форме ниже с подробным описанием вашей ситуации, чтобы другие люди и специалисты смогли дать на него ответ. Если вы знаете как решить проблему другого человека, пожалуйста, подскажите ему :)

Задать вопрос

Часто задаваемые вопросы
Как посмотреть инструкцию к AURES M 7.7?
Необходимо подождать полной загрузки инструкции в сером окне на данной странице
Руководство на русском языке?
Все наши руководства представлены на русском языке или схематично, поэтому вы без труда сможете разобраться с вашей моделью
Как скопировать текст из PDF?
Чтобы скопировать текст со страницы инструкции воспользуйтесь вкладкой "HTML"