Водонагреватели Ariston SHT 50 V - инструкция пользователя по применению, эксплуатации и установке на русском языке. Мы надеемся, она поможет вам решить возникшие у вас вопросы при эксплуатации техники.
Если остались вопросы, задайте их в комментариях после инструкции.
"Загружаем инструкцию", означает, что нужно подождать пока файл загрузится и можно будет его читать онлайн. Некоторые инструкции очень большие и время их появления зависит от вашей скорости интернета.

2.1 Основные технические характеристики
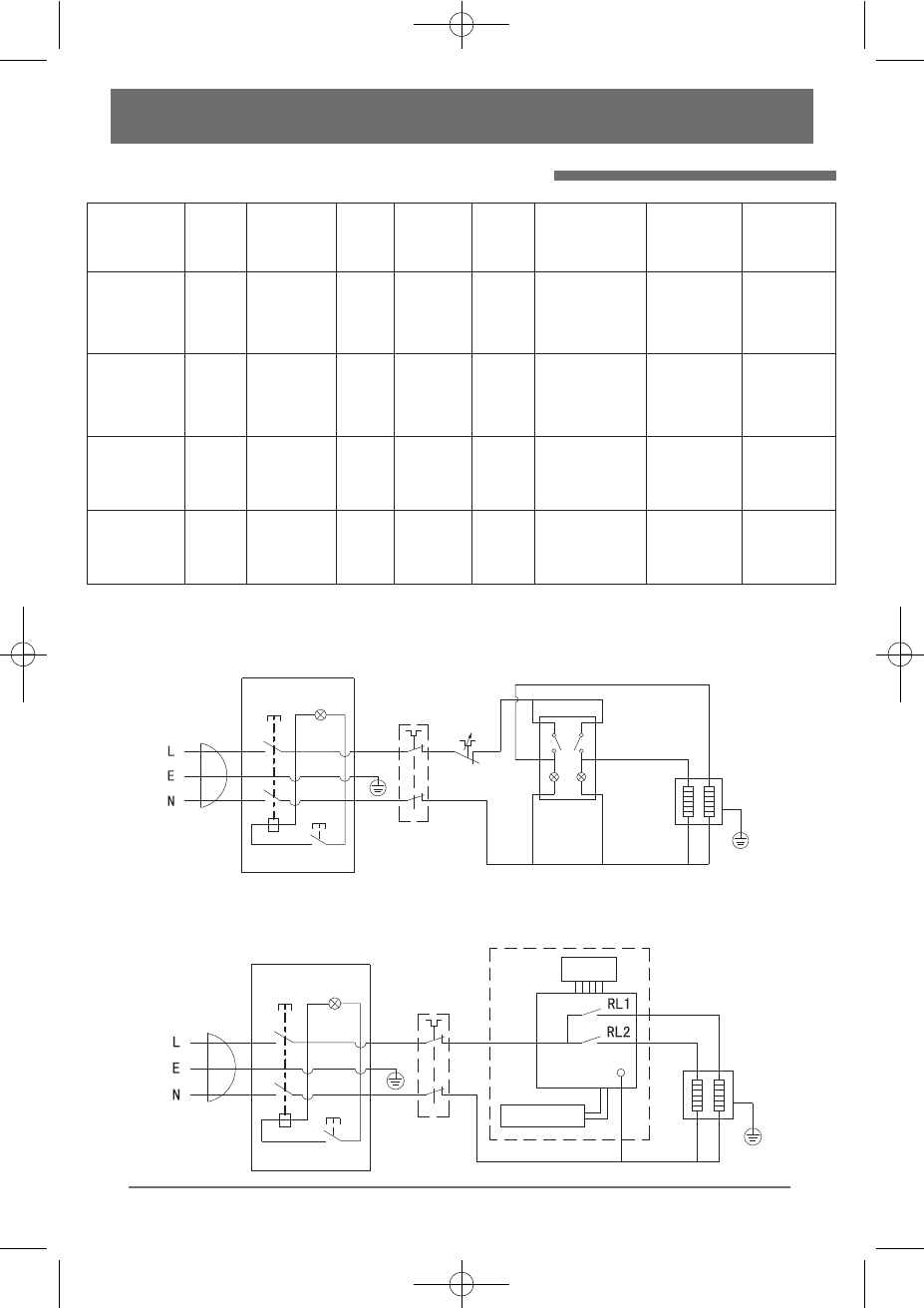
2.1 Электрическая схема
Механическая модель SHT
3
2
. Технический характеристики
Модель
Объем,
л
Напряжение,
В
Сила
тока, A
Мощность,
Вт
Частота
тока, Гц
Максимальное
давление, бар
Размеры
водонагрева<
теля (LxHxB),
мм
Размеры
упаковки,
мм
SHT30H
SHT30V
SHT<EL30H
SHT<EL30V
30
220
11.4
2500
50
0.6
603х380х270 670х470х352
SHT50H
SHT50V
SHT<EL 50H
SHT<EL 50V
50
220
11.4
2500
50
0.6
898х380х270 965х470х352
SHT80H
SHT80V
SHT<ЕL80H
SHT<ЕL80V
80
220
11.4
2500
50
0.6
985х450х310 1040х540х392
SHT100H
SHT100V
SHT<EL 100H
SHT<EL 100V
100
220
11.4
2500
50
0.6
910х540х360 980х620х445
Кнопка
перезапуска
Индика
тор
Термостат
безопасности
Термостат
Термостат
безопасности
Термостат
дисплей
Электронная
плата
Контактная
шина
Кнопка
тестирования
Кнопка
тестирования
On/off
Производитель может не уведомлять о смене электрической схемы
Нагревательный
элемент
Нагревательный
элемент
Модели STL
Модели STL<EL
УЗО
Кабель с УЗО
Кабель с УЗО
Кнопка
перезапуска
Индика
тор
УЗО
Ariston.qxd 26.11.2007 17:58 Page 3
Содержание
- 3 Оглавление
- 4 . Начальные сведения по электрическому
- 5 Механическая модель SHT; . Технический характеристики
- 6 Установка водонагревателя на стену; . Общие предупреждения
- 8 . Действия после установки
- 9 Механическая модель SHT
При включении клавиши питания на панели управления она отрабатывает обратно (модель SHT 50 V, код модели 3605058, с.№ 00516 ). Спасибо.