Водонагреватели Ariston FAST EVO 14 С - инструкция пользователя по применению, эксплуатации и установке на русском языке. Мы надеемся, она поможет вам решить возникшие у вас вопросы при эксплуатации техники.
Если остались вопросы, задайте их в комментариях после инструкции.
"Загружаем инструкцию", означает, что нужно подождать пока файл загрузится и можно будет его читать онлайн. Некоторые инструкции очень большие и время их появления зависит от вашей скорости интернета.

23
Встановлення
установка
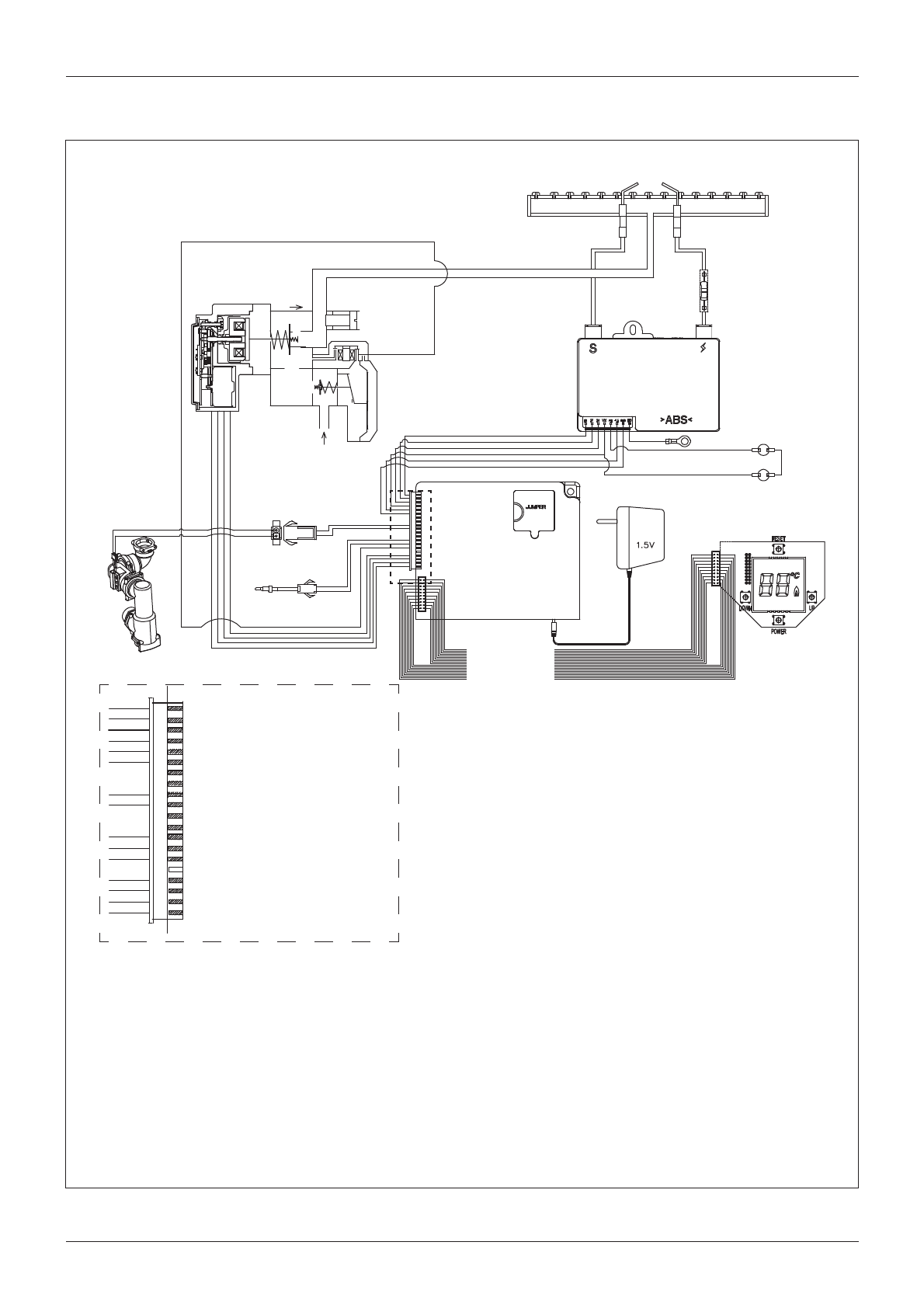
Электрическая схема
Електрична схема
12
14
13
06
09
11
10
08
07
03
05
04
02
01
15
17
19
18
16
20
1
2
9
4
5
6
8
3
10
white/bianco
1.
Електрод
детектора
2. Електрод запалювання
3. Клапан газу
4. Перемикач потоку води
5. Головна
плата
6.
Панель керування
8. Датчик температури води на виході
9. Термостат перегріву для води і вихлопних газів
10. Плата запалювання.
1. Электрод контроля пламени
2. Электрод розжига
3. Газовый клапан
4. Датчик протока ГВС
5. Основная
плата
6. Панель
управления
8. Датчик температуры ГВС
9. Термостаты перегрева и тяги
10. Блок розжига.
1. желтый / жовтий
2. оранжевый / помаранчевий
3. коричневый / коричневий4.
красный / червоний
5. красный / червоний
6. черный / чорний
9. оранжевый / помаранчевий
10. зеленый / зелений
13. белый / білий
14. черный / чорний
15. оранжевый / помаранчевий
17. зеленый / зелений
18. оранжевый / помаранчевий
19. красный / червоний20.
черный / чорний
12
14
13
06
09
11
10
08
07
03
05
04
02
01
15
17
19
18
16
20