Ariston AURES M 7.7 3195213 - Инструкция по эксплуатации - Страница 48

Водонагреватели Ariston AURES M 7.7 3195213 - инструкция пользователя по применению, эксплуатации и установке на русском языке. Мы надеемся, она поможет вам решить возникшие у вас вопросы при эксплуатации техники.

Если остались вопросы, задайте их в комментариях после инструкции.

"Загружаем инструкцию", означает, что нужно подождать пока файл загрузится и можно будет его читать онлайн. Некоторые инструкции очень большие и время их появления зависит от вашей скорости интернета.
Страница:
/ 52
Загружаем инструкцию
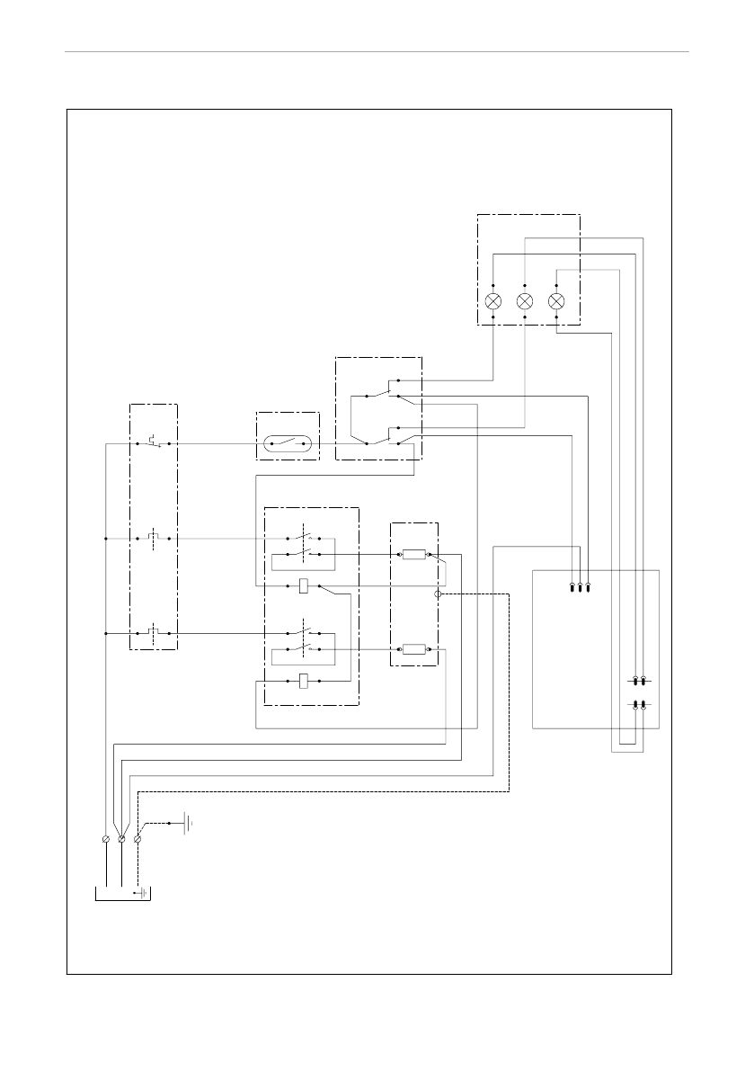
background image

48

EN

Up to 10 kW

,,,

1

/

32:(56833/< 9

 )7+(50267$7

 )+($7,1*(/(0(176

 )32:(55(/$<

 )32:(5/('

+(

+(

6

6

+

+

+

3&%,1',&$725

 )&200$1'6:,7&+

 )5(('5(/$<

7

55

.

.

&=

&=

$&/

ƒ&

ƒ&

ƒ&

57

57

Полезные видео

Характеристики

Оцените статью
tehnopanorama.ru
Остались вопросы?

Не нашли свой ответ в руководстве или возникли другие проблемы? Задайте свой вопрос в форме ниже с подробным описанием вашей ситуации, чтобы другие люди и специалисты смогли дать на него ответ. Если вы знаете как решить проблему другого человека, пожалуйста, подскажите ему :)

Задать вопрос

Часто задаваемые вопросы
Как посмотреть инструкцию к Ariston AURES M 7.7 3195213?
Необходимо подождать полной загрузки инструкции в сером окне на данной странице
Руководство на русском языке?
Все наши руководства представлены на русском языке или схематично, поэтому вы без труда сможете разобраться с вашей моделью
Как скопировать текст из PDF?
Чтобы скопировать текст со страницы инструкции воспользуйтесь вкладкой "HTML"