Водонагреватели Ariston ABS SL 20 - инструкция пользователя по применению, эксплуатации и установке на русском языке. Мы надеемся, она поможет вам решить возникшие у вас вопросы при эксплуатации техники.
Если остались вопросы, задайте их в комментариях после инструкции.
"Загружаем инструкцию", означает, что нужно подождать пока файл загрузится и можно будет его читать онлайн. Некоторые инструкции очень большие и время их появления зависит от вашей скорости интернета.

12
2.2. Гидравлическое подключение
Внимание! Установка предохранительного клапана, входящего в комплект поставки, является обязательным
требованием.
Запрещается устанавливать любую запорную арматуру между предохранительным клапаном и входом в
бак, а также блокировать сливное отверстие предохранительного клапана.
Подсоединение водонагревателя к системе водоснабжения должно осуществляться при помощи разъемных
соединении.
Стандартное подсоединение (рис. 1)
2.2.1
. Предохранительный клапан, входящий в комплект поставки, необходимо установить на входе холодной воды
в водонагреватель (помечен синим кольцом). Предохранительный клапан рекомендуется заворачивать не более чем
на 3-4 оборота, обеспечив герметичность любым водой зонирующим материалом.
2.2.2.
Присоедините входной патрубок предохранительного клапана к магистрали холодной воды с помощью трубы
или гибкого шланга.
2.2.3.
Подсоедините к выходу горячей воды из водонагревателя (помечен красным кольцом) трубу или гибкий шланг
для отвода горячей воды к месту водоразбора.
2.2.4.
Для удобства обслуживания рекомендуется установить тройник с запорным краном между входом холодной
воды в водонагреватель и предохранительным клапаном.
Это позволит слить воду из водонагревателя, не демонтируя предохранительный клапан.
2.2.5
. Для облегчения доступа воздуха в бак при сливе воды рекомендуется установить тройник с запорным краном
на выходе горячей воды из водонагревателя.
2.2.6.
При давлении водопроводной сети выше 5 бар необходимо установить перед предохранительным клапаном
редуктор для понижения давления.
Подсоединение к открытому резервуару с водой (рис. 2)
2.2.7.
Вода поступает в водонагреватель самотеком из резервуара. При данном варианте подсоединения предохра-
нительный клапан не обязателен.
2.3. Электрическое подключение
Внимание! Электромонтаж прибора должен выполнять квалифицированный специалист с соблюдением пра-
вил техники безопасности. Фирма-изготовитель не несет ответственности за повреждения прибора вслед-
ствие неправильногозаземления или неправильных параметров источника электропитания.
2.3.1.
Если водонагреватель поставляется без кабеля электропитания, для подключения к сети электроснабжения
используйте кабель соответствующего типа (тип H05VV-F 3x1,5 мм,
Ø
8,5 мм). Проденьте кабель электропитания в
отверстие, находящееся сзади прибора (
F
рис. 3) и присоедините к клеммам на термостате.
2.3.2.
Водонагреватель должен быть заземлен. Схема заземления должна обеспечивать отсутствие электрического
потенциала на корпусе водонагревателя. Провод заземления (желто-зеленого цвета) следует подсоединить к клем-
ме, обозначенной символом . Закрепите кабель электропитания с помощью кабельных зажимов.
2.3.3.
Убедитесь, что параметры источника электропитания соответствуют техническим характеристикам водонагре-
вателя, указанным на идентификационной табличке.
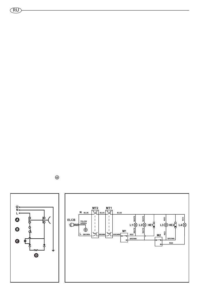
Электрическая схема SL 20: Электрическая схема SL 30 QH:
A – Термостат безопасности
B – Термостат
С – Индикаторная лампа
D – Нагревательный элемент
MT1: Термостат безопасности
M1: Термостат
L1: Красная индикаторная лампа 240V
L2: Синяя индикаторная лампа 240V
HE1: Нагревательный элемент 1 2500W
MT2: Термостат безопасности
M2: Термостат
L3: Красная индикаторная лампа 240V
L4: Синяя индикаторная лампа 240V
HE2: Нагревательный элемент 2 2500W