Водонагреватели AEG BS 60E 221072 - инструкция пользователя по применению, эксплуатации и установке на русском языке. Мы надеемся, она поможет вам решить возникшие у вас вопросы при эксплуатации техники.
Если остались вопросы, задайте их в комментариях после инструкции.
"Загружаем инструкцию", означает, что нужно подождать пока файл загрузится и можно будет его читать онлайн. Некоторые инструкции очень большие и время их появления зависит от вашей скорости интернета.

2
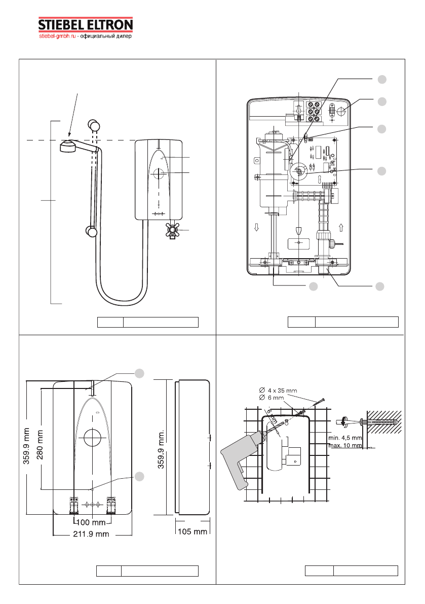
Устройство прибора
5
Ограничитель
температуры
6
Канал
для
кабеля
подачи
электропитания
7
Сигнальная
лампочка
"Power"
8
Вращающаяся
ручка
регулировки
температуры
9
Штуцер
подключение
холодной
воды
10
Штуцер
подключения
горячей
воды
для
гибкого
шланга
для
душа
11
Верхнее
отверстия
для
крепления
12
Нижнее
отверстие
для
крепления
13
Фильтр
Рис 4. Способ крепления
Рис 5. Электрическое подключение
К прибору должно быть
подключено заземление
Рис 2.
Внутреннее устройство
10
9
8
7
6
5
Рис 6. Установка фильтра
13
Рис 3. Монтажные размеры
11
12
Душевая насадка не должна быть установлена
выше чем прибор.
Рис 1. Внешнее устройство
1
2
3
4
www.stiebel-gmbh.ru • info@stiebel-gmbh.ru • +7 (495) 565-34-82
г. Москва, Каширский проезд, д. 17, строение 5













