Вихрь АСВ-800/19 - Инструкция по эксплуатации

Вихрь АСВ-800/19

Насос Вихрь АСВ-800/19 - инструкция пользователя по применению, эксплуатации и установке на русском языке. Мы надеемся, она поможет вам решить возникшие у вас вопросы при эксплуатации техники.

Если остались дополнительные вопросы — свяжитесь с нами через контактную форму.

1 Страница 1
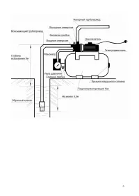
2 Страница 2
3 Страница 3
4 Страница 4
5 Страница 5
6 Страница 6
7 Страница 7
8 Страница 8
9 Страница 9
10 Страница 10
11 Страница 11
12 Страница 12
13 Страница 13
14 Страница 14
15 Страница 15
16 Страница 16
Страница: / 16

Содержание:

  • Страница 6 – Максимальное количество включений, час; Параметр
  • Страница 8 – СЛУЖБА ТЕХНИЧЕСКОЙ ПОДДЕРЖКИ:
  • Страница 11 – ГАРАНТИЙНЫЙ ТАЛОН; Автоматическая станция водоснабжения
  • Страница 12 – ГАРАНТИЙНЫЕ ОБЯЗАТЕЛЬСТВА
Загрузка инструкции

"Загрузка инструкции" означает, что нужно подождать пока файл загрузится и можно будет его читать онлайн. Некоторые инструкции очень большие и время их появления зависит от вашей скорости интернета.

Краткое содержание

Страница 6 - Максимальное количество включений, час; Параметр

6 4. ТЕХНИЧЕСКОЕ ОБСЛУЖИВАНИЕ И ПРАВИЛА ХРАНЕНИЯ При длительном бездействии насосной станции, а также в зимний период хранение необходимо осуществлять в сухом отапливаемом помещении. Предварительно необходимо слить из него и труб остатки воды, промыть чистой водой и высушить. Насос не требует консер...

Страница 8 - СЛУЖБА ТЕХНИЧЕСКОЙ ПОДДЕРЖКИ:

8 СЛУЖБА ТЕХНИЧЕСКОЙ ПОДДЕРЖКИ: E-mail: support@vihr.su Web site: http://www.vihr.su Представленная эксплуатационная документация содержит минимально необходимые сведения для применения изделия. Предприятие-изготовитель вправе вносить в конструкцию усовершенствования, не изменяющие правила и условия...

Страница 11 - ГАРАНТИЙНЫЙ ТАЛОН; Автоматическая станция водоснабжения

11 ГАРАНТИЙНЫЙ ТАЛОН Автоматическая станция водоснабжения зав №_________________ модель _________________ Дата продажи _____________________ Наименование и адрес торговой организации_____________________ м.п. С правилами эксплуатации и условиями гарантии ознакомлен. Продукция получена в полной компл...

Характеристики

Другие модели - Насосы Вихрь

Все насосы Вихрь