Видеокамеры Sony HDR-GW77E (VE) - инструкция пользователя по применению, эксплуатации и установке на русском языке. Мы надеемся, она поможет вам решить возникшие у вас вопросы при эксплуатации техники.
Если остались вопросы, задайте их в комментариях после инструкции.
"Загружаем инструкцию", означает, что нужно подождать пока файл загрузится и можно будет его читать онлайн. Некоторые инструкции очень большие и время их появления зависит от вашей скорости интернета.

UA
Відтворення інформації на РК-екрані
Інформація на РК-екрані зникне, якщо після включення відеокамери або
переключення між режимами відео- та фотозйомки протягом кількох секунд не
відбуватиметься робота з відеокамерою.
Щоб відобразити відомості про піктограми зі зручними для записування функціями,
торкніть будь-яке місце на РК-екрані, окрім кнопок.
Постійне відтворення індикації на РК-екрані: [Display Setting] (стор. 48)
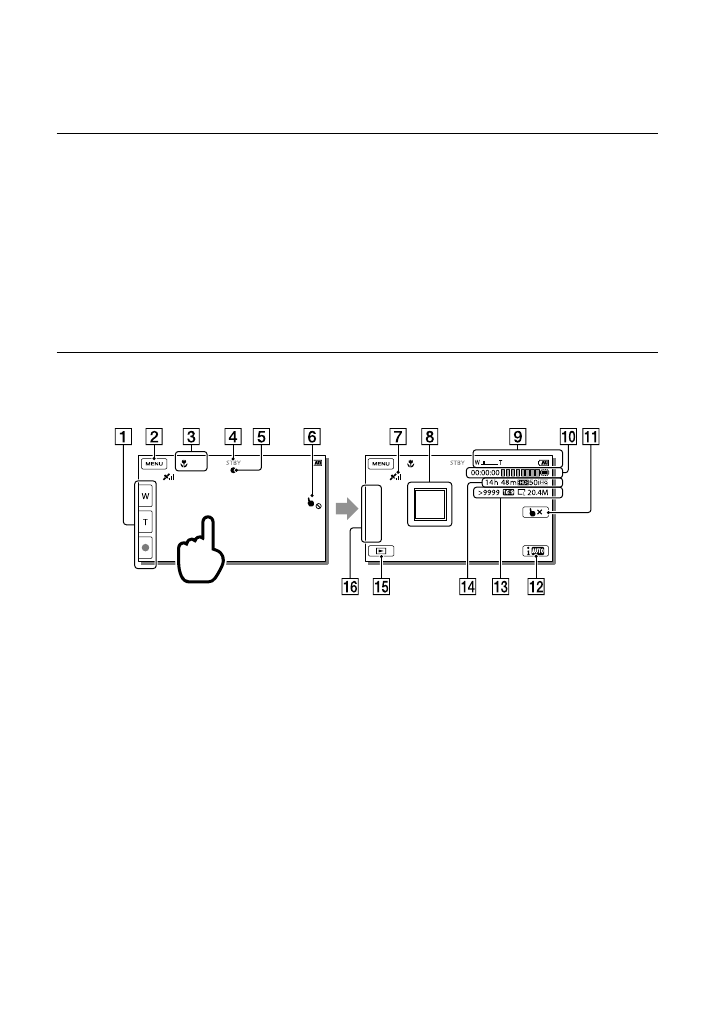
Екранні індикатори під час записування
Далі описано піктограми для режимів як записування відео, так і фотографування.
Докладніше див. сторінки, зазначені у дужках ( ).
Кнопка трансфокатора (W: ширококутна зйомка/T: довгофокусна зйомка),
кнопка START/STOP (у режимі записування відео), кнопка PHOTO (у режимі
фотографування)
Стан, визначений функцією Intelligent Auto
Стан записування ([STBY]/[REC])
Блокування AE/AF (автоматичне експонування/автоматичне фокусування) (25)
Сенсорну панель вимкнено (Underwater)
Стан тріангуляції GPS
*
Слідкувальне фокусування: відеокамера стежить за обраним об’єктом. Торкніть
об’єкт на РК-екрані.
Трансфокатор, залишок заряду акумулятора
Лічильник (годин:хвилин:секунд), фотографування, носій для записування/
відтворення/редагування (22)
Кнопка скасування слідкувального фокусування
Содержание
- 2 ПРЕДУПРЕЖДЕНИЕ; Батарейный блок
- 3 ДЛЯ ПОЛЬЗОВАТЕЛЕЙ В ЕВРОПЕ; Примечание для покупателей в
- 10 Содержание; Подготовка к работе; Запись/Воспроизведение; Расширенные функции; Table of contents
- 11 Сохранение фильмов и фотографий на компьютере
- 14 Прилагаемые; Крепление ремня для руки
- 15 Зарядка аккумуляторной батареи
- 16 видеокамере и сетевой розетке.
- 17 Зарядка аккумуляторной батареи с использованием компьютера
- 18 Время зарядки; Извлечение аккумуляторной батареи; Об источнике питания
- 19 Для проверки оставшегося заряда аккумуляторной батареи; Примечания относительно адаптера переменного тока; Зарядка аккумуляторной батареи за границей
- 21 Изменение настройки языка; Отключение питания; Отключение звуковых сигналов
- 22 Подготовка носителя записи
- 23 Извлечение карты памяти; Типы карт памяти, которые можно использовать с видеокамерой
- 24 Запись; Запись фильмов
- 25 Фотосъемка
- 26 Индикаторы экрана во время записи
- 27 Увеличение объектов
- 28 Запись в зеркальном режиме
- 29 Воспроизведение; Откройте экран LCD и выберите
- 30 Отображение на дисплее экрана Просмотр события
- 31 Для воспроизведения изображений на других устройствах
- 32 Запись изображений
- 35 Вкл “Photo TV HD”
- 36 Редактирование; Редактирование на
- 37 Вы можете выполнять захват
- 39 При подключении видеокамеры к компьютеру; Для Windows; Загрузить; Сетевые сервисы
- 43 Создание диска Blu-ray; Диски DVD с качеством изображения
- 45 Индивидуальная настройка видеокамеры; Использование меню; Камера/Микрофон (Элементы для индивидуальной настройки съемки)
- 47 Списки меню
- 51 Устранение
- 53 Отображение
- 54 Время записи
- 55 Время воспроизведения; Карта памяти
- 57 Обращение с; Использование и уход
- 60 Спецификации
- 62 О товарных знаках
- 63 Индикаторы экрана
- 65 Алфавитный указатель
Характеристики
Остались вопросы?Не нашли свой ответ в руководстве или возникли другие проблемы? Задайте свой вопрос в форме ниже с подробным описанием вашей ситуации, чтобы другие люди и специалисты смогли дать на него ответ. Если вы знаете как решить проблему другого человека, пожалуйста, подскажите ему :)












