Весы Massa-K RL-I-R2L - инструкция пользователя по применению, эксплуатации и установке на русском языке. Мы надеемся, она поможет вам решить возникшие у вас вопросы при эксплуатации техники.
Если остались вопросы, задайте их в комментариях после инструкции.
"Загружаем инструкцию", означает, что нужно подождать пока файл загрузится и можно будет его читать онлайн. Некоторые инструкции очень большие и время их появления зависит от вашей скорости интернета.

RL,
МК_
R2L
РЭ (Редакция
7) 2016, v. 4.7; 4.8; 4.9… 11
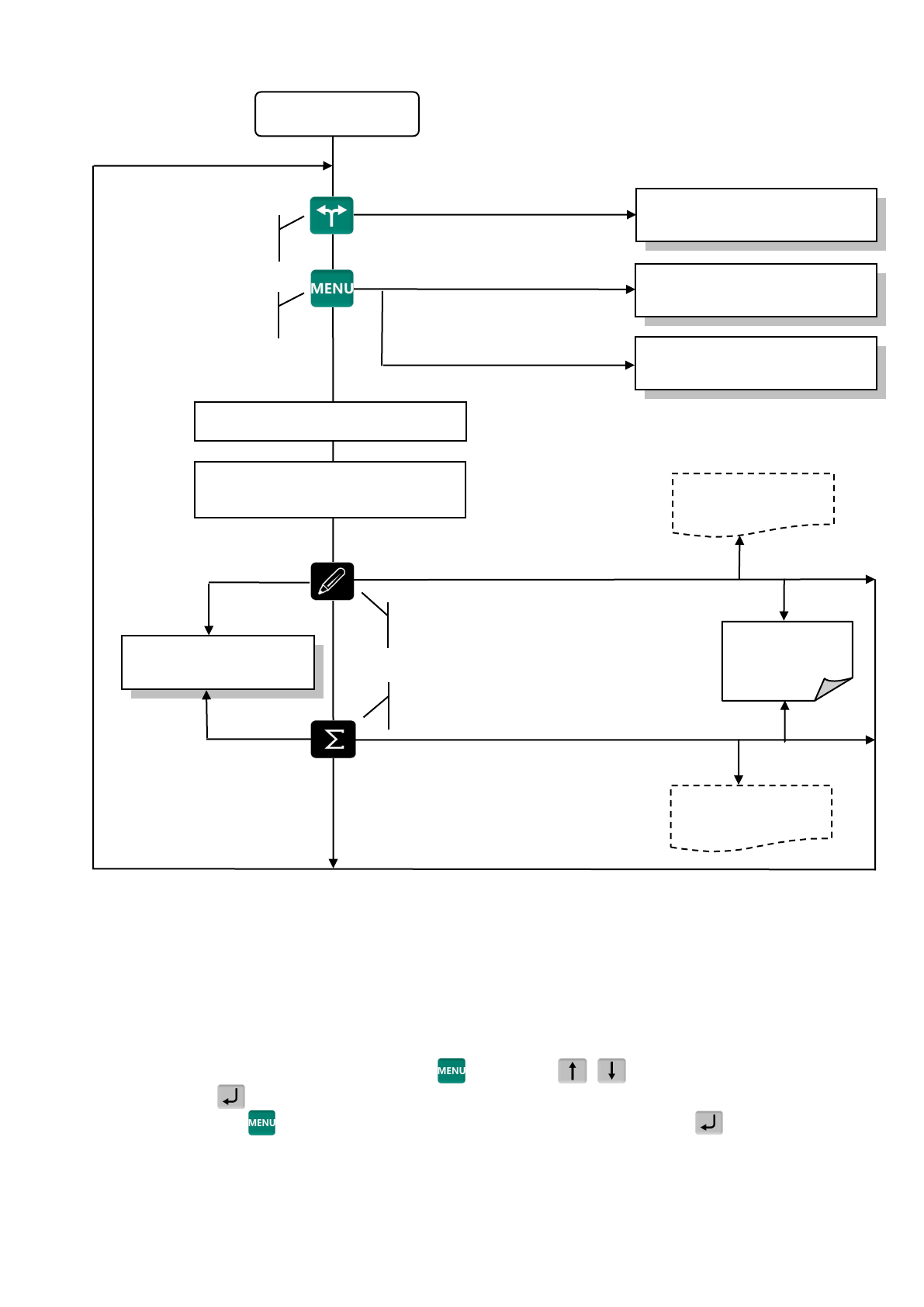
Рис.
3.1 -
Схема работы весов
4
Подготовка терминала к работе
4.1
Загрузка справочников в терминал
4.1.1
Загрузка справочников в
автономном режиме
работы
4.1.1.1
Переключение терминала
в автономный режим
Нажать и удерживать 2 секунды кнопку
, кнопками
,
выбрать пункт
"Автономный
режим"
,
нажать
.
(Краткая запись:
, удерживать 2 секунды
"Автономный режим"
)
, см. п.
После установки автономного режима, каждое включение
терминала
будет сопровождаться
кратковременным сообщением: "Автономный режим".
Нажать и удерживать 2 секунды
Нажать и удерживать 2 секунды
Кратковременно
нажать
Кратковременно
нажать
Поиск товара в справочнике, п
Определение массы товара
и
количества штук, п
Начало работы
Кратковременно нажать
Кратковременно
нажать
Нажать и удерживать 2 секунды
Выбор
режима
работы
,
п
Меню оператора
,
Меню администратора, п.
Печать итоговой
Печать этикетки на
товар, п.
Выбор
шаблона
печати, п.
Журнал
регистраций
Закрытие партии товаров, печать ито-
говой этикетки, выбор шаблона печати
Регистрация товара, печать этикетки
на товар, выбор шаблона печати.
Установка режимов
работы
Вызов меню операто-
ра и администратора