Велотренажеры DFC B5076P - инструкция пользователя по применению, эксплуатации и установке на русском языке. Мы надеемся, она поможет вам решить возникшие у вас вопросы при эксплуатации техники.
Если остались вопросы, задайте их в комментариях после инструкции.
"Загружаем инструкцию", означает, что нужно подождать пока файл загрузится и можно будет его читать онлайн. Некоторые инструкции очень большие и время их появления зависит от вашей скорости интернета.

14
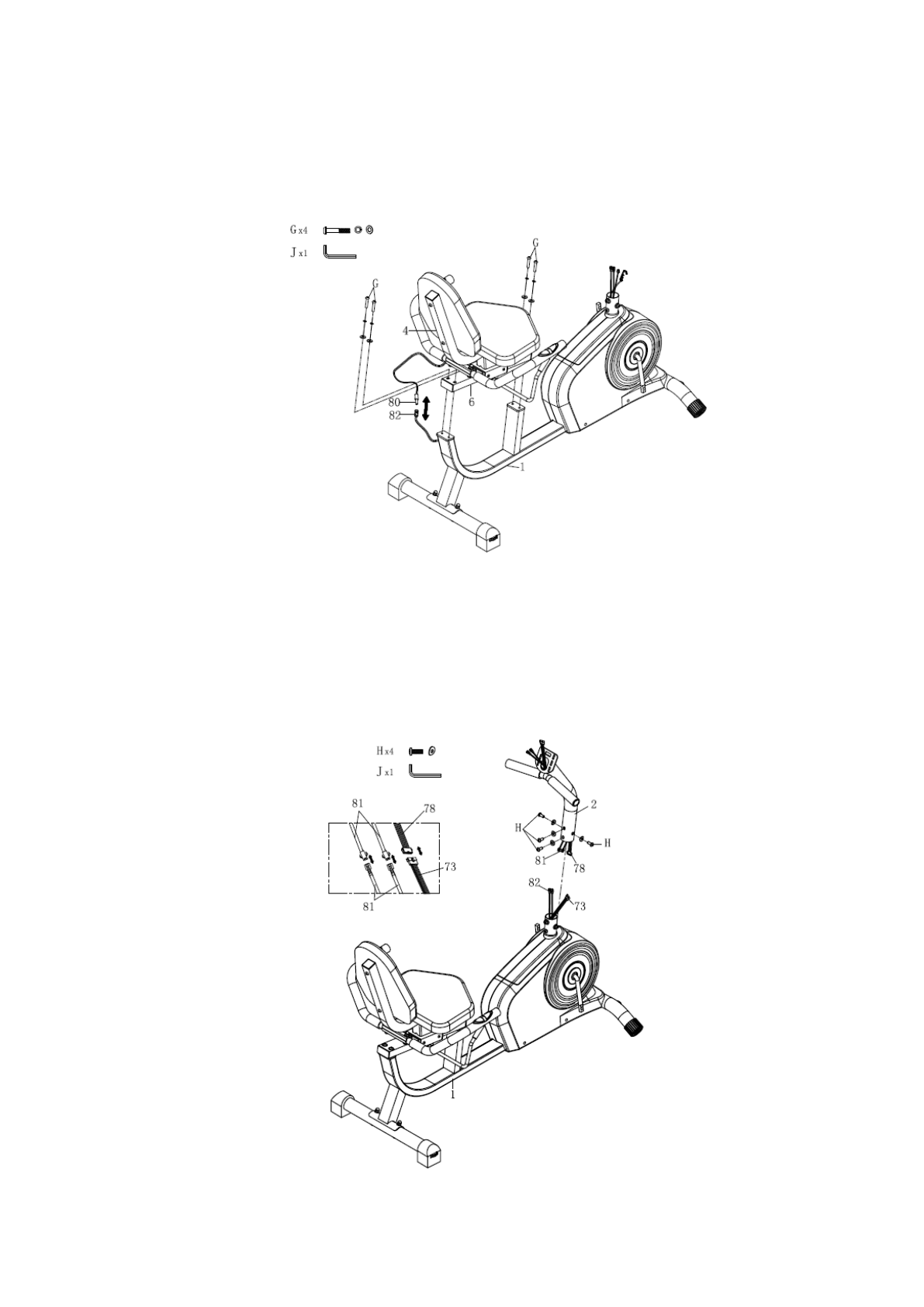
Шаг 5:
Прикрепите
держатель (4)
к
главной раме (1)
с помощью
комплекта крепежей (G)
–
болтов, пружинных и плоских шайб.
Соедините
нижний (80)
и
центральный провода пульсометра (82).
Шаг 6:
Соедините
верхний (78)
и
нижний (73) провода консоли
,
а затем –
верхние (81)
и
центральные (82) провода пульсометра.
Прикрепите
переднюю стойку (2)
к
главной раме (1)
с помощью
комплекта
крепежей (H)
– крестовых винтов и изогнутых шайб.
Содержание
- 3 ИНСТРУКЦИИ ПО БЕЗОПАСНОСТИ; исключительно для взрослых.
- 4 ПЕРЕД ТЕМ, КАК ПРИСТУПИТЬ К ЛЮБОЙ ПРОГРАММЕ ТРЕНИРОВОК,
- 6 СПЕЦИФИКАЦИЯ
- 9 СОСТАВНЫЕ ЧАСТИ ТРЕНАЖЁРА; НАИМЕНОВАНИЕ
- 10 ПЕРЕЧЕНЬ КРЕПЁЖНЫХ ДЕТАЛЕЙ; Noдетали
- 12 ИНСТРУКЦИИ ПО СБОРКЕ; комплекта
- 15 крестовых винтов; Прикрепите; левую; к соответствующим
- 16 РЕГУЛИРОВКА СИДЕНЬЯ; Рис. 1 Рис. 2; ПЕРЕМЕЩЕНИЕ ТРЕНАЖЁРА
- 17 РЕГУЛИРОВКА УСТОЙЧИВОСТИ ТРЕНАЖЁРА
- 18 ИНСТРУКЦИЯ ПО ИСПОЛЬЗОВАНИЮ КОНСОЛИ
- 20 Режимы тренировок:
- 22 Техническое характеристики блока управления
Характеристики
Остались вопросы?Не нашли свой ответ в руководстве или возникли другие проблемы? Задайте свой вопрос в форме ниже с подробным описанием вашей ситуации, чтобы другие люди и специалисты смогли дать на него ответ. Если вы знаете как решить проблему другого человека, пожалуйста, подскажите ему :)