Варочная панель Miele KM6362-1 - инструкция пользователя по применению, эксплуатации и установке на русском языке. Мы надеемся, она поможет вам решить возникшие у вас вопросы при эксплуатации техники.
Если остались вопросы, задайте их в комментариях после инструкции.
"Загружаем инструкцию", означает, что нужно подождать пока файл загрузится и можно будет его читать онлайн. Некоторые инструкции очень большие и время их появления зависит от вашей скорости интернета.

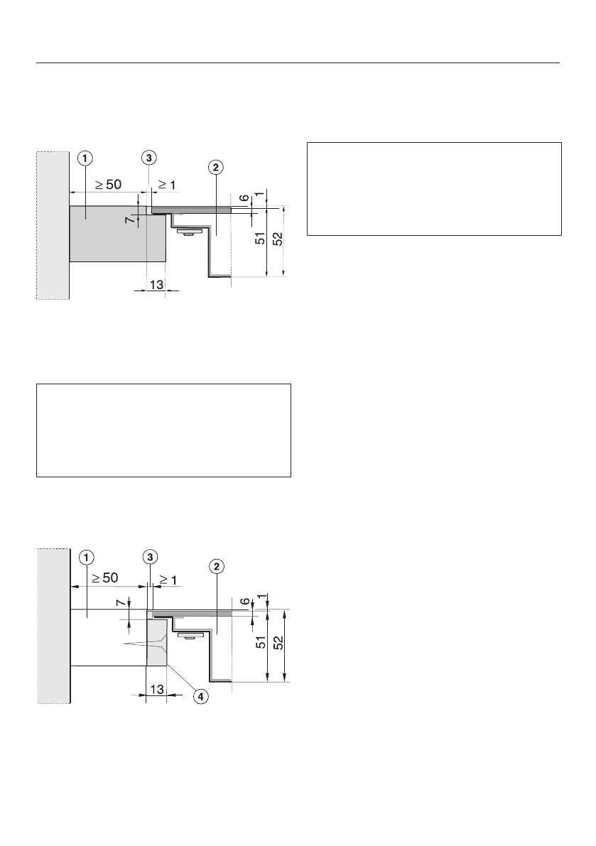
Панели конфорок с установкой заподлицо
56
Встраивание
Столешница из натурального кам-
ня
a
Столешница
b
Варочная панель
c
Зазор
Т.к. у стеклокерамической панели и
у выреза в столешнице может быть
допустимая разница в размерах, то
ширина зазора
(мин. 1 мм) может
варьироваться.
Столешница из массива дерева /
столешница, покрытая плиткой /
столешница из стекла
a
Столешница
b
Варочная панель
c
Зазор
d
Деревянные планки толщиной 13
мм (не входят в комплект постав-
ки)
Т.к. у стеклокерамической панели и
у выреза в столешнице может быть
допустимая разница в размерах, то
ширина зазора
(мин. 1 мм) может
варьироваться.













