Варочная панель Miele KM2356-1 - инструкция пользователя по применению, эксплуатации и установке на русском языке. Мы надеемся, она поможет вам решить возникшие у вас вопросы при эксплуатации техники.
Если остались вопросы, задайте их в комментариях после инструкции.
"Загружаем инструкцию", означает, что нужно подождать пока файл загрузится и можно будет его читать онлайн. Некоторые инструкции очень большие и время их появления зависит от вашей скорости интернета.

Монтаж
*INSTALLATION*
47
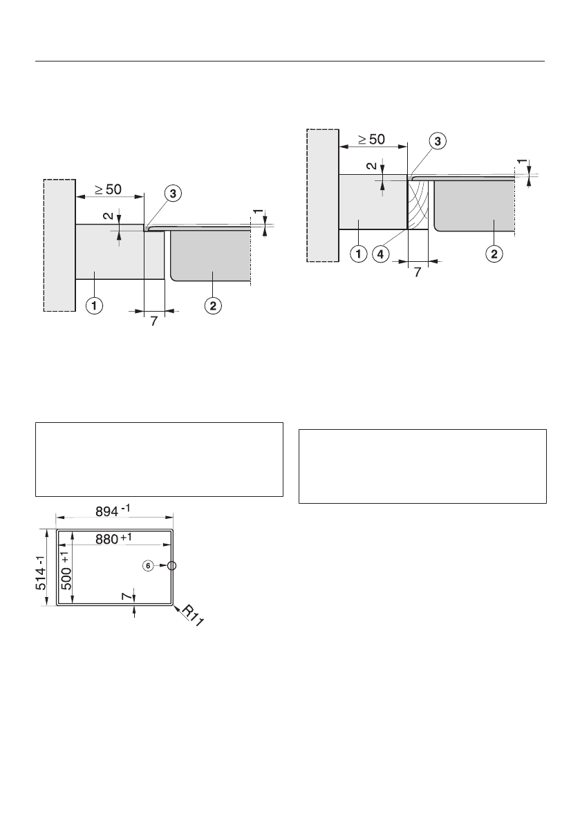
Монтаж – встраивание за-
подлицо
Столешница из натурального кам-
ня
a
Столешница
b
Панель конфорок
c
Зазор
Т.к. у панели конфорок и у выреза в
столешнице возможен определён-
ный допуск на размер, то ширина
зазора
может варьироваться.
e
Ступенчатая фрезеровка
Столешница из массива дерева /
столешница, покрытая плиткой
a
Столешница
b
Панель конфорок
c
Зазор
d
Деревянные планки толщиной 7
мм (не входят в комплект постав-
ки)
Т.к. у панели конфорок и у выреза в
столешнице возможен определён-
ный допуск на размер, то ширина
зазора
может варьироваться.
Характеристики
Остались вопросы?Не нашли свой ответ в руководстве или возникли другие проблемы? Задайте свой вопрос в форме ниже с подробным описанием вашей ситуации, чтобы другие люди и специалисты смогли дать на него ответ. Если вы знаете как решить проблему другого человека, пожалуйста, подскажите ему :)