Варочная панель Kuppersberg ESO 905 F - инструкция пользователя по применению, эксплуатации и установке на русском языке. Мы надеемся, она поможет вам решить возникшие у вас вопросы при эксплуатации техники.
Если остались вопросы, задайте их в комментариях после инструкции.
"Загружаем инструкцию", означает, что нужно подождать пока файл загрузится и можно будет его читать онлайн. Некоторые инструкции очень большие и время их появления зависит от вашей скорости интернета.

35
ENGLISH
TECHNICAL PASSPORT
Electric hobs
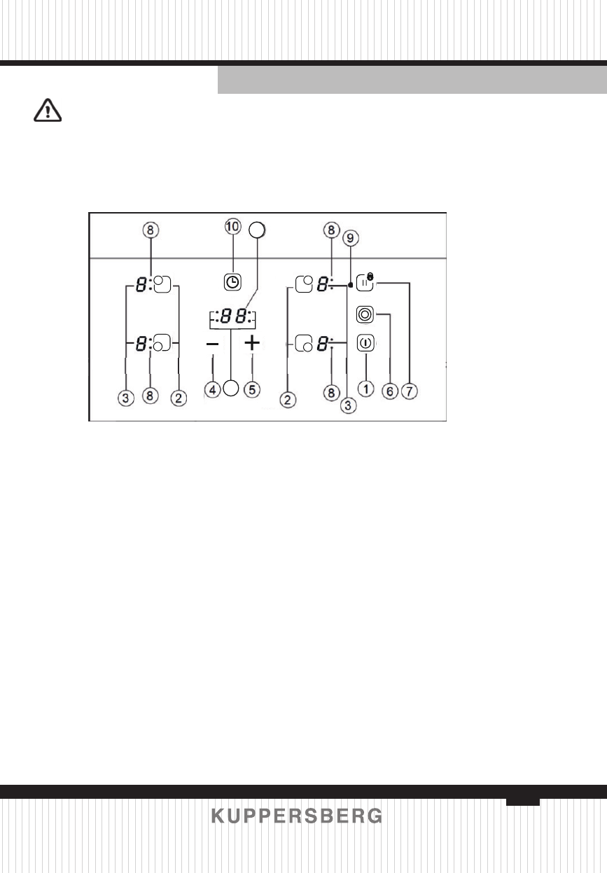
HANDLING ELEMENTS
1. On/Off touch button.
2. Hot plate selection buttons.
3. **Power and/or residual heat displays.
4. Touch button to decrease the heat power.
5. Touch button to increase the heat power.
6. Double hotplate button.
7. Stop&Go: Locking touch key for the rest of touch keys or activationsensor for
“Stop&Go” function.
8. ****Hot plate double/triple zone indicator (only next to double/tripleburner
hot plates).
9. **Lock icon.
10. Timer touch button.
11. **Timer display
12. **Indicator (12) of the hob with timer
* Depending on model
** Only visible while running.
PA RT 4. U S E A N D M A I N T E N A N C E
12
11
ESO 622 R
ESO 622 F
ESO 629
ESO629 F
Содержание
- 54 Ч АС Т Ь 3. П Р Е ДУ П Р Е Ж Д Е Н И Я П О Т Е Х Н И К Е; Меры предосторожности.
- 55 УС ТА Н О В К А
- 56 ЭЛЕМЕНТЫ УПРАВЛЕНИЯ; * В зависимости от модели; Ч АС Т Ь 4. И С П О Л Ь З О В А Н И Е И О Б С Л УЖ И В А Н И Е
- 57 И Н С Т Р У К Ц И Я П О Л Ь З О В АТ Е Л Я
- 59 ФУ Н К Ц И Я З А Щ И Т Ы; Активация защиты от детей:
- 60 Деактивация функции защиты от
- 62 Изменение настроенного; Включение функции останова.
- 63 ФУНКЦИЯ ОТКЛЮЧЕНИЯ
- 64 И С П О Л Ь З О В А Н И Е; Указания по использованию
- 65 Выключение электрических
- 67 Отключение тройной конфорки; ФУ Н К Ц И Я О С ТА Н О В А; Активация функции останова; З А П УС К А В ТО М АТ И Ч Е С КО Г О
- 69 Настройка таймера для
- 70 тарайтесь не допускать рассы
- 72 ТО; Перед вызовом технической служ; З А Щ И ТА О К Р УЖ А Ю Щ Е Й
- 73 Ошибка нескольких датчиков:; При одновременном отказе бо; Потенциальные главные причины; ватывают более 2-х датчиков; Обратите Ваше внимание!
- 74 ТАБЛИЦА С СЕРИЙНЫМ НОМЕРОМ:; Серийный номер 5 цифр
- 75 УС Л О В И Я ГА РА Н Т И Й Н О Г О О Б С Л УЖ И В А Н И Я.
- 81 ГАРАНТИЙНЫЙ СЕРТИФИКАТ
Характеристики
Остались вопросы?Не нашли свой ответ в руководстве или возникли другие проблемы? Задайте свой вопрос в форме ниже с подробным описанием вашей ситуации, чтобы другие люди и специалисты смогли дать на него ответ. Если вы знаете как решить проблему другого человека, пожалуйста, подскажите ему :)













