Варочная панель HEBERMANN HBKC 6042.1 B - инструкция пользователя по применению, эксплуатации и установке на русском языке. Мы надеемся, она поможет вам решить возникшие у вас вопросы при эксплуатации техники.
Если остались вопросы, задайте их в комментариях после инструкции.
"Загружаем инструкцию", означает, что нужно подождать пока файл загрузится и можно будет его читать онлайн. Некоторые инструкции очень большие и время их появления зависит от вашей скорости интернета.

10
HBKC 6042.1 BL
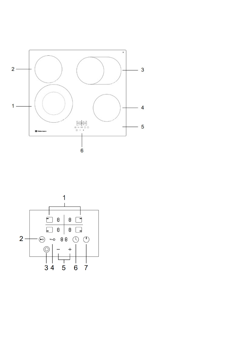
ПАНЕЛЬ УПРАВЛЕНИЯ
1. Зона нагрева (138/230 мм.)
1100/2200 Вт.
2. Зона нагрева (165 мм.)
/1200 Вт.
3. Зона нагрева (165/270 мм.)
1000/2000 Вт.
4. Зона нагрева (165 мм.)
/1200 Вт.
5. Стеклокерамическая
основа
6. Панель управления
1. Кнопки выбора зон нагрева
2. Функция Stop&go
3. Кнопка управления зонами расшире-
ния
4. Кнопка блокировки
5. Кнопка выбора режима мощности
нагрева/ управления таймером
6. Таймер
7. Кнопка включения/выключения
Содержание
- 7 ПАНЕЛЬ УПРАВЛЕНИЯ
- 12 Начало приготовления
- 15 Настройка таймера на отключение одной зоны нагрева
- 18 Настройка степени нагрева; Настройка степени
- 19 Неправильное использование; Риск повреждения поверхностей!; • Не используйте для чистки прибора струи пара.; ОЧИСТКА И УХОД
- 20 ЧТО ДЕЛАТЬ В СЛУЧАЕ НЕИСПРАВНОСТИ?
- 21 ТЕХНИЧЕСКИЕ ХАРАКТЕРИСТИКИ
- 22 Выбор оборудования для установки прибора; рые указаны на рисунке.; УСТАНОВКА
- 23 Перед установкой варочной панели убедитесь, что:
- 24 После установки варочной панели убедитесь, что:; • кабель электропитания не соприкасается с дверцами и выдвижными; Перед размещением крепежных скоб; ковку). Не надавливайте на выступающие элементы управления. После
- 25 Обязательно следует подсоединять провод заземления.
- 26 Подключение варочной панели; Осторожно! Частое ослабление и затягивание винтов в распре-
- 27 Утилизируйте упаковку с соблюдением правил экологической; Согласно ст. 26 законодательного декрета от 14 марта 2014 года No; ходимо утилизировать отдельно от других отходов.; ПРАВИЛА УТИЛИЗАЦИИ













