Варочная панель Haier HHY-C64TOVB - инструкция пользователя по применению, эксплуатации и установке на русском языке. Мы надеемся, она поможет вам решить возникшие у вас вопросы при эксплуатации техники.
Если остались вопросы, задайте их в комментариях после инструкции.
"Загружаем инструкцию", означает, что нужно подождать пока файл загрузится и можно будет его читать онлайн. Некоторые инструкции очень большие и время их появления зависит от вашей скорости интернета.

10
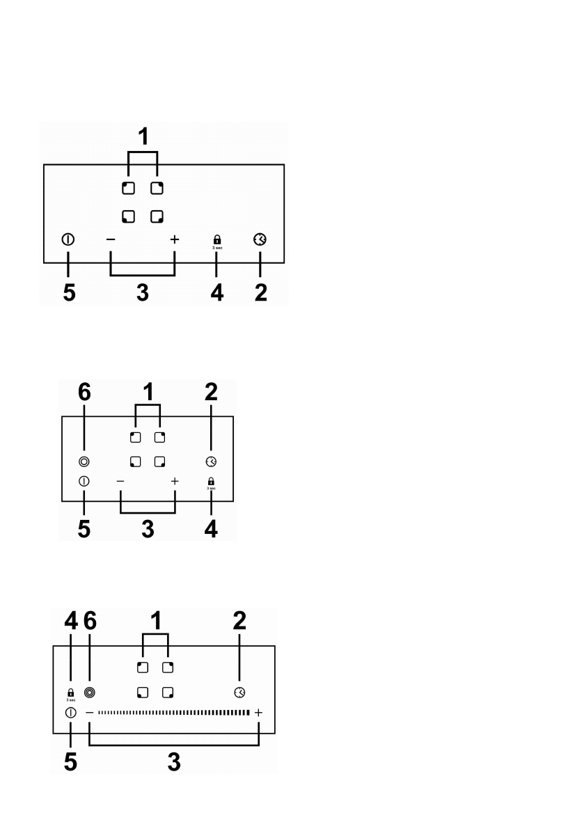
Панель управления
HHY-C64NVB и HHY-C64NFB
HHY-C64DVB
и
HHY-C64DFB
HHY-C64TOVB
и
HHY-C64TOFB
1. Элементы управления зоной
нагрева
2. Управление таймером
3. Регулируемые элементы
управления мощностью/таймером
4. Управление блокировкой
5. Управление ВКЛ/ВЫКЛ
1. Элементы управления зоной
нагрева
2. Управление таймером
3. Регулируемые элементы
управления мощностью/таймером
4. Управление блокировкой
5. Управление ВКЛ/ВЫКЛ
6. Управление двойной зоной
1. Элементы управления зоной
нагрева
2. Управление таймером
3. Регулируемые элементы
управления мощностью/таймером
4. Управление блокировкой
5. Управление ВКЛ/ВЫКЛ
6. Управление тройной/овальной
зоной
Содержание
- 3 Опасность для здоровья
- 4 Опасность порезов
- 8 Поздравляем; Краткие сведения об изделии; Вид сверху
- 10 Панель управления
- 11 Сведения о керамической варочной панели; Перед использованием новой варочной панели
- 12 Выбор кухонной посуды
- 13 Использование керамической варочной панели; Начало приготовления пищи; Или
- 15 По окончании приготовления пищи; Блокировка элементов управления; Порядок блокировки элементов управления
- 16 Разблокировка элементов управления; Защита от перегрева; Предупреждение об остаточном нагреве; Автоматическое выключение; Уровень мощности; Применение таймера
- 17 Применение таймера для обратного отсчета; Если вы не выбрали ни одну зону приготовления пищи; Настройка таймера на выключение
- 18 Настройка таймера на выключение нескольких зон
- 20 Рекомендации к приготовлению пищи; Советы по приготовлению пищи; арка стейка
- 21 Настройки нагрева; Настройка нагрева; Уход и чистка
- 22 Полезные советы; Проблема
- 23 Технические характеристики
- 24 Выбор оборудования для установки; Зоны; Кухонная варочная панель; Общие разм
- 25 мм
- 26 Перед расположением крепежных кронштейнов; Меры предосторожности
- 30 Излучающие
- 31 Зона; Вт х; Код материала
- 32 ОБСЛУЖИВАНИЕ КЛИЕНТОВ
- 64 Haier