Страница 2 - Съдържание; Изучение конструкции настенного электрического котла .. 8
Съдържание 2 Руководство по монтажу и техобслуживанию eloBLOCK 0020094388_03 Съдържание 1 Указания по документации .............................................. 3 1.1 Учет совместно действующей документации .......................... 3 1.2 Хранение документации ........................................
Страница 3 - Указания по документации; Учет совместно действующей документации; Тип аппарата; Артикульный номер аппарата см. на заводской табличке.; Маркировка СЕ
RU Указания по документации Руководство по монтажу и техобслуживанию eloBLOCK 0020094388_03 3 1 1 Указания по документации Следующие указания представляют собой „путеводитель“ по всей документации.В сочетании с данным руководством по монтажу и техническому обслуживанию действительна и другая докумен...
Страница 4 - Заводская табличка и обозначение типа; eloBLOCK VE 6; Заводская табличка; Дата изготовления аппарата; Правила хранения и транспортировки
a Указания по документации 4 Руководство по монтажу и техобслуживанию eloBLOCK 0020094388_03 1 1.6 Заводская табличка и обозначение типа Обозначение типа аппарата eloBLOCK Вы найдете на заводской табличке, размещенной на заводе на днище облицовки аппарата. 21114600100031073100005266N7 Vaillant GmbH ...
Страница 5 - Указания по технике безопасности и предписания; Классификация предупреждающих указаний; Объяснение; Структура предупреждающих указаний; Любое недозволенное использование запрещено.
RU Руководство по монтажу и техобслуживанию eloBLOCK 0020094388_03 5 a Указания по технике безопасности и предписания a 2 2 Указания по технике безопасности и предписания 2.1 Указания по безопасности и предупреждающие указания > При монтаже соблюдайте общие указания по технике безопас-ности и пре...
Страница 6 - Общие указания по безопасности; Не используйте трубные клещи, удлинители и пр.; Изменения вблизи отопительного аппарата; На следующих устройствах запрещается выполнять изменения:; Нормы и правила
6 Руководство по монтажу и техобслуживанию eloBLOCK 0020094388_03 a Указания по технике безопасности и предписания a 2 2.3 Общие указания по безопасности Строго соблюдайте приведенные ниже указания по технике безо-пасности и предписания. Монтаж и настройка Монтаж, наладочные работы, техническое обсл...
Страница 7 - Описание аппарата; Модельный ряд приборов; Мощность водонагревателя/
RU Описание аппарата Руководство по монтажу и техобслуживанию eloBLOCK 0020094388_03 7 3 3 Описание аппарата 3.1 Модельный ряд приборов Настенный электрический котел может поставляться в следующих вариантах. Типы аппаратов различаются прежде всего мощностью. Тип аппарата Мощность водонагревателя/ на...
Страница 8 - Пояснения к рисунку
Описание аппарата 8 Руководство по монтажу и техобслуживанию eloBLOCK 0020094388_03 3 3.2 Изучение конструкции настенного электрического котла 2 1 4 5 6 3 7 10 8 9 11 12 14 13 15 3.1 Вид спереди, аппарат открыт Пояснения к рисунку 1 Нагревательный элемент2 Клапан для выпуска воздуха3 Водонагреватель...
Страница 9 - Функциональные элементы; Функциональные элементы аппарата
RU Описание аппарата Руководство по монтажу и техобслуживанию eloBLOCK 0020094388_03 9 3 1 2 3.2 Вид сзади, аппарат открыт Пояснения к рисунку 1 Расширительный бак2 Насос отопительной системы 3.3 Функциональные элементы TS 1 10 11 12 2 3 4 5 6 7 8 9 3.3 Функциональные элементы аппарата Пояснения к р...
Страница 10 - Общее описание функционирования; Обозначение; Монтаж и установка; Объем поставки; Наименование
Монтаж и установка 10 Руководство по монтажу и техобслуживанию eloBLOCK 0020094388_03 4 3.4 Общее описание функционирования Настенные электрические котлы eloBLOCK фирмы Vaillant предна-значены для использования в системах отопления – горячего водо-снабжения с принудительной циркуляцией воды. Настенн...
Страница 11 - Место установки; Ограничения для влажных помещений; вне
RU Монтаж и установка Руководство по монтажу и техобслуживанию eloBLOCK 0020094388_03 11 4 4.2 Место установки e Опасно! Опасность для жизни вследствие поражения электрическим током, вызванным попаданием воды в незащищенные части аппарата. > Монтируйте аппарат только там, где вода не может попаст...
Страница 12 - Необходимые минимальные расстояния/свободные пространства; Габаритные и монтажные размеры; Монтажные размеры в мм
Монтаж и установка 12 Руководство по монтажу и техобслуживанию eloBLOCK 0020094388_03 4 4.3 Необходимые минимальные расстояния/свободное пространство для монтажа A A B C D 4.3 Необходимые минимальные расстояния/свободные пространства для монтажа Как для монтажа аппарата, так и для последующего пров...
Страница 13 - Навешивание аппарата; Смонтируйте кронштейн аппарата (; Снятие облицовки аппарата; Демонтаж передней облицовки
RU Монтаж и установка Руководство по монтажу и техобслуживанию eloBLOCK 0020094388_03 13 4 4.5 Навешивание аппарата b Осторожно! Опасность повреждения аппарата вследствие неудовлетворительного качества монтажа! Аппарат можно монтировать только на прочной, неразъемной поверхности стены. > Обратите...
Страница 14 - Для подключения аппарата со стороны отопительной; Подключение настенного электрического котла к; Монтаж подающей и обратной линий; Смонтируйте перепускной клапан.
Монтаж и установка 14 Руководство по монтажу и техобслуживанию eloBLOCK 0020094388_03 4 4.7 Подключение гидравлического контура настенного электрического котла b Осторожно! Опасность повреждения из-за загрязнений в подающей и обратной линиях системы отопления! Такие загрязнения, как остатки от сварк...
Страница 15 - Подключение предохранительного клапана; Выпускное отверстие предохранительного клапана; Электроподключение; нулевым и заземляющим
RU Электроподключение Руководство по монтажу и техобслуживанию eloBLOCK 0020094388_03 15 5 4.7.2 Подключение предохранительного клапана a Опасно! Опасность ожога и/или повреждения вслед-ствие утечки воды! Возможные негерметичности в трубопроводах! > Подсоедините выпуск предохранительного клапана ...
Страница 16 - Подключение к электросети; Заземление
Электроподключение 16 Руководство по монтажу и техобслуживанию eloBLOCK 0020094388_03 5 5.2 Подключение к электросети Настенные электрические котлы Vaillant eloBLOCK предназначены для подключения к электросети 3 x 230/400 В.Аппараты VE 6 и VE 9 могут подключаться к 1 x 230 В с помощью перемычки.Номи...
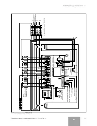
Страница 17 - Схемы электропроводки; ТЭНы; Дисплей
RU Электроподключение Руководство по монтажу и техобслуживанию eloBLOCK 0020094388_03 17 5 5.6 Схемы электропроводки ТЭНы 6 kW (2 x 3 kW) 9 kW (3 kW + 6 kW) 12 kW (2 x 6 kW) 14 kW (2 x 7 kW) Сетевое подключение: 3 x 230/400VAC, N, PE, 50 Hz Плата управления Датчик NT C Реле сброса нагрузки Датчик на...
Страница 18 - Сетевое подключение:; Плата управления
Электроподключение 18 Руководство по монтажу и техобслуживанию eloBLOCK 0020094388_03 5 Сетевое подключение: 3 x 230/400VAC, N, PE, 50 Hz Режим OK PE PE U V W N N W V U N N N N N N K5 Дисплей J3 RE1 RE9 1 1 A1 A2 A1 A 2 N L1 L2 L3 PE S1 S2 K1 T80mA T1,6A J1 1 K2 J2 Вывод для 3-ходового переключающег...
Страница 20 - Подключение реле сброса нагрузки; Выводы на штекерных соединениях K8 и K9; Чтобы подсоединить сигнализатор, действуйте следующим образом:
Электроподключение 20 Руководство по монтажу и техобслуживанию eloBLOCK 0020094388_03 5 5.7 Подключение реле сброса нагрузки Внешнее реле сброса нагрузки может управлять мощностью электрического настенного отопительного аппарата в зависимости от загруженности электросети здания.В случае перегрузки э...
Страница 21 - Пример подключения каскадом; Подключение к однофазной э/сети
RU Электроподключение Руководство по монтажу и техобслуживанию eloBLOCK 0020094388_03 21 5 1 2 3 5.6 Пример подключения каскадом Пояснения к рисунку 1 Фильтр2 Запорный кран3 Обратный клапан 5.10 Подключение к однофазной э/сети N L PE PE W V U N S2 S1 1 5.7 Установка перемычки для подключения к одно...
Страница 22 - Ввод в эксплуатацию; Заполнение аппарата и системы отопления; Общая жесткость при минимальной нагревательной
Ввод в эксплуатацию 22 Руководство по монтажу и техобслуживанию eloBLOCK 0020094388_03 6 6 Ввод в эксплуатацию a Опасно! Опасность материального ущерба и/или травм людей из-за ненадлежащего монтажа! Аппарат должен эксплуатироваться – при вводе в эксплуатацию – при тестировании – при длительной работ...
Страница 23 - Заполнение аппарата и системы отопления и; Проверка давления наполнения системы отопления
RU Ввод в эксплуатацию Руководство по монтажу и техобслуживанию eloBLOCK 0020094388_03 23 6 6.1.2 Заполнение аппарата и системы отопления и удаление воздуха из них 2 1 6.1 Проверка давления наполнения системы отопления i Аппарат eloBLOCK оснащен манометром ( 2 ) и цифро- вым индикатором давления ( 1...
Страница 24 - Адаптирование отопительного аппарата к системе отопления; Проверка функционирования аппарата
24 Руководство по монтажу и техобслуживанию eloBLOCK 0020094388_03 7 Адаптирование отопительного аппарата к системе отопления > Установите приемную емкость под оконечность шланга клапана для выпуска воздуха ( 1 ). > Откройте клапан для выпуска воздуха ( 1 ) и держите открытым, пока из отопител...
Страница 25 - Адаптирование отопительного аппарата к системе отопления; Обзор настраиваемых параметров установки; В последнюю колонку Вы можете внести свои; Значение
RU Адаптирование отопительного аппарата к системе отопления Руководство по монтажу и техобслуживанию eloBLOCK 0020094388_03 25 7 7.2 Обзор настраиваемых параметров установки Следующие параметры можно настроить для адаптации аппарата к системе отопления и к требованиям пользователя: i В последнюю кол...
Страница 26 - “ Вы можете настроить значе-; Наружная температура в °C
Адаптирование отопительного аппарата к системе отопления 26 Руководство по монтажу и техобслуживанию eloBLOCK 0020094388_03 7 Диаг-ностиче-ский код Значение Индикационные/настраиваемые значения Заводская настройка Настройка, определяемая характеристиками системы d.71 Расчетное значение макс. темпера...
Страница 27 - Температура помещения
RU Адаптирование отопительного аппарата к системе отопления Руководство по монтажу и техобслуживанию eloBLOCK 0020094388_03 27 7 7.2.6 Настройка температуры подающей линии, отличающейся от кривой отопления Кривая отопления устанавливается на заводе без смещения (настройка „ P- “). В коде диагностики...
Страница 28 - Пример 2; Осмотр и техническое обслуживание; Периодичность осмотров и техобслуживания
Осмотр и техническое обслуживание 28 Руководство по монтажу и техобслуживанию eloBLOCK 0020094388_03 8 Пример 2 Вы намерены эксплуатировать отопительный аппарат мощностью 28 кВт (3 x 43 A) с отдельным водонагревателем мощностью 6 кВт (3 x 9 A), который подключен ко всем фазам. Для защиты установлен ...
Страница 29 - Опасность ожога горячими компонентами!
RU Осмотр и техническое обслуживание Руководство по монтажу и техобслуживанию eloBLOCK 0020094388_03 29 8 e Опасно! Опасность для жизни вследствие поражения электрическим током на токоведущих зажи-мах! На клеммах питания аппарата имеется электриче-ское напряжение даже при выключенном главном выключа...
Страница 30 - Устранение неисправностей; Неисправности
Устранение неисправностей 30 Руководство по монтажу и техобслуживанию eloBLOCK 0020094388_03 9 9 Устранение неисправностей 9.1 Неисправности При эксплуатации могут случаться следующие сбои: – Перегрев аппарата – Сухой режим 9.1.1 Перегрев аппарата i Для предотвращения травм и материального ущерба ап...
Страница 31 - Коды ошибок; При обращении в сервисную службу или к дилеру; Код
RU Устранение неисправностей Руководство по монтажу и техобслуживанию eloBLOCK 0020094388_03 31 9 9.2 Коды ошибок i При обращении в сервисную службу или к дилеру Vaillant называйте, по возможности отображенный код ошибки (F.xx). При возникновении неисправностей коды ошибок вытесняют любую другую инд...
Страница 32 - Поиск ошибок
Устранение неисправностей 32 Руководство по монтажу и техобслуживанию eloBLOCK 0020094388_03 9 9.3 Поиск ошибок На дисплее отображаются значения или сообщения? нет > Проверьте предохранитель электронной платы и включено ли питание. да Отображается давление ниже 0,06 MПа (0,6 бар)? да > Долейте...
Страница 33 - Вызов и изменение кодов ошибок
RU Устранение неисправностей Руководство по монтажу и техобслуживанию eloBLOCK 0020094388_03 33 9 9.4 Вызов и изменение кодов ошибок В режиме диагностики Вы можете изменять определенные параметры или вызывать дополнительную информацию. Способ вызова режима диагностики описан в главе 7.1 . Код Значен...
Страница 35 - Замена конструктивных узлов; 0 Замена конструктивных узлов; Указания по технике безопасности; Демонтаж отопительного насоса
RU Замена конструктивных узлов Руководство по монтажу и техобслуживанию eloBLOCK 0020094388_03 35 10 10 Замена конструктивных узлов Описанные ниже в этом разделе работы должны выполняться только аттестованным фирмой Vaillant специализированным предприятием. > Для ремонтных работ используйте тольк...
Страница 36 - Замена теплообменника; Крепежный винт обратной линии отопления; Замена ТЭНа
Замена конструктивных узлов 36 Руководство по монтажу и техобслуживанию eloBLOCK 0020094388_03 10 > Снова установите двигатель. > Прикрутите крышку быстродействующего воздухоотводчика. i Если после осмотра/технического обслуживания прои- зошла блокировка насоса, это не является гарантийным слу...
Страница 37 - Замена предохранительного клапана; Демонтаж предохранительного клапана; Замена датчика давления воды; Демонтаж датчика давления
RU Замена конструктивных узлов Руководство по монтажу и техобслуживанию eloBLOCK 0020094388_03 37 10 > После монтажа нового ТЭНа проверьте герметичность всех водонесущих соединений и прочную посадку всех штекерных соединений. i Ремонт засоренного ТЭНа не является гарантийным случаем. 10.5 Замена ...
Страница 38 - Датчик температуры NTC и тепловой предохранитель; Замена расширительного бака; Крепежные винты крепежного щитка
Замена конструктивных узлов 38 Руководство по монтажу и техобслуживанию eloBLOCK 0020094388_03 10 10.7 Замена датчика температуры NTC и теплового предохранителя > Отсоедините аппарат от электросети. > Дайте воде в системе отопления и в аппарате охладиться до при-мерно 40 °C. 2 1 10.9 Датчик т...
Страница 39 - Сервисная служба и гарантия; 1 Сервисная служба и гарантия; Гарантия; 2 Вторичное использование и утилизация; Аппарат; Строго соблюдайте действующие в Вашей стране
RU Сервисная служба и гарантия Руководство по монтажу и техобслуживанию eloBLOCK 0020094388_03 39 11 11 Сервисная служба и гарантия 11.1 Гарантия Действующие условия гарантии завода-изготовителя Вы найдёте в приложенном к Вашему аппарату паспорте изделия. 11.2 Гарантийное и сервисное обслуживание Ак...
Страница 40 - 3 Технические характеристики; Технические характеристики
Технические характеристики 40 Руководство по монтажу и техобслуживанию eloBLOCK 0020094388_03 13 13 Технические характеристики Единицы измерения VE 6 VE 9 VE 12 VE 14 VE 18 VE 21 VE 24 VE 28 Мощность на нагрев кВт 6 9 12 14 18 21 24 28 Диапазон регулировки системы отопления °C 25 - 85 26 - 85 27 - 8...
Страница 41 - Характеристика внутреннего датчика температуры VR 11; Потеря давления eloBLOCK
RU Технические характеристики Руководство по монтажу и техобслуживанию eloBLOCK 0020094388_03 41 13 Температура (°C) Сопротивление (Ом) -40 327344 -35 237193 -30 173657 -25 128410 -20 95862 -15 72222 -10 54892 -5 42073 0 32510 5 25316 10 19862 15 15694 20 12486 25 10000 30 8060 35 6535 40 5330 45 43...
Страница 44 - С правом на изменения; Производитель
00 2 009 43 88_0 3 HRR U 012 014 – Pridrža v amo pr a v o izmjene – С правом на изменения ул. Народного Ополчения д. 34, стр. 1 Proizvoñač - Производитель Predstavništvo - Поставщик