Vaillant eloBLOCK VE6 R13 одноконтурный - Инструкция по эксплуатации

Vaillant eloBLOCK VE6 R13 одноконтурный

Котел Vaillant eloBLOCK VE6 R13 одноконтурный - инструкция пользователя по применению, эксплуатации и установке на русском языке. Мы надеемся, она поможет вам решить возникшие у вас вопросы при эксплуатации техники.

Если остались дополнительные вопросы — свяжитесь с нами через контактную форму.

1 Страница 1
2 Страница 2
3 Страница 3
4 Страница 4
5 Страница 5
6 Страница 6
7 Страница 7
8 Страница 8
9 Страница 9
10 Страница 10
11 Страница 11
12 Страница 12
13 Страница 13
14 Страница 14
15 Страница 15
16 Страница 16
17 Страница 17
18 Страница 18
19 Страница 19
20 Страница 20
21 Страница 21
22 Страница 22
23 Страница 23
24 Страница 24
25 Страница 25
26 Страница 26
27 Страница 27
28 Страница 28
29 Страница 29
30 Страница 30
31 Страница 31
32 Страница 32
33 Страница 33
34 Страница 34
35 Страница 35
36 Страница 36
37 Страница 37
38 Страница 38
39 Страница 39
40 Страница 40
41 Страница 41
42 Страница 42
43 Страница 43
44 Страница 44
Страница: / 44

Содержание:

  • Страница 2 – Съдържание; Изучение конструкции настенного электрического котла .. 8
  • Страница 3 – Указания по документации; Учет совместно действующей документации; Тип аппарата; Артикульный номер аппарата см. на заводской табличке.; Маркировка СЕ
  • Страница 4 – Заводская табличка и обозначение типа; eloBLOCK VE 6; Заводская табличка; Дата изготовления аппарата; Правила хранения и транспортировки
  • Страница 5 – Указания по технике безопасности и предписания; Классификация предупреждающих указаний; Объяснение; Структура предупреждающих указаний; Любое недозволенное использование запрещено.
  • Страница 6 – Общие указания по безопасности; Не используйте трубные клещи, удлинители и пр.; Изменения вблизи отопительного аппарата; На следующих устройствах запрещается выполнять изменения:; Нормы и правила
  • Страница 7 – Описание аппарата; Модельный ряд приборов; Мощность водонагревателя/
  • Страница 8 – Пояснения к рисунку
  • Страница 9 – Функциональные элементы; Функциональные элементы аппарата
  • Страница 10 – Общее описание функционирования; Обозначение; Монтаж и установка; Объем поставки; Наименование
  • Страница 11 – Место установки; Ограничения для влажных помещений; вне
  • Страница 12 – Необходимые минимальные расстояния/свободные пространства; Габаритные и монтажные размеры; Монтажные размеры в мм
  • Страница 13 – Навешивание аппарата; Смонтируйте кронштейн аппарата (; Снятие облицовки аппарата; Демонтаж передней облицовки
  • Страница 14 – Для подключения аппарата со стороны отопительной; Подключение настенного электрического котла к; Монтаж подающей и обратной линий; Смонтируйте перепускной клапан.
  • Страница 15 – Подключение предохранительного клапана; Выпускное отверстие предохранительного клапана; Электроподключение; нулевым и заземляющим
  • Страница 16 – Подключение к электросети; Заземление
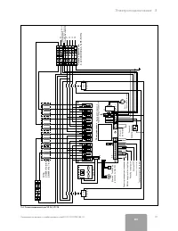
  • Страница 17 – Схемы электропроводки; ТЭНы; Дисплей
  • Страница 18 – Сетевое подключение:; Плата управления
  • Страница 20 – Подключение реле сброса нагрузки; Выводы на штекерных соединениях K8 и K9; Чтобы подсоединить сигнализатор, действуйте следующим образом:
  • Страница 21 – Пример подключения каскадом; Подключение к однофазной э/сети
  • Страница 22 – Ввод в эксплуатацию; Заполнение аппарата и системы отопления; Общая жесткость при минимальной нагревательной
  • Страница 23 – Заполнение аппарата и системы отопления и; Проверка давления наполнения системы отопления
  • Страница 24 – Адаптирование отопительного аппарата к системе отопления; Проверка функционирования аппарата
  • Страница 25 – Адаптирование отопительного аппарата к системе отопления; Обзор настраиваемых параметров установки; В последнюю колонку Вы можете внести свои; Значение
  • Страница 26 – “ Вы можете настроить значе-; Наружная температура в °C
  • Страница 27 – Температура помещения
  • Страница 28 – Пример 2; Осмотр и техническое обслуживание; Периодичность осмотров и техобслуживания
  • Страница 29 – Опасность ожога горячими компонентами!
  • Страница 30 – Устранение неисправностей; Неисправности
  • Страница 31 – Коды ошибок; При обращении в сервисную службу или к дилеру; Код
  • Страница 32 – Поиск ошибок
  • Страница 33 – Вызов и изменение кодов ошибок
  • Страница 35 – Замена конструктивных узлов; 0 Замена конструктивных узлов; Указания по технике безопасности; Демонтаж отопительного насоса
  • Страница 36 – Замена теплообменника; Крепежный винт обратной линии отопления; Замена ТЭНа
  • Страница 37 – Замена предохранительного клапана; Демонтаж предохранительного клапана; Замена датчика давления воды; Демонтаж датчика давления
  • Страница 38 – Датчик температуры NTC и тепловой предохранитель; Замена расширительного бака; Крепежные винты крепежного щитка
  • Страница 39 – Сервисная служба и гарантия; 1 Сервисная служба и гарантия; Гарантия; 2 Вторичное использование и утилизация; Аппарат; Строго соблюдайте действующие в Вашей стране
  • Страница 40 – 3 Технические характеристики; Технические характеристики
  • Страница 41 – Характеристика внутреннего датчика температуры VR 11; Потеря давления eloBLOCK
  • Страница 44 – С правом на изменения; Производитель
Загрузка инструкции

RU

Руководство по монтажу и техобслуживанию

eloBLOCK

VE

Для специалистов

Руководство по монтажу и техобслуживанию

"Загрузка инструкции" означает, что нужно подождать пока файл загрузится и можно будет его читать онлайн. Некоторые инструкции очень большие и время их появления зависит от вашей скорости интернета.

Краткое содержание

Страница 2 - Съдържание; Изучение конструкции настенного электрического котла .. 8

Съдържание 2 Руководство по монтажу и техобслуживанию eloBLOCK 0020094388_03 Съдържание 1 Указания по документации .............................................. 3 1.1 Учет совместно действующей документации .......................... 3 1.2 Хранение документации ........................................

Страница 3 - Указания по документации; Учет совместно действующей документации; Тип аппарата; Артикульный номер аппарата см. на заводской табличке.; Маркировка СЕ

RU Указания по документации Руководство по монтажу и техобслуживанию eloBLOCK 0020094388_03 3 1 1 Указания по документации Следующие указания представляют собой „путеводитель“ по всей документации.В сочетании с данным руководством по монтажу и техническому обслуживанию действительна и другая докумен...

Страница 4 - Заводская табличка и обозначение типа; eloBLOCK VE 6; Заводская табличка; Дата изготовления аппарата; Правила хранения и транспортировки

a Указания по документации 4 Руководство по монтажу и техобслуживанию eloBLOCK 0020094388_03 1 1.6 Заводская табличка и обозначение типа Обозначение типа аппарата eloBLOCK Вы найдете на заводской табличке, размещенной на заводе на днище облицовки аппарата. 21114600100031073100005266N7 Vaillant GmbH ...

Характеристики

Другие модели - Котлы Vaillant

Все котлы Vaillant