Усилители Yamaha T5n - инструкция пользователя по применению, эксплуатации и установке на русском языке. Мы надеемся, она поможет вам решить возникшие у вас вопросы при эксплуатации техники.
Если остались вопросы, задайте их в комментариях после инструкции.
"Загружаем инструкцию", означает, что нужно подождать пока файл загрузится и можно будет его читать онлайн. Некоторые инструкции очень большие и время их появления зависит от вашей скорости интернета.

14
T5n/T4n/T3n Руководство пользователя
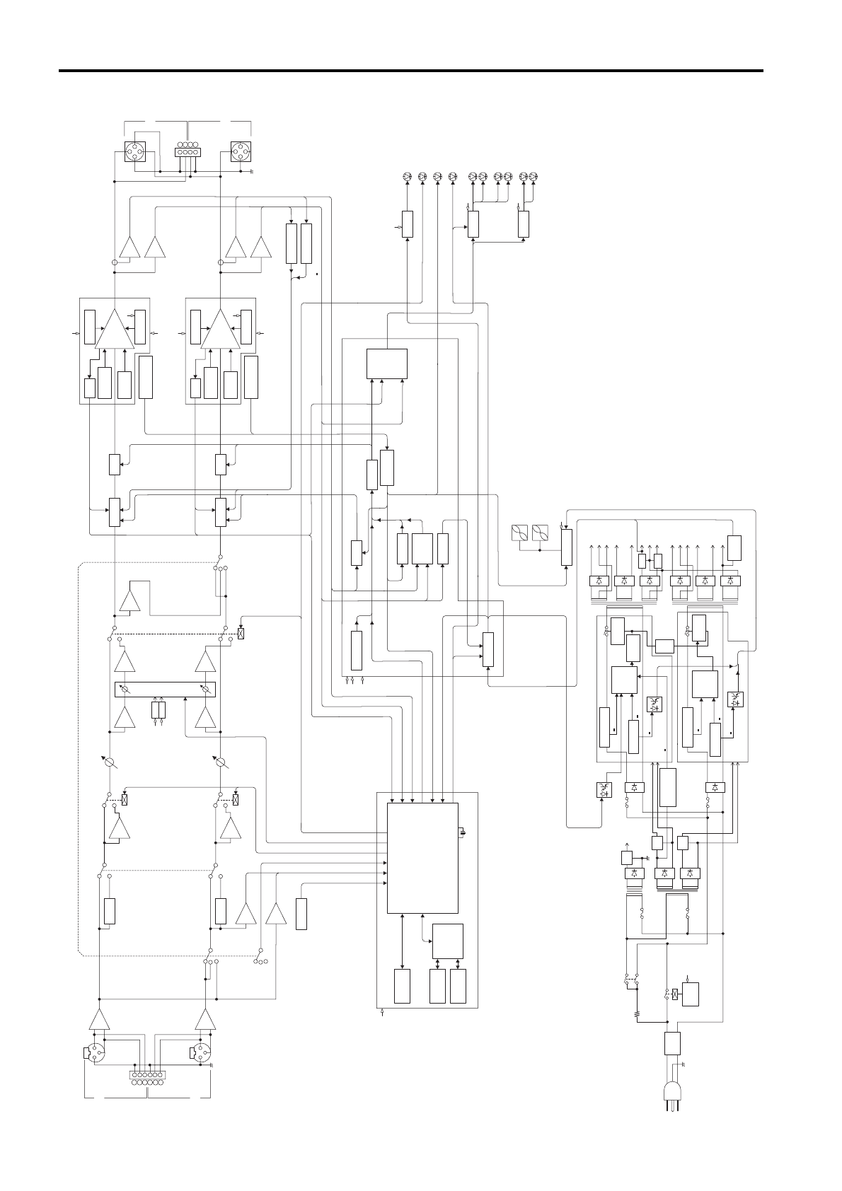
Блок схема
+
+
–
–
+
–
G
+
–
G
3
12
3
12
BA
BA
BA
POWER
BA
INV
INV
INV
INV
INV
BA
BA
BA
INV
INV
1+
2+
1–
2–
1+
2+
1–
2–
CH A
CH B
FG
+5V
–6dB
–6dB
MODEL ID
OVER CURRENT
SHUTDOWN
(LATCH)
SHUTDOWN
(LATCH)
TEMPERATURE
OVER CURRENT
SWITCHING
CONTROL
VOLTAGE
LIMITER
TEMPERATURE
SENSOR
VI
LIMITER
PHASE
SHIFT
SWITCHING
DRIVER
TEMPERATURE
CALCULATOR
SWITCHING
DRIVER
VOLTAGE
DETECT
+15V
–15V
+15V
AC INPUT
HIGH VOLTAGE
+15V
EMI
FILTER
RELAY
DRIVE
FAN CONTROL
PROTECTION
POWER ON/OFF
∑
1
+B(A)
FAN (L)
TEMP
FAN (R)
+27V
EEEngine(–B)
EEEngine(+B)
CLIP
HIGH FREQUENCY
MAX CURRENT
+B
10mV/˚C
–B
AMP HEAT SINK
+14V(B)
GAIN
35.5dB
POWER
VOLTAGE
LIMITER
TEMPERATURE
SENSOR
VI
LIMITER
EEEngine(–B)
EEEngine(+B)
CLIP
LIMITER
MUTE
LIMITER
MUTE
+B
10mV/˚C
–B
AMP HEAT SINK
MUTE
(CH A)
MUTE
(CH B)
+14V(A)
GAIN
35.5dB
DRIVER
DRIVER
+5V (POWER ON)
POWER/STANDBY
GR/OR (GR+RE)
OUTPUT
(SPEAKERS)
FG
OUTPUT I
MONITOR (CH B)
OUTPUT V
MONITOR (CH B)
OUTPUT I
MONITOR (CH A)
OUTPUT V
MONITOR (CH A)
REMOTE
GR
TEMP
RE
PROTECTION
RE
CLIP/LIMIT
RE
OUTPUT SIGNAL
GR
MUTE
RE
CH B
CH A
CH B
CH A
CH B
CH A
+5V
STANDBY (REMOTE)
REMOTE
TEMP
MUTE
OUTPUT V
CLIP
PROTECTION
DRIVER
+5V
GND(A)
–B(A)
+14V(A)
0V(A)
+15V
+15V
PS HEAT
SINK
+5V
0V
+15V
0V
GND
–15V
+B(B)
GND(B)
–B(B)
+14V(B)
0V(B)
+27V
BD
MAIN TRANSFORMER
MAIN TRANSFORMER
SUB TRANSFORMER
SUB TRANSFORMER
Thermal cutoff
Thermal cutoff
POWER
RELAY
+27V
J : 100V 50Hz/60Hz
U: 120V 60Hz
H: 230V 50Hz
A: 240V 50Hz
PROTECTION
>
150 Apeak
>
150 Apeak
>
80˚C
>
80˚C
>
100˚C
>
50Apeak (2.5kW @ 2
Ω
)
>
130%
TEMPERATURE
PS HEAT
SINK
>
100˚C
ELECTRIC VARIABLE RESISTANCE
GAIN
–3.4dB
STEREO
BRIDGE
PARALLEL
STEREO
BRIDGE
PARALLEL
STEREO
BRIDGE
PARALLEL
BA
GAIN
–3.4dB
FG
GAIN
26dB
32dB
MODE
MODEL ID
INPUT V MONITOR
MODE
PHASE CONTROL
LEVEL CONTROL
REMOTE
+6V
–6V
ID
SWITCHES
RS-485
DRIVER/
RECEIVER
CPU
DATA PORT 1
(RJ-45)
DATA PORT 2
(RJ-45)
OVER HEAT
MUTE
DC FAULT
LOAD
SHORT
LED
LOGIC
+100˚C
OUTPUT I
OUTPUT I
TEMP
OUTPUT V
TEMP
+15V
+5V
BD
CLIP
INPUT V
MONITOR (CH B)
INPUT V
MONITOR (CH A)
MODE
GAIN
0dB
GAIN
0dB
GAIN
–10dB
GAIN
10dB
REMOTE
GAIN
0dB
GAIN
–10dB
GAIN
10dB
PHASE
(CH B)
PHASE
(CH A)
+15V
–15V
CH B ATT
31 position
CH A ATT
31 position
LEVEL CONTROL
OUTPUT V MONITOR
OUTPUT I MONITOR
MUTE (REMOTE)
TEMP
PROTECTION STATUS
STANDBY (REMOTE)
6.4512MHz
+5V
–15V
OUTPUT V
CH A
INPUT
[+24dBu] MAX
CH B
Содержание
- 3 Предостережения; Внимательно прочитайте перед началом работы; Предупреждение
- 5 Введение; Основные характеристики:; Àêñåññóàðû; Содержание
- 6 Регуляторы и функции; Передняя панель
- 7 Задняя панель
- 8 Подключение громкоговорителей; Режим STEREO; пятисторонняя клемма
- 9 Режим BRIDGE
- 10 Wiring; Использование разъема; Пятисторонняя клемма
- 11 Чистка элемента фильтра; Устранение неисправностей
- 12 Спецификации



