Усилители Yamaha RX-V1000RDS - инструкция пользователя по применению, эксплуатации и установке на русском языке. Мы надеемся, она поможет вам решить возникшие у вас вопросы при эксплуатации техники.
Если остались вопросы, задайте их в комментариях после инструкции.
"Загружаем инструкцию", означает, что нужно подождать пока файл загрузится и можно будет его читать онлайн. Некоторые инструкции очень большие и время их появления зависит от вашей скорости интернета.

14
Подключение
видео
компонентов
Видео
разъемы
Есть
три
типа
видео
разъемов
: VIDEO –
обычные
композитные
, S-VIDEO
и
COMPONENT
VIDEO -
компонентные
.
Видео
сигнал
через
компонентный
сигнал
передается
с
наилучшим
качеством
.
Если
Ваш
видео
компонент
оборудован
S-Video
или
компонентным
разъемом
,
используйте
эти
подключения
:
соедините
выходной
разъем
S-Video
компонента
-
источника
с
входом
S-VIDEO
этого
ресивера
,
или
компонентный
выход
на
источнике
с
входным
разъемом
COMPONENT
VIDEO
на
ресивере
.
·
Каждый
тип
разъемов
работает
независимо
,
сигнал
,
поступивший
через
разъем
определенного
типа
,
выходит
через
разъем
этого
же
типа
.
·
Если
Вы
сделали
подключения
с
помощью
разъемом
S-Video,
то
не
требуется
выполнять
композитные
подключения
.
В
случае
подключения
обоих
типов
разъемы
S-Video
имеют
приоритет
.
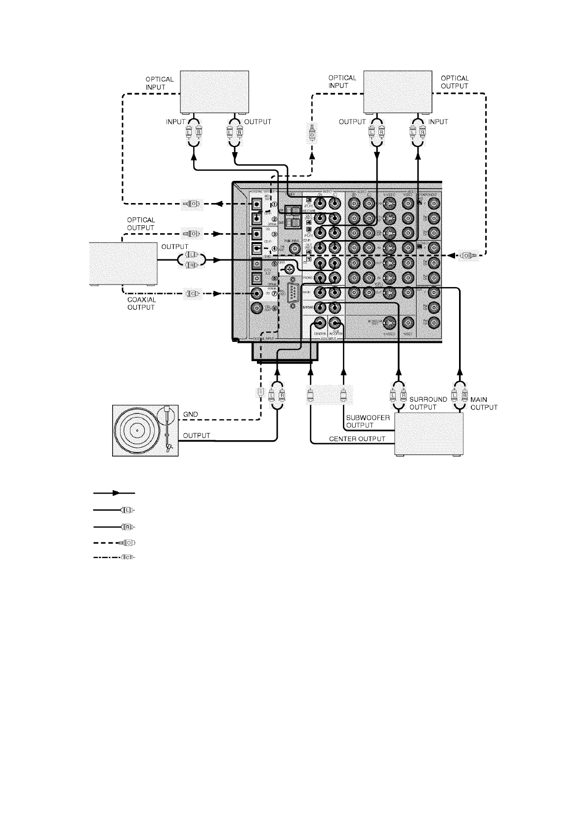
MD
рекордер
или
кассетная
дека
CD
рекордер
CD
проигрыватель
Внешний
декодер
Проигрыватель
виниловых
дисков
Направление
сигнала
Левый
аналоговый
кабель
Правый
аналоговый
кабель
Оптический
кабель
Коаксиальный
кабель



