Yamaha RX-E400 - Инструкция по эксплуатации - Страница 5

Усилители Yamaha RX-E400 - инструкция пользователя по применению, эксплуатации и установке на русском языке. Мы надеемся, она поможет вам решить возникшие у вас вопросы при эксплуатации техники.

Если остались вопросы, задайте их в комментариях после инструкции.

"Загружаем инструкцию", означает, что нужно подождать пока файл загрузится и можно будет его читать онлайн. Некоторые инструкции очень большие и время их появления зависит от вашей скорости интернета.
Страница:
/ 15
Загружаем инструкцию
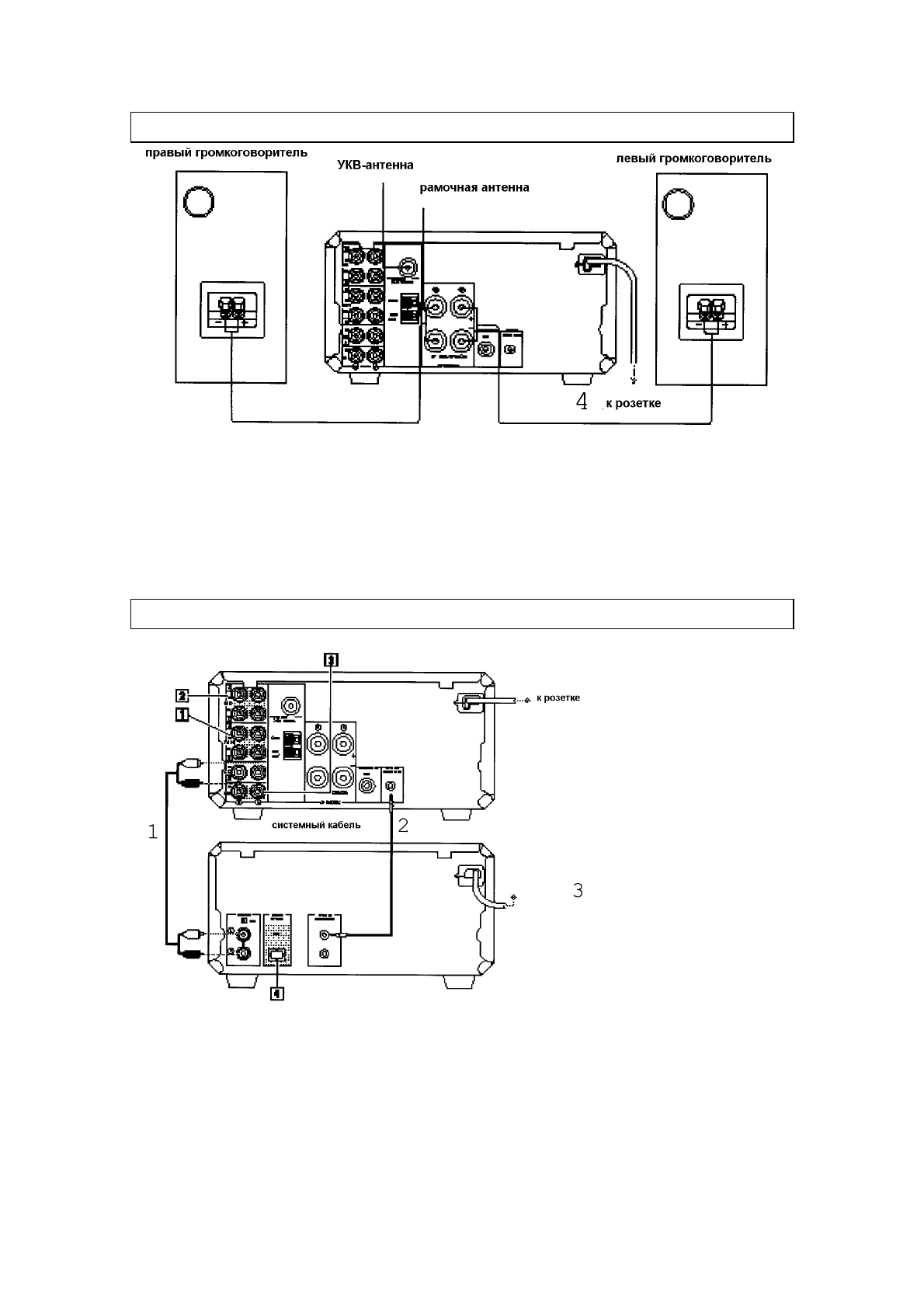
background image

5

 

.

1.

 

 

   

 SPEAKER. 

 

 

 

 

 

 

 

 

   

 

 

 

 

 

 

 

 

 

 –

 (+), 

 – 

 (-). 

2.

 

 

 

.

3.

 

 FM 

.

4.

 

 

   

 

.

 

.

 RX-E400 /CDX-E400

1.

 

 

 

 RCA 

 

   (

).

2.

 

 

 

 

 

.

 SYSTEM CONNECTOR   CDX-E400 

 

 

MDX-T300 

 KX-E300.

3.

 

 

 

 

 CDX-E400   AC OUTLET- 

 

 RX-

E400.

   

 

 KX-E100   MDX-E100 

 

 

 

:

Полезные видео

Характеристики

Оцените статью
tehnopanorama.ru
Остались вопросы?

Не нашли свой ответ в руководстве или возникли другие проблемы? Задайте свой вопрос в форме ниже с подробным описанием вашей ситуации, чтобы другие люди и специалисты смогли дать на него ответ. Если вы знаете как решить проблему другого человека, пожалуйста, подскажите ему :)

Задать вопрос

Часто задаваемые вопросы
Как посмотреть инструкцию к Yamaha RX-E400?
Необходимо подождать полной загрузки инструкции в сером окне на данной странице
Руководство на русском языке?
Все наши руководства представлены на русском языке или схематично, поэтому вы без труда сможете разобраться с вашей моделью
Как скопировать текст из PDF?
Чтобы скопировать текст со страницы инструкции воспользуйтесь вкладкой "HTML"