Усилители Yamaha RX-797 - инструкция пользователя по применению, эксплуатации и установке на русском языке. Мы надеемся, она поможет вам решить возникшие у вас вопросы при эксплуатации техники.
Если остались вопросы, задайте их в комментариях после инструкции.
"Загружаем инструкцию", означает, что нужно подождать пока файл загрузится и можно будет его читать онлайн. Некоторые инструкции очень большие и время их появления зависит от вашей скорости интернета.

12
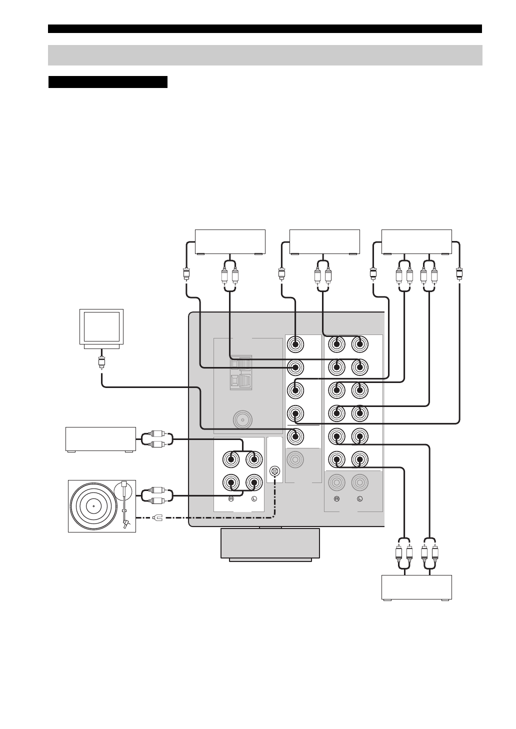
RACCORDEMENTS
• Ne reliez aucun appareil à l’alimentation secteur aussi longtemps que tous les raccordements ne sont pas terminés.
• Toutes les connexions doivent être correctes: L (gauche) à L, R (droite) à R, “+” à “+” et “–” à “–”. Reportez-vous aussi au mode
d’emploi de chaque appareil.
• Utilisez des câbles à fiches de type RCA pour relier les appareils audio/vidéo, sauf pour les enceintes.
y
• Ces prises PHONO sont conçues pour raccorder un tourne-disque avec MM ou cartouche MC gros volume. Si votre platine tourne-
disque possède une cartouche MC de faible volume, connectez la platine sur les prises PHONO avec un transformateur survolté ou un
amplificateur de tête MC.
• Raccordez votre tourne-disque à la prise GND pour réduire le bruit parasitant le signal. Toutefois, avec certains tourne-disque les
parasites sont moins importants sans raccordement à la borne GND.
Connexion des périphériques audio et vidéo
AVERTISSEMENT
DVD
DTV/
CBL
IN
IN
(PLAY)
OUT
(REC)
OUT
MD/
TAPE
ZONE 2
OUT
VCR
GND
GND
AM
ANT
FM
ANT
75
Ω
UNBAL.
CD
PHONO
AUDIO
AUDIO
VIDEO
TUNER
R
L
L
R
L
R
L
R
L
R
L
R
L
R
L
R
V
V
V
V
V
MONITOR
OUT
DVD
DTV/
CBL
IN
OUT
VCR
ZONE 2
OUT
Tourne-disque
Lecteur de DVD
En
tr
ée
au
di
o
Magnétoscope, etc.
Lecteur de CD
Magnétophone MD
Lecteur de cassette, etc.
So
rtie
au
di
o
Sortie audio
GND
Sortie audio
So
rtie
au
di
o
Entrée audio
Sortie audio
Télévision numérique
Câble de télévision
So
rtie
vid
éo
So
rtie
vid
éo
So
rtie
au
di
o
So
rtie
vid
éo
En
tr
ée
vid
éo
Vidéo
Moniteur
Entrée vidéo
Содержание
- 223 СОДЕРЖАНИЕ; ВВЕДЕНИЕ
- 224 Усовершенствованный AM/ЧМ тюнер; ОПИСАНИЕ
- 225 ВВЕДЕНИ; Прием инфракрасных сигналов от пульта ДУ.; Дисплей фронтальной панели; СИСТЕМЫ УПРАВЛЕНИЯ И ФУНКЦИИ; Фронтальная панель; Резервная копия памяти; Примечания
- 226 Примечание
- 227 Загорается при включении функции Zone 2.; Только модель для Европы
- 228 Задняя панель
- 229 Выдает инфракрасные сигналы.; Селекторные кнопки источника; Установка данного аппарата в режим ожидания.; Включение данного аппарата.
- 230 Установка таймера сна.
- 231 Пульт ДУ для Zone 2
- 232 Примечания по батарейкам; Использование пультов ДУ; Установка батареек в пульт ДУ
- 233 ОВКА; Примечания по кабелю колонки; СОЕДИНЕНИЯ; Подключение колонок
- 234 Подключение аудио и видеокомпонентов
- 236 Подключение рамочной АМ-антенны; Нажмите и удерживайте защелку.
- 237 Гнезда COUPLER; Общая модель; Переключатель IMPEDANCE SELECTOR
- 238 Main Zone данного аппарата включается.
- 239 ОСНОВНОЕ; ВОСПРОИЗВЕДЕНИЕ И ЗАПИСЬ
- 241 Регулировка ручки BALANCE; Регулировка ручки LOUDNESS; Настойка тональности
- 242 Запись источника
- 243 Применение таймера сна
- 245 Нажмите кнопку; НАСТРОЙКА ДИАПАЗОНА ЧМ/AM; Автоматическая настройка
- 246 Нажмите кнопку TUNING; Ручная настройка
- 251 Смотрите раздел “Функция EON” на стр. 31.; RADIO DATA SYSTEM (ТОЛЬКО МОДЕЛЬ ДЛЯ ЕВРОПЫ); Прием радиостанций системы Radio Data System
- 252 Функция PTY SEEK
- 253 • Аппарат прекращает поиск при нахождении; Отмена данной функции; Функция EON
- 254 Параметры меню ADVANCED SETUP; Исходные установки; Дистанционное управление; Тюнер; ДОПОЛНИТЕЛЬНЫЕ НАСТРОЙКИ
- 256 от пульта ДУ Zone 2 в Zone 2 на компоненты в основной комнате.; Многокомнатная конфигурация и подключения; Подключение компонентов Zone 2
- 257 Управление Zone 2
- 258 Управление данным аппаратом; ОПИСАНИЕ ПУЛЬТА ДИСТАНЦИОННОГО; Зона управления
- 259 Управление другими компонентами
- 260 Установки по умолчанию кода ДУ; Установка кодов ДУ
- 261 ПОЛ; Общая часть; ВОЗМОЖНЫЕ НЕИСПРАВНОСТИ И СПОСОБЫ ИХ УСТРАНЕНИЯ
- 264 АУДИОРАЗДЕЛ; ТЕХНИЧЕСКИЕ ХАРАКТЕРИСТИКИ



