Усилители Sony STR-DE445 - инструкция пользователя по применению, эксплуатации и установке на русском языке. Мы надеемся, она поможет вам решить возникшие у вас вопросы при эксплуатации техники.
Если остались вопросы, задайте их в комментариях после инструкции.
"Загружаем инструкцию", означает, что нужно подождать пока файл загрузится и можно будет его читать онлайн. Некоторые инструкции очень большие и время их появления зависит от вашей скорости интернета.

13
GB
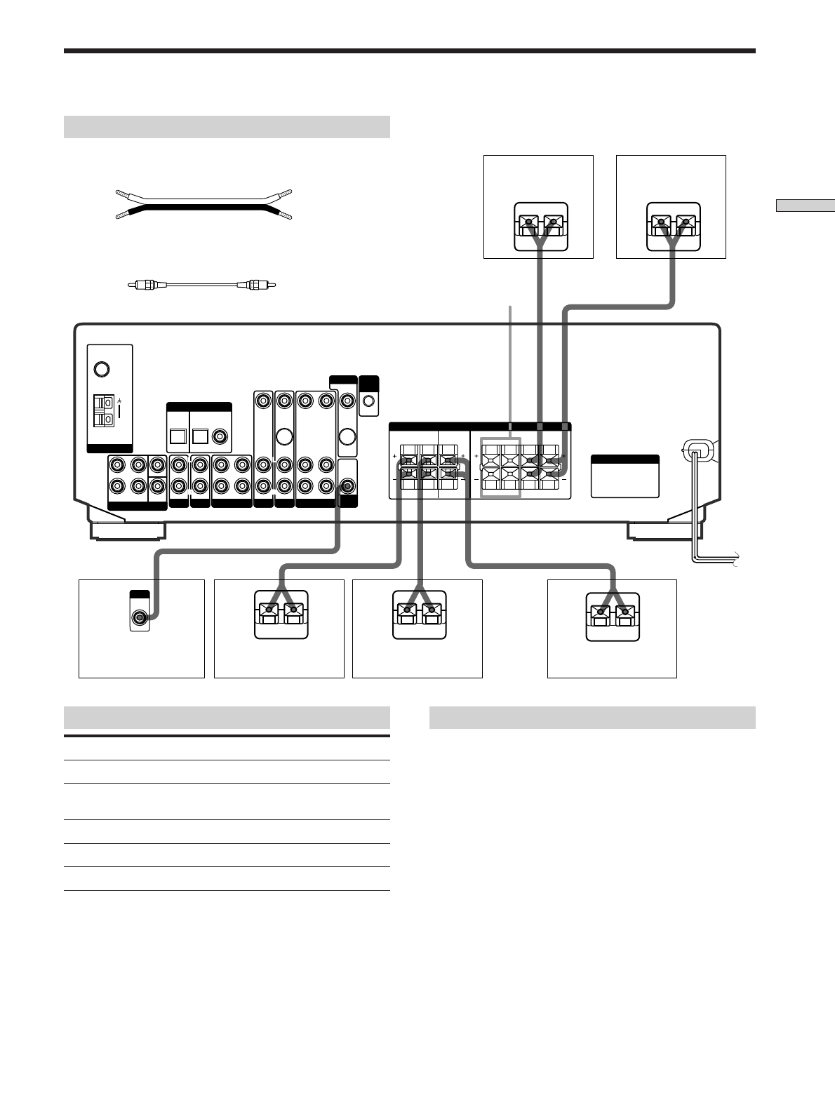
Hooking Up and Setting Up the Speaker System
Required cords
Speaker cords (not supplied)
One for each front, rear, and center speaker
Monaural audio cord (not supplied)
One for an active sub woofer
Black
Black
}
]
}
]
}
]
}
]
}
]
INPUT
AUDIO
IN
* FRONT
SPEAKERS B
FRONT
REAR
SUB
WOOFER
AUDIO IN
AUDIO IN
TV/SAT
OPTICAL
OPTICAL
COAXIAL
DVD/LD
REC OUT
IN
AUDIO IN
VIDEO IN
AUDIO IN
VIDEO IN
AUDIO OUT
AUDIO IN
VIDEO OUT
VIDEO IN
VIDEO OUT
S-VIDEO
OUT
S-VIDEO
IN
AUDIO
OUT
4
Ω
8
Ω
CENTER
L
R
L
R
L
R
L
R
L
R
FRONT
REAR
R
L
R
L
R
L
R
L
R
L
R
L
CENTER
B FRONT A
FM
75
Ω
COAXIAL
AM
ANTENNA
5.1 CH INPUT
AUX
CD
DIGITAL IN
MD/TAPE
VIDEO
SUB
WOOFER
IMPEDANCE
SELECTOR
MONITOR CTRL
A1
I I
AC OUTLET
SPEAKERS
DVD/LD
TV/SAT
Front speaker (R)
Front speaker (L)
Center speaker
Active sub woofer
Rear speaker (R)
Rear speaker (L)
Notes on speaker system hookup
• Twist the stripped ends of the speaker cords about 10
mm (2/3 inch). Be sure to match the speaker cord to the
appropriate terminal on the components: + to + and – to
–. If the cords are reversed, the sound will be distorted
and will lack bass.
• If you use front speakers with low maximum input
rating, adjust the volume carefully to avoid excessive
output on the speakers.
• You can also connect Micro Satellite Speaker (e.g.
SA-VE230) to the receiver. Micro Satellite Speaker is a
5.1 Channel speaker system consisting of two front
speakers, two rear speakers, one center speaker and one
subwoofer.
* STR-DE545 and STR-SE501 only.
Terminals for connecting the speakers
Connect the
To the
Front speakers (8 ohm)
SPEAKERS FRONT A terminals
*Additional pair of front
SPEAKERS FRONT B terminals
speakers (8 ohm)
Rear speakers (8 ohm)
SPEAKERS REAR terminals
Center speaker (8 ohm)
SPEAKERS CENTER terminals
Active sub woofer
SUB WOOFER AUDIO OUT jack
Speaker System Hookup
(+)
(–)
(+)
(–)
Содержание
- 59 Обозначения; • В руководстве по эксплуатации указан порядок; Содержание; Подключение компонентов 4; Демонстрационный режим; Модель; Типы различий
- 60 Распаковка; Когда следует заменять батарейки?; Прежде всего
- 61 Разъемы для подключения антенн; Что подключать; Подключение антенн; Примечания по подключению антенн; • Для предотвращения помех, расположите AM; Если Вы находитесь в зоне неуверенного приема
- 62 Какие требуются кабели?; Аудио кабели (в комплект поставки не входят); Подключение аудио компонентов
- 63 омпонентов; При использовании разъемов S-video вместо разъемов; Подключение видео компонентов
- 64 Подключение цифровых компонентов; Примечание
- 65 Подключение к разъему 5.1CH INPUT; Видео кабель (в комплект поставки не входит); Пример подключения DVD проигрыватель через разъемы 5.1 CH INPUT
- 66 Другие виды подключений
- 67 • Если у Вас многодисковый Sony CD -; Подключение сетевого шнура; Предостережение
- 68 Нажмите для входа в режим
- 69 • Скрутите плотнее зачищенные от изоляции концы; Подключение акустических систем
- 71 Перед включением ресивера; Нажмите и удерживайте; Подготовка к эксплуатации; Подготовка ресивера к эксплуатации
- 72 Настройка многоканального пространственного звучания; Установки запоминаются автоматически.
- 73 О размерах акустических систем (LARGE и SMALL); Расположение тыльных акустических систем; Pro Logic
- 74 Настройка многоканальной системы пространственного звучания; Высота установки тыльных акустических; О расположении тыльных акустических систем; Выбор сверхнизкочастотного громкоговорителя
- 76 систем (смотрите раздел “; Проверьте правильность соединений; Нажатием; Еще об уровне звучания акустических систем?
- 77 SPEAKERS selector” на; Отсутствует звук определенного устройства:; SPEAKERS selector” и “разъем
- 79 Служит для подключения наушников.
- 80 Кнопка DIMMER; Описание элементов передней панели
- 81 Прослушивание аналогового звукового источника; Служит для выбора фиксированных настроек.
- 84 Выбор звукового поля; или; Ресивер автоматически запоминает последнее
- 85 Информация о звуковых полях; Звуковое поле
- 87 R: Фронтальный правый
- 89 Пользовательская настройка звуковых полей; Нажмите SUR; Настройки запоминаются автоматически.
- 90 Регулировка параметров уровня; Нажмите кнопку LEVEL.; • Эти настройки также доступны с пульта; • Выбор положения OFF заглушает звук LFE канала
- 91 • Диапазон регулировки уровня от –20 дБ до +10 дБ
- 93 Система RDS работает только в диапазоне FМ * .
- 94 Прием радиопередач; Нумерованные кнопки:
- 95 Прямая настройка; Если Вы вводите частоту, не соответствующую
- 96 Автоматическая настройка; По достижении окончания диапазона; Фиксированная настройка; Фиксированная настройка радиочастоты; Нажмите MEMORY для сохранения станции.; Проделайте операции с 1 по 6.
- 97 Можно сканировать фиксированные станции по; Использование кодов фиксированной настройки; Прием RDS - радиопередач; Просто выберите станцию из диапазона FM.; Отображение RDS - информации
- 98 Использование системы передачи текстовых данных (RDS); Настройтесь на станцию FM диапазона.
- 101 Прочие операции; Запись; Запись на аудиокассету или минидиск; Подготовьте устройство к работе.; переместите указатель в следующую позицию.; Для вставки пробела; Нажмите; Для присвоения названий другим станциям
- 102 Запись на видеокассету
- 103 Выбор входящего видеосигнала 5.1CH; Нажмите кнопки указателя (
- 105 Наведите пульт на дистанционный датчик; Для удаления
- 106 Технические характеристики; мВ; Выходы; Допускается; Усиление низких частот; +6 дБ на частоте 70 Гц; Диапазон регулировки тембра; ±6 дБ на частоте; Частота дискретизации; Усилитель; Выходная мощность
- 107 FM тюнер
- 108 Глоссарий; Пространственный звук; • Типы звука
- 113 Алфавитный указатель; Присвоение имен












