Усилители Sony STR-DA5200ES - инструкция пользователя по применению, эксплуатации и установке на русском языке. Мы надеемся, она поможет вам решить возникшие у вас вопросы при эксплуатации техники.
Если остались вопросы, задайте их в комментариях после инструкции.
"Загружаем инструкцию", означает, что нужно подождать пока файл загрузится и можно будет его читать онлайн. Некоторые инструкции очень большие и время их появления зависит от вашей скорости интернета.

110
RU
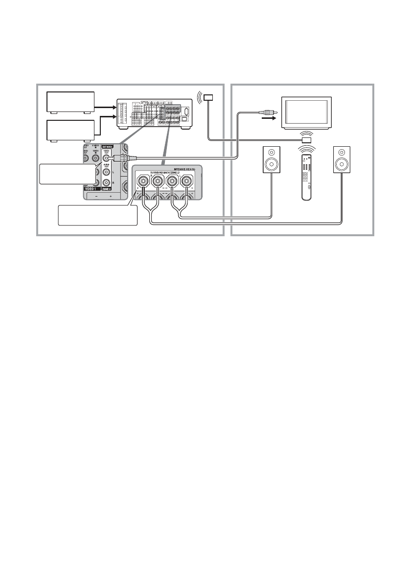
1: Подключения зоны 2
1
Звук выводится из громкоговорителей в зоне 2 с помощью
разъемов SURROUND BACK SPEAKERS ресивера.
A
Аудиокомпонент
B
Видеокомпонент
C
IR-усилитель (не прилагается)
D
Громкоговорители
Основная зона
Зона 2
Телевизор
монитор
A
ZONE 2
VIDEO OUT
B
D
STR-DA5200ES
D
SURROUND BACK
SPEAKERS
C
RM-AAU009
Содержание
- 3 О данном руководстве
- 4 Оглавление; Воспроизведение
- 5 Другие операции
- 6 Описание и расположение частей; Для того, чтобы снять крышку; Подготовка к эксплуатации; Название
- 7 к э
- 9 Задняя панель; Секция AUDIO INPUT/OUTPUT
- 10 Секция SPEAKERS
- 11 AV
- 13 OPTIONS; WIDE
- 15 Примечания; SLEEP; SHIFT; TV; RM SET UP
- 16 MUTING
- 18 : Установка громкоговорителей; Передний левый громкоговоритель
- 19 К Вашему сведению
- 20 : Подсоединение громкоговорителей; Передний громкоговоритель
- 21 Подсоединение ZONE 2
- 24 a: Подсоединение аудиокомпонентов; Высококачественный звук
- 25 Коаксиальный цифровой шнур (не прилагается)
- 27 Монофонический аудиошнур (не прилагается)
- 28 Примечание
- 29 b: Подсоединение видеокомпонентов; Высококачественное
- 30 Характеристики HDMI; • Цифровой аудиосигнал,; Мы рекомендуем Вам использовать кабель HDMI Sony.
- 32 Подсоединение DVD-проигрывателя
- 33 Подсоединение DVD-рекордера; Оптический цифровой шнур (не прилагается)
- 39 : Подсоединение антенн
- 41 • Звуковое поле, сохраненное в; О командном режиме
- 42 Мигает кнопка RM SET UP.
- 43 Нажмите кнопку ON SCREEN.
- 44 Нажимайте кнопку RETURN/EXIT; Для выхода из меню
- 46 • Звук от громкоговорителей во время; Для выбора; OFF
- 47 • Калибровка не может быть проведена; • После подключения сабвуфера
- 48 Нажимайте повторно кнопки
- 50 Для отмены автокалибровки; Нажмите кнопку
- 51 Результаты измерений сохранены.; Параметр
- 53 При выборе “WRN CHECK”; Дисплей
- 54 Выбор компонента
- 56 Прослушивание Super Audio CD/CD; Включите воспроизведение диска.
- 57 Просмотр DVD
- 58 Наслаждение игровой приставкой; Нажмите кнопку VIDEO 3; Настройте игровую приставку.
- 59 Просмотр видео; Включите кассетный видеомагнитофон.
- 60 Обзор меню; Input; Surround
- 61 Настройки звука; • PCM; • MAIN
- 62 • AMP
- 63 Настройки видео
- 65 ch Analog Direct; Типы режима 2CH
- 66 Эффект
- 71 Center Width Control; Screen Depth; • OFF; Virtual Speakers; • OFF
- 73 • AUTO
- 74 SB Dec Mode; Параметр Установка
- 76 Нажмите кнопку RECEIVER.; Включится режим ресивера.
- 79 Тестовый сигнал выключится.
- 83 • FIX
- 87 Нажимайте кнопку; Операции с тюнером
- 88 Прямая настройка
- 93 Описание типов программ; Описание
- 97 Список сообщений USB; Для
- 98 Нажмите кнопку OPTIONS.; Пояснение
- 99 Нажимайте кнопки
- 102 Название входа
- 103 Диапазоны FM и AM
- 104 Об индикаторах на дисплее
- 108 Для записи цифрового звука
- 109 • Переключение источника выходного
- 110 : Подключения зоны 2; Аудиокомпонент; Основная зона
- 111 : Подключения зоны 3
- 114 О гнезде IR REMOTE
- 115 Пример
- 116 Для управления на ресивере
- 117 Измерение начинается.; Опция
- 118 При выборе “PHASE INFO”; Тип AUTO EQ
- 119 Настройка на радиостанцию; Нажмите кнопку MEMORY.
- 120 Нажмите кнопку ENTER.; Тип звукового поля
- 125 – Пульт дистанционного управления; Нажмите кнопку AV
- 128 Для управления телевизором
- 130 Запуск макро выполнения; Нажмите
- 131 Высвечивается кнопка RM SET UP.
- 132 Для отмены запоминания
- 134 Высветится индикатор.; Нажмите кнопку SOURCE.; Для отмены
- 136 Глоссарий
- 137 Частота дискретизации
- 141 О чистке
- 144 Видео
- 145 Тюнер; Не работает система RDS.
- 146 Сообщения об ошибках; PROTECTOR
- 147 Опорная выходная мощность
- 150 Алфавитный указатель; Символы












