Усилители Sony STR-DA3700ES - инструкция пользователя по применению, эксплуатации и установке на русском языке. Мы надеемся, она поможет вам решить возникшие у вас вопросы при эксплуатации техники.
Если остались вопросы, задайте их в комментариях после инструкции.
"Загружаем инструкцию", означает, что нужно подождать пока файл загрузится и можно будет его читать онлайн. Некоторые инструкции очень большие и время их появления зависит от вашей скорости интернета.

27
RU
П
о
д
гот
овка
к э
к
сп
лу
ат
ации
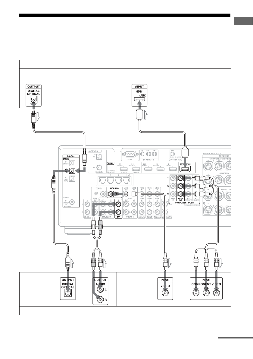
2: Подключение монитора
Вы можете просматривать изображение выбранного входного сигнала при 
подключении разъемов HDMI OUT или MONITOR OUT к телевизору. Вы можете 
управлять данным ресивером при помощи GUI (Graphical User Interface).
Не обязательно подключать все кабели. Подключите кабели в соответствии с 
разъемами оборудования.
Телевизионный монитор с разъемом HDMI
A
B
Аудиосигналы
C
D
E
Видеосигналы
Телевизионный монитор без разъема HDMI
Аудиосигналы
Видеосигналы
или
или
A
Если ресивер подключается к разъему 
HDMI Audio Return Channel (ARC)-
совместимого телевизора при помощи 
кабеля HDMI, это соединение не 
является обязательным.
Если ресивер подключается к Audio 
Return Channel (ARC)-совместимому 
телевизору, подключите его к разъему 
HDMI, обозначенному на телевизоре 
“ARC”.
продолжение следует
Содержание
- 4 О данном руководстве; Об авторских правах
- 6 Основные характеристики ресивера; Совместимость с различными соединениями и форматами
- 8 Оглавление; Воспроизведение по сети
- 9 Регулировка настроек
- 10 Описание и расположение компонентов; Передняя панель; Снятие крышки
- 11 Разъем PHONES; Для подключения наушников.; INPUT SELECTOR
- 12 Индикация на дисплее
- 15 Задняя панель; Раздел DIGITAL INPUT/OUTPUT
- 16 Примечание
- 19 После нажатия кнопки TV (
- 20 Подготовка к эксплуатации; Установка колонок
- 21 к э; компонентные видеосигналы.; Функция для преобразования видеосигналов
- 22 Форматы цифрового аудио, поддерживаемые ресивером
- 24 Совет
- 25 Передняя колонка; Подключение колонок
- 26 Подключение ZONE 2; можно
- 27 : Подключение монитора
- 29 : Подключение видеооборудования; Подключение оборудования с разъемами HDMI
- 30 Подключение оборудования с иными разъемами, кроме HDMI
- 32 Примечания
- 37 Свойства HDMI
- 38 : Подключение аудиооборудования
- 42 • Для просмотра контента по домашней; Системные требования
- 43 Пример конфигурации
- 44 на пульте дистанционного; Включение ресивера
- 45 Нажмите кнопку
- 46 • Перед активацией подключенного
- 47 Выбор передних колонок
- 49 Нажимая кнопки; Несколько раз нажмите; Использование меню
- 51 Нажмите; Советы
- 54 DLNA
- 55 Отображается Favorites List.; Доступные опции
- 57 • iPod nano; Для “My Video”/“My Music”
- 59 • Рендерер: принимает и воспроизводит
- 60 сканирует в сторону повышения; Настройка
- 62 Для отмены ввода названия
- 64 Выбор звукового поля; Выберите “Sound Effects” в главном меню, а затем нажмите; Применение звуковых эффектов
- 67 рим
- 68 Sound Field Mode
- 69 Выберите “Bass” или “Treble”.
- 72 : Подключения зоны 2; Основная зона
- 74 Функция зоны будет активирована.
- 75 • Воспроизведение одним нажатием; Что такое “BRAVIA” Sync?
- 77 • Звук телевизора выводится через
- 78 Таблица соответствия; Выбор сцены
- 88 Кнопки AMP и ZONE будут мигать.; и подключите разъемы со
- 89 Настройка колонок
- 90 Для выхода из меню
- 93 Easy Setup; Position; Auto Calibration
- 94 Automatic Phase Matching; OFF; для используемой системы колонок.; Speaker Connection
- 95 – Настройки клемм SURROUND; Выберите “Level”, а затем нажмите; Speaker Setup
- 96 Появится экран Test Tone.; Test Tone
- 97 Появится экран Phase Noise.; Появится экран Phase Audio.; meter; Расстояние показывается в метрах.; feet; Расстояние показывается в футах.; Speaker Impedance
- 98 Audio Settings; Sound Optimizer
- 99 Динамический диапазон не сжимается.
- 100 Sound Field
- 101 Video Settings; Можно настраивать параметры отображения видео.; Direct; Resolution (Преобразование видеосигналов)
- 102 Playback Resolution
- 103 Auto; D Output Settings
- 104 Fixed Aspect Ratio; HDMI Settings; Subwoofer Level
- 105 AMP; Off; Input Settings; отображается в меню Watch.; Audio Out
- 106 – Hidden: входное устройство не; Заводская настройка по умолчанию.; Audio Input Assign
- 107 Network Settings; Можно настраивать параметры сети.
- 108 Parental Control Area Code; Internet Video Unrated
- 109 Zone Settings; Выберите “Input”, а затем нажмите; Zone Control
- 110 Line Out; для выбора входа, а; System Settings; Не переключаться в режим ожидания.; Language
- 111 Обновление ПО ресивера; Settings Lock; System Information
- 112 Network Update
- 113 Отображается параметр.; выберите; Возврат к предыдущему шагу
- 120 Изменение индикации
- 123 Нажмите AV; Кнопка RM SET UP будет мигать.
- 124 Для управления DAT-декой
- 125 Для управления телевизором
- 126 Для управления LD-плейером
- 127 а затем AV
- 128 О расположении
- 129 Общие характеристики
- 131 Аудио
- 134 Невозможно выполнить запись.
- 135 Тюнер
- 136 Неправильное отображение.
- 137 Локальная сеть
- 140 • Если ресивер используется в; Сообщения об ошибках
- 141 Список сообщений после измерений Auto Calibration
- 142 Справочные разделы; Нажмите и удерживайте; Секция усилителя; Очистка памяти; Для удаления; Перезагрузка ресивера
- 145 Прилагаемые принадлежности
- 146 Алфавитный указатель; Цифровые
 
  
  
  
  
  
  
  
  
  
  
  
  
  
  
  
  
  
  
  
  
  
  
  
  
  
  
  
  
  
  
  
  
  
  
  
  
  
  
  
  
  
  
  
  
  
  
  
  
  
  
  
  
  
  
  
  
  
  
  
  
  
  
  
  
  
  
  
  
  
  
  
  
  
  
  
  
  
  
  
  
  
  
  
  
  
  
  
  
  
  
  
  
  
  
  
  
  
  
  
  
  
  
  
  
  
  
  
  
  
  
  
  
  
  
  
  
  
  
  
  
  
  
  
  
  
  
  
  
  
  
  
  
  
  
  
  
  
  
  
  
  
  
  
  
  
  
  
  
  
 











