Усилители Pioneer VSX-LX60 / VSX-LX70 - инструкция пользователя по применению, эксплуатации и установке на русском языке. Мы надеемся, она поможет вам решить возникшие у вас вопросы при эксплуатации техники.
Если остались вопросы, задайте их в комментариях после инструкции.
"Загружаем инструкцию", означает, что нужно подождать пока файл загрузится и можно будет его читать онлайн. Некоторые инструкции очень большие и время их появления зависит от вашей скорости интернета.

03
14
Ru
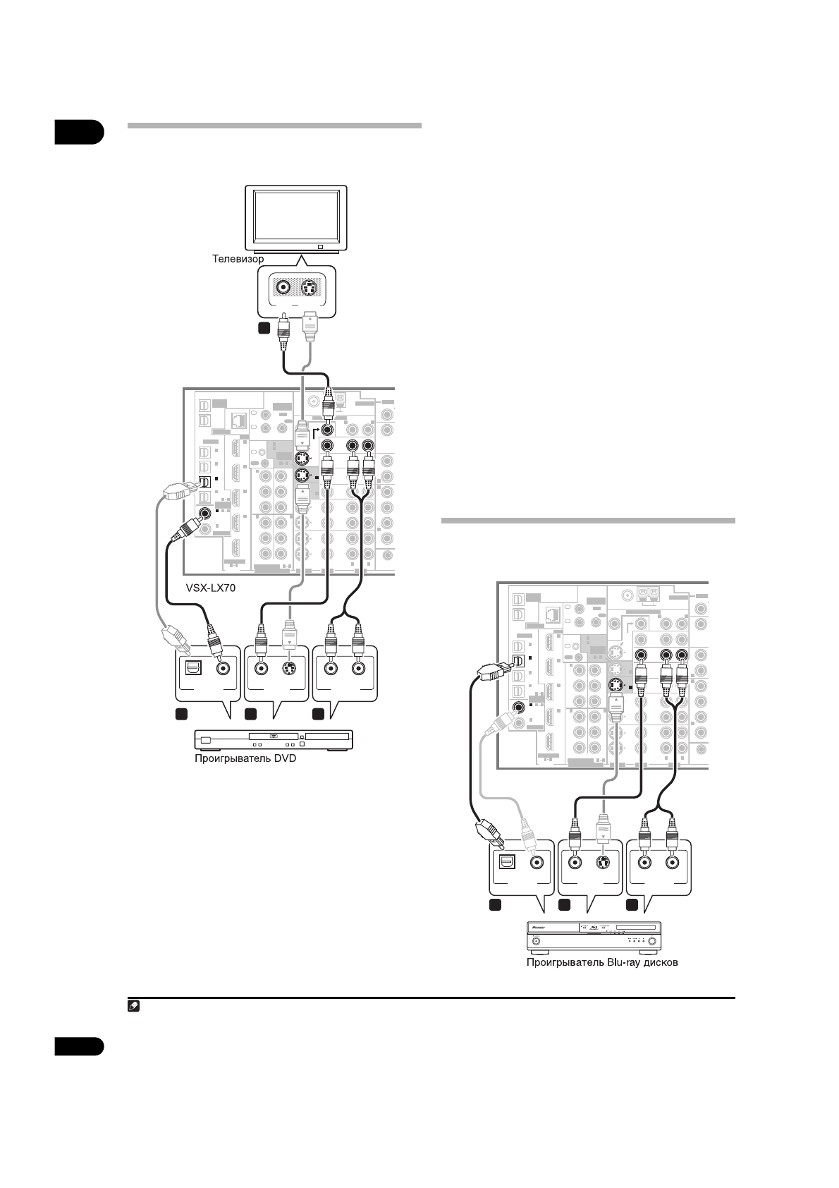
DVD
DVD
S-video
.
DVD
.
/
DVD
,
.
И
. 16.
DVD
,
.
. 55.
1
MONITOR OUT
.
,
RCA/
,
,
S-video
S-video
.
2
S-video
DVD
DVD/LD VIDEO
DVD/LD S-VIDEO.
S-video.
3
1
DVD
COAXIAL IN 1 (DVD/LD)
.
,
.
4
DVD
DVD/LD AUDIO.
RCA
.
•
DVD
,
.
.
. 55.
Blu-ray
OUT1
ZONE3
OUT2
FM UNBAL 75
Ω
AM LOOP
MONI-
TOR
OUT
MONI-
TOR
OUT
OUT
CD
CD-R/
TAPE/
MD
DVD/LD
BD
TV/SAT
VIDEO /
GAME 1
OUT
DVR/
VCR 1
DVR/
VCR 2
OUT
IN
IN
IN
IN
IN
SUB W.
SUR-
ROUND
SURROUN
CONTROL
OUT
PHONO
IN
IN
IN
IN
Y
P
B
P
R
Y
P
B
P
R
Y
P
B
P
R
Y
P
B
P
R
DIGITAL
COMPONENT VIDEO
ASSIGNABLE
ASSIGN-
ABLE
OUT
IN
IN
OUT
ANTENNA
MULTI-ZONE & SOURCE
IN
1
IN
2
1
12 V TR
ZONE2
ZONE2
ZONE2
MAIN
(DC OUT 12V/
TOTAL 50 mA
OUT
(TV/SAT)
(BD)
(BD)
(VIDEO/GAME 1)
(DVD/
LD)
1
IN
2
(DVR/
VCR 1)
IN
3
(DVD/
LD)
IN
1
(CD)
IN
2
IN
2
IN
OUT
1
IN
1
IN
2
IN
3
IN
4
R
L
HDMI
MULTI-ZONE
& SOURCE
MULTI-ZONE
& SOURCE
/REC SEL
IR
IN
3
(CD-R)
IN
4
4
1
(DVD/LD)
(BD)
IN
1
IN
2
IN
1
IN
2
2
1
3
1
ASSIGNABLE
4
1
R
L
R
R
R
VIDEO
AUDIO
AUDIO
S-VIDEO
OPTICAL
COAXIAL
LAN (10/100)
ASSIGN-
ABLE
2
1
VIDEO
IN
S-VIDEO
IN
S-VIDEO
OPTICAL
DIGITAL OUT
VIDEO OUT
COAXIAL
AUDIO
R
L
ANALOG OUT
3
1
2
4
1
DVD
,
.
,
(
.
Input Setup
. 66).
OUT1
ZONE3
OUT2
FM UNBAL 75
Ω
AM LOOP
MONI-
TOR
OUT
MONI-
TOR
OUT
OUT
CD
CD-R/
TAPE/
MD
DVD/LD
BD
TV/SAT
VIDEO /
GAME 1
OUT
DVR/
VCR 1
DVR/
VCR 2
OUT
IN
IN
IN
IN
IN
SUB W.
SUR-
ROUND
SURROUN
CONTROL
OUT
PHONO
IN
IN
IN
IN
Y
P
B
P
R
Y
P
B
P
R
Y
P
B
P
R
Y
P
B
P
R
DIGITAL
COMPONENT VIDEO
ASSIGNABLE
ASSIGN-
ABLE
OUT
IN
IN
OUT
ANTENNA
MULTI-ZONE & SOURCE
IN
1
IN
2
1
12 V TR
ZONE2
ZONE2
ZONE2
MAIN
(DC OUT 12V/
TOTAL 50 mA
OUT
(TV/SAT)
(BD)
(BD)
(VIDEO/GAME 1)
(DVD/
LD)
1
IN
2
(DVR/
VCR 1)
IN
3
(DVD/
LD)
IN
1
(CD)
IN
2
IN
2
IN
OUT
1
IN
1
IN
2
IN
3
IN
4
R
L
HDMI
MULTI-ZONE
& SOURCE
MULTI-ZONE
& SOURCE
/REC SEL
IR
IN
3
(CD-R)
IN
4
4
1
(DVD/LD)
(BD)
IN
1
IN
2
IN
1
IN
2
2
1
3
1
ASSIGNABLE
4
1
R
L
R
R
R
VIDEO
AUDIO
AUDIO
S-VIDEO
OPTICAL
COAXIAL
LAN (10/100)
ASSIGN-
ABLE
2
1
S-VIDEO
OPTICAL
DIGITAL OUT
VIDEO OUT
COAXIAL
AUDIO
R
L
ANALOG OUT
VSX-LX70
3
2
4












