Усилители Pioneer VSX-AX2AS / VSX-AX4AVi - инструкция пользователя по применению, эксплуатации и установке на русском языке. Мы надеемся, она поможет вам решить возникшие у вас вопросы при эксплуатации техники.
Если остались вопросы, задайте их в комментариях после инструкции.
"Загружаем инструкцию", означает, что нужно подождать пока файл загрузится и можно будет его читать онлайн. Некоторые инструкции очень большие и время их появления зависит от вашей скорости интернета.

03
12
Ru
DVD
DVD
S-
video
.
DVD
.
/
DVD
,
.
. 14.
DVD
,
.
. 53.
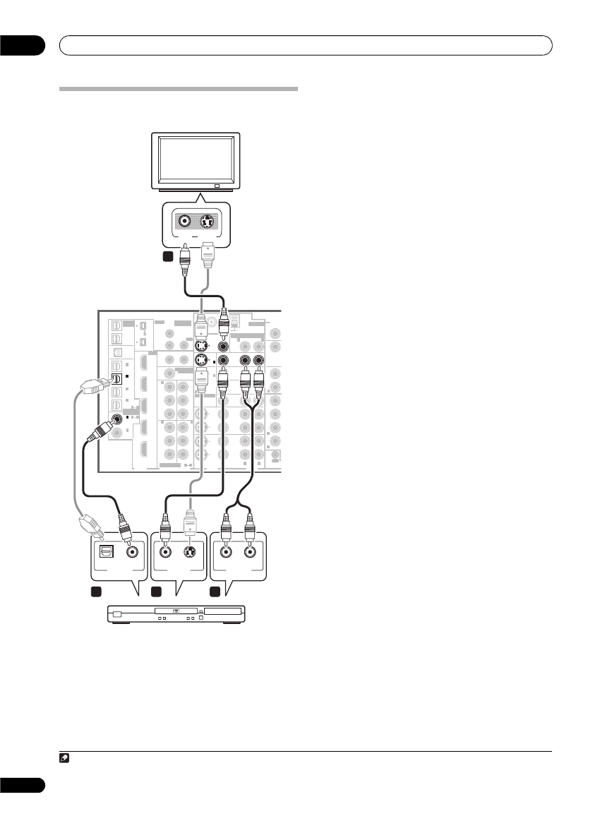
1
MONITOR OUT (
)
.
RCA
-
-
S-video
S-video.
2
S-video
DVD
DVD/LD VIDEO
DVD/LD
S-VIDEO.
S-video.
3
1
DVD
DIGITAL 1 (DVD/LD)
.
,
.
4
DVD
DVD/LD AUDIO.
RCA
.
•
DVD
,
.
.
. 53.
MULTI-ROOM
& SOURCE
/ REC SEL
ROOM3
(ZONE3)
OUT1
OUT2
USB
AUDIO
IN
S400
(AUDIO)
S400
(DVD/LD)
(TV)
FM UNBAL 75 ½
AM LOOP
MONITOR
OUT
OUT
CD
CD-R/
TAPE
DVD/
LD
TV
SAT
VIDEO /
GAME1
OUT
DVR/
VCR 1
DVR/
VCR 2
OUT
IN
IN
VIDEO
VIDEO
AUDIO
S - VIDEO
IN
IN
IN
FR
F
SUB W.
SUR-
ROUND
SURR
CONTROL
OUT
PHONO
IN
IN
IN
IN
Y
P
B
P
R
Y
P
B
P
R
Y
P
B
P
R
Y
P
B
P
R
DIGITAL
COMPONENT VIDEO
ASSIGNABLE
ASSIGNA-
BLE
ASSIGNABLE
OUT
OUT
ANTENNA
MULTI-ROOM & SOURCE
AUDIO
IN
IN1
IN2
IN1
1
12 V TRIGGER
2
MONITOR
OUT
MULTI-ROOM
& SOURCE
ROOM2
ROOM2(ZONE2)
ROOM2(ZONE2)
MAIN ROOM(ZONE1)
(ZONE2)
IN2
(DC OUT 12V TOTAL 50 mA MAX)
IN3
IN4
OUT
(SAT)
(DVR/
VCR 1)
1
IN
2
(DVR/
VCR 2)
IN
3
(DVD/
LD)
IN
1
(CD)
IN
2
IN
2
IN
OUT
1
IN
1
IN
2
IN
1
IN
2
R
L
HDMI
MULTI-ROOM
& SOURCE
IR
IN
3
(CD-R)
IN
4
4
1
2
1
2
1
3
1
R
L
R
R
R
Телевизор
VIDEO
IN
S-VIDEO
IN
S-VIDEO
OPTICAL
DIGITAL OUT
VIDEO OUT
COAXIAL
Проигрыватель DVD
AUDIO
R
L
ANALOG OUT
VSX-AX4ASi
3
1
2
4
1
DVD
,
.
,
(
.
Input Setup (
)
. 63).












