Усилители Pioneer VSX-2020 - инструкция пользователя по применению, эксплуатации и установке на русском языке. Мы надеемся, она поможет вам решить возникшие у вас вопросы при эксплуатации техники.
Если остались вопросы, задайте их в комментариях после инструкции.
"Загружаем инструкцию", означает, что нужно подождать пока файл загрузится и можно будет его читать онлайн. Некоторые инструкции очень большие и время их появления зависит от вашей скорости интернета.

03
18
Ru
(
).
,
,
(
).
RS-232C
HDMI
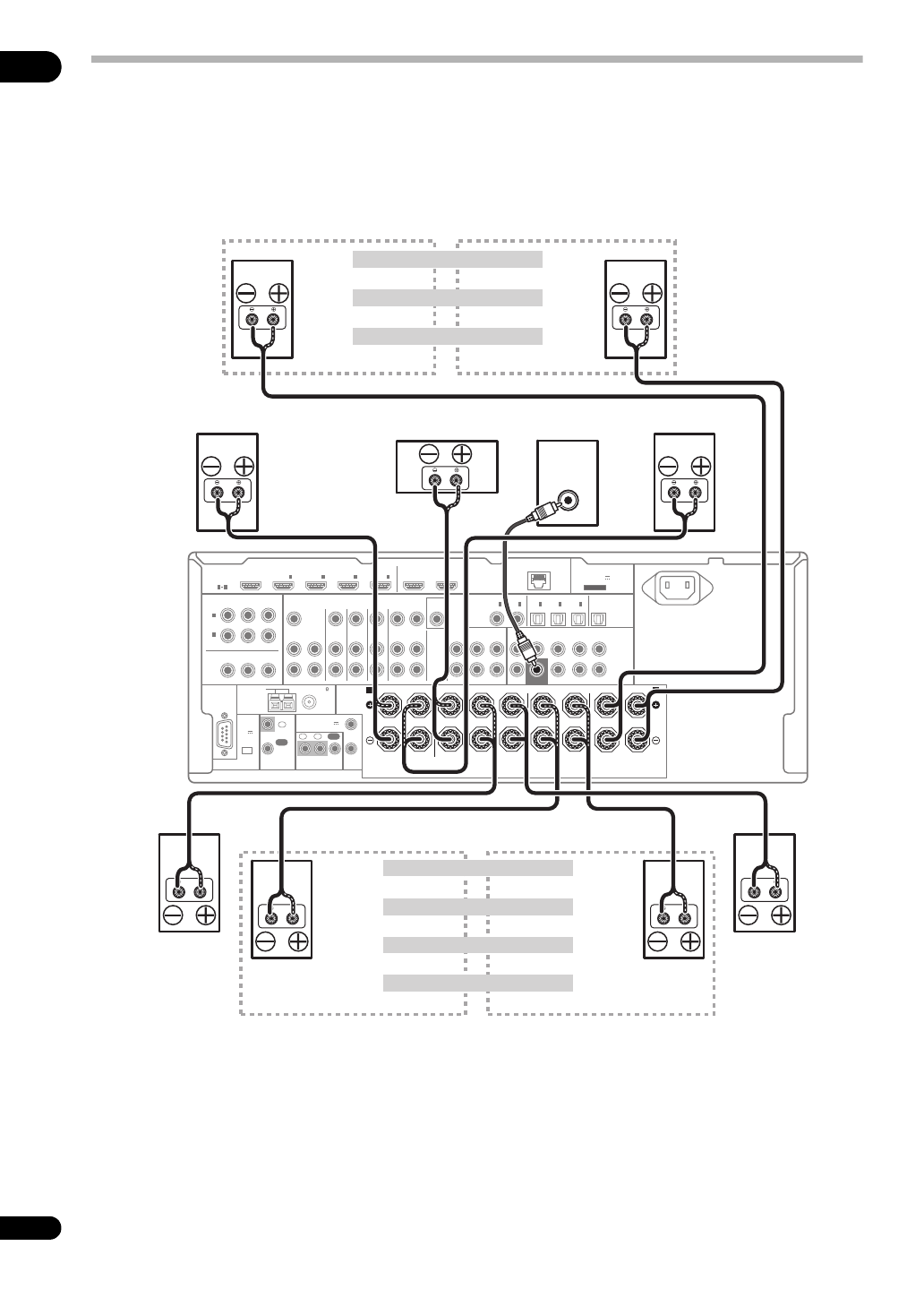
SPEAKERS
ASSIGNABLE
COAXIAL
ASSIGNABLE
COMPONENT VIDEO
ASSIGNABLE
OPTICAL
ASSIGNABLE
MONITOR
OUT
IN
Y
P
R
Y
CD-R/TAPE
ANTENNA
FM UNBAL 75
AM LOOP
AC IN
IN
CD
VIDEO
MONITOR
AUDIO
IN
OUT
OUT
ZONE2
OUT
ZONE3
OUT
DVD
IN
TV/SAT
IN
VIDEO
IN
DVR/BDR
OUT
IN
P
B
P
R
P
B
1
IN
BD
IN
1
IN
2
IN
3
OUT 1
(CONTROL)
OUT 2
A
B
R
L
R
L
R
L(Single)
SURROUND BACK
SURROUND
CENTER
FRONT
R
R
L
L
FRONT HEIGHT / FRONT WIDE/
1
4
(DVD)
IN
1
(DVD)
IN
1
(TV/SAT)
IN
2
(DVR/BDR)
IN
OUT
FRONT
CENTER
SURROUND SURR BACK
(Single)
FH/FW
3
(VIDEO)
IN
2
(CD)
IN
2
(DVR/BDR)
CONTROL
EXTENSION
IR
12 V TRIGGER
IN
IN
IN
OUT
OUT
1
2
1
2
(OUTPUT 12 V
TOTAL 150 mA MAX)
SUBWOOFER
IN
4
LAN (10/100)
(OUTPUT 5 V
100 mA MAX)
ADAPTER PORT
PRE OUT
(OUTPUT
5 V
150 mA
MAX)
LINE LEVEL
INPUT
ZONE 2.
5.1-
ZONE 2
ZONE 2 -
ZONE 2 -
6.1-
7.1-
B -
B -
B
.












