Усилители Phantom LX 1.600 - инструкция пользователя по применению, эксплуатации и установке на русском языке. Мы надеемся, она поможет вам решить возникшие у вас вопросы при эксплуатации техники.
Если остались вопросы, задайте их в комментариях после инструкции.
"Загружаем инструкцию", означает, что нужно подождать пока файл загрузится и можно будет его читать онлайн. Некоторые инструкции очень большие и время их появления зависит от вашей скорости интернета.

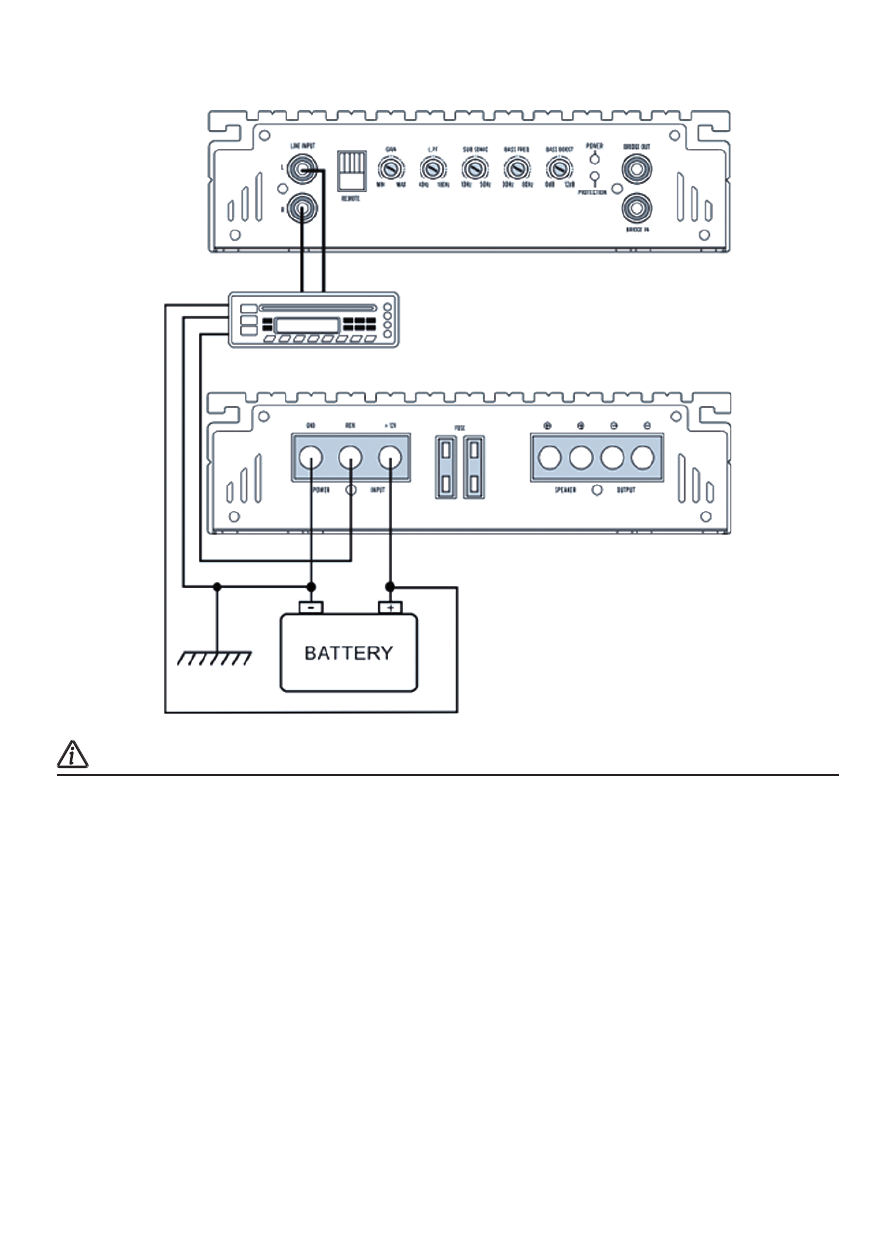
Питание + 12В подавать только после того как все провода были подключены.
Обязательно надежно подключите заземляющий провод устройства на
металлические части автомобиля.
Плохое соединение может привести к неисправности усилителя.
REMOTE (управляющий провод): усилитель включается при подаче +12 вольт
на этот терминал. Стандартный провод имеет сечение 18Ga и стандартный его
цвет: синий. Если головное устройство оснащено дополнительным питанием
антенны, он так же может управлять этим терминалом. Если антенный провод
уже используется, вы можете подключиться к нему. С помощью этого метода,
усилитель автоматически включается при включении головного устройства.
Используйте силовой провод (+12В) только с предохранителем, номинал
предохранителя подбирайте по сечению провода.
Предохранитель установить как можно ближе к аккумулятору автомобиля (не
дальше 30см от клеммы).
Убедитесь, что провода подключены к терминалам усилителя +12В и GND,
сечение проводов должно быть 10Ga (AWG 10) либо больше: 8, 4, 2, 0 Ga.
•
•
•
•
•
•
Примечания для подключения питания
Подключение динамиков:
- 2 -